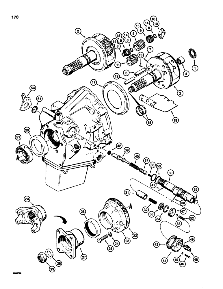
Запчасти Case 580SD (170) - POWER SHUTTLE, PINION CAGE, OUTPUT SHAFT AND CONTROL VALVE (06) - POWER TRAIN

Схема запчастей Case 580SD - (170) - POWER SHUTTLE, PINION CAGE, OUTPUT SHAFT AND CONTROL VALVE (06) - POWER TRAIN
9
2
14
49
48
14
27a
22
26
52
29
50
40
1
7
21
3
51
14
13
43
8
4
10
46
25
15
39
28
54
36
31
42
27
18
20
30
53
11
44
8
33
9
37
6
24
35
32
15
45
17
34
41
38
23
16
8
47
5
19
12
FIT
1:1
100%

Артикул

Название

Примечание

Количество

REF

INSTRUCTION

POWER SHUTTLE ASSEMBLY - see Figure 168 for service information, parts list Figures 168-176, Includes: Ref. 1 - 54

1шт.

1

D50055

WASHER, THRUST,22.38mm ID x 44.45mm OD x 1.6mm Thk

THRUST WASHER - clutch hub

1шт.

2

D70665

GEAR

PINION CAGE AND OUTPUT SHAFT - power shuttle, Includes: Ref. 3 - 17

1шт.

3

NSS

NOT SOLD SEPARAT

CAGE AND SHAFT - basic

1шт.

4

H747964

NEEDLE BEARING,Needle, 20.64mm ID x 26.99mm OD x 22.23mm W

- output shaft

1шт.

D50030

GEAR

KIT - inner pinion gear and shaft, Includes: Ref. 5 - 10

3шт.

5

NSS

NOT SOLD SEPARAT

PINION GEAR - inner

1шт.

6

NSS

NOT SOLD SEPARAT

PINION SHAFT - inner

1шт.

7

NSS

NOT SOLD SEPARAT

PIN - retaining

1шт.

8

NSS

NOT SOLD SEPARAT

SPACER - pinion bearing

3шт.

9

NSS

NOT SOLD SEPARAT

ROLLER - pinion bearing

48шт.

10

NSS

NOT SOLD SEPARAT

PLATE - thrust

2шт.

D50031

KIT

- outer pinion gear and shaft, Includes: Ref. 11 - 16

3шт.

11

NSS

NOT SOLD SEPARAT

PINION GEAR - outer

1шт.

12

NSS

NOT SOLD SEPARAT

PINION SHAFT - outer

1шт.

13

NSS

NOT SOLD SEPARAT

PIN - retaining

1шт.

14

NSS

NOT SOLD SEPARAT

SPACER - pinion bearing

3шт.

15

NSS

NOT SOLD SEPARAT

ROLLER - pinion bearing

48шт.

16

NSS

NOT SOLD SEPARAT

PLATE - thrust

2шт.

17

D50087

RING

- collector

1шт.

18

D50080

RING,40.25mm ID x 44.36mm OD x 2.38mm Thk

- sealing

2шт.

19

D50056

GUARD

BAFFLE - plate

1шт.

20

D50057

SLEEVE

SPACER - ball bearing

1шт.

21

40011

BEARING,1.378" ID x 3.1496" OD x 0.8268"

BALL BEARING - output shaft

1шт.

22

D50058

GASKET

- ball bearing retainer

1шт.

23

D50059

BEARING HOUSING

RETAINER - rear ball bearing

1шт.

24

92-7

LOCK WASHER,7/16"

6шт.

25

13-718

SCREW,Hex, 7/16" - 14 x 1 1/8", Gr 5

BOLT, Hex, 7/16"-14 x 1 1/8", G5, Full Thd

6шт.

26

D50060

SEAL,53.98mm ID x 77.93mm OD x 13.11mm Thk

- oil, rear

1шт.

27

D73776

FLANGE

YOKE - output shaft mounting

1шт.

27a

D124144

FLANGE

YOKE - output shaft mounting, supplied with D125633 power shuttle in D101784 kit, not used on the 580D or 580 Super D models, replace this yoke with D73776 yoke, Ref. 27

1шт.

28

D65247

WASHER

- output shaft

1шт.

345-84

ADHESIVE

SEAL - 3 oz. (89 ml) of sealer in a tube, not shown, can be used between D65247 washer and end of shaft

1шт.

29

131-91

LOCK NUT,3/4"-16, G8

NUT - hex, lock, 3/4" - 16 NF

1шт.

D77473

VALVE

ASSEMBLY - power shuttle, single groove for one D37156 O-ring (Ref. 50), no longer available, for service order N13639 valve and (2) D37156 O-rings (Ref. 50), Includes: Ref. 30 - 42A

1шт.

N13639

VALVE

ASSEMBLY - power shuttle, double groove for two D37156 O-rings (Ref. 50), Includes: Ref. 30 - 42A

1шт.

30

NSS

NOT SOLD SEPARAT

BODY - valve

1шт.

31

D50089

VALVE

- pressure regulator

1шт.

32

D50090

SPRING

- valve

1шт.

33

D50091

RETAINER,9.53mm ID x 28.42mm OD x 1.34mm Thk

- spring

1шт.

34

D50092

RING

- spring retaining

1шт.

35

41-12

PLUG,Exp, 3/4"

- expansion

1шт.

36

D77476

SPRING

- clutch cutout

1шт.

37

D77474

SPOOL

- valve

1шт.

38

135-198

GROOVED PIN,5/64" x 1", Type B

PIN, GROOVED, 5/64" x 1", Type B

1шт.

39

D75488

PLUNGER

- valve

1шт.

40

D77475

SPRING

- plunger

1шт.

41

138-59

LOCK PIN,1/8" x 7/8", Slotted

PIN, 1/8" x 7/8", Slotted

1шт.

42

D75489

SEAL,11.11mm ID x 17.46mm OD x 3.17mm Thk

- oil, see Ref. 42A

1шт.

42a

D75492

PLASTIC RING

TOOL - installation, used to install D75489 seal (Ref. 42), not shown

1шт.

43

D50066

GASKET,0.41mm Thk

- valve cover

1шт.

44

D86488

COVER

- valve

1шт.

45

192-19

LOCK WASHER,Helical Spring, 0.256" ID, CST, ZND

WASHER, LOCK, 1/4"

3шт.

46

113-9

BOLT,Hex, 1/4" - 20 x 7/8", Gr 5

- hex head, 1/4" - 20 NC x 7/8", plated

3шт.

47

D86489

CAM

- neutral start switch

1шт.

48

S113435

SWITCH

- neutral start, Includes: Ref. 49

1шт.

49

218-5005

O-RING,0.078" Thk x 0.468" ID, -906, Cl 6, 90 Duro

6-1, 90 Duro, .468" ID x .078" Thk, switch

1шт.

50

D37156

O-RING,0.07" Thk x 1.051" ID, -23, Cl 5, 75 Duro

- valve

1-2шт.

51

A75171

SNAP RING,#112, 1.060", Ext

RING - retaining

1шт.

52

S47892

SPRING

- poppet

1шт.

53

211-9

BALL,5/16" Dia

- steel, 5/16"

1шт.

54

D77621

LEVER

- shift

1шт.

Выбрано товаров: 62