Запчасти Case 580SK (8-014) - EQUIPMENT HYDRAULIC SYSTEM OIL COOLER (08) - HYDRAULICS

Схема запчастей Case 580SK - (8-014) - EQUIPMENT HYDRAULIC SYSTEM OIL COOLER (08) - HYDRAULICS
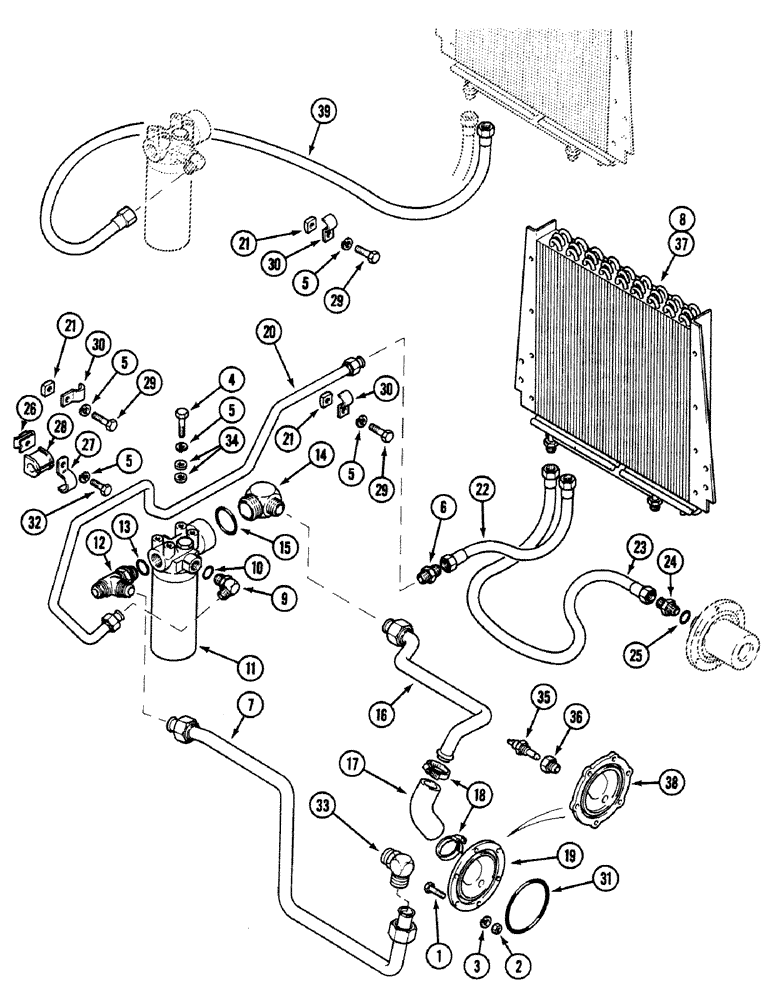
3
5
34
29
28
1
2
13
29
5
10
16
35
33
29
24
36
21
15
25
39
6
31
37
19
23
20
21
8
7
4
30
12
22
9
30
38
14
26
32
5
21
5
11
18
17
5
27
30
FIT
1:1
100%

Артикул

Название

Примечание

Количество

1

413-416

BOLT,Hex, 1/4" - 20 x 1", Gr 5

6шт.

2

425-104

NUT,1/4"-20, Cl 5

6шт.

3

492-11025

LOCK WASHER,1/4"

6шт.

4

413-616

BOLT,Hex, 3/8" - 16 x 1", Gr 5

3/8 x 16 mm

4шт.

5

492-11038

LOCK WASHER,3/8"

7шт.

6

218-736

UNION,7/8"-14, 37 Degree x 7/8"-14, 37 Degree

CONNECTOR, Serial Range: -JJH0016104

1шт.

7

D149925

PIPE

1шт.

8

A184542

COOLER, OIL

Not For Prestige

1шт.

9

218-5107

90 ELBOW,90 Degree Elbow, 7/8" - 14 Male JIC x 7/8" - 14 Male ORB

With 10

1шт.

10

237-6010

O-RING,0.097" Thk x 0.755" ID, -910, Cl 6, 90 Duro

1шт.

11

D132933

FILTER ASSY

See Figure : 8-340

1шт.

12

218-5245

TEE,1-5/16" - 12 Male JIC x 1-5/16" - 12 Male JIC x 1-5/16" - 12 Male ORB

TEE With : 13

1шт.

13

237-6016

O-RING,0.116" Thk x 1.171" ID, -916, Cl 6, 90 Duro

1шт.

14

218-5275

ELBOW,90 Degree, 1 5/16"-12, 37 Degree x 1 5/8"-12, O-Ring

ELBOW 90 deg With : 15

1шт.

15

237-6020

O-RING,0.118" Thk x 1.475" ID, -920, Cl 6, 90 Duro

1шт.

16

D148657

PIPE

Oil Return

1шт.

17

D146034

HOSE

102 mm Oil Return

1шт.

18

214-1420

HOSE CLAMP,#20, 0.81" - 1.75", Type F Worm

2шт.

19

D125694

FLANGE

1шт.

20

D148659

PIPE

Bypass Filter, Serial Range: -JJH0016104

1шт.

21

84899

SQUARE NUT,Sq, 3/8"-16, G2

3шт.

22

E48134

HOSE

Cooler Inlet

1шт.

23

E48135

HOSE

Cooler Return, Serial Range: -JJH0016104

1шт.

24

218-5062

HYD CONNECTOR,7/8"-14, 37 Degree x 7/8"-14, O-Ring

ADAPTER With : 25

1шт.

25

237-6010

O-RING,0.097" Thk x 0.755" ID, -910, Cl 6, 90 Duro

1шт.

26

D122307

NUT

3/8"

2шт.

27

D143410

CLAMP,36.58mm ID, 10.31mm Bolt Hole, J Type

2шт.

28

D67297

BLOCK

INSULATOR

4шт.

29

413-612

BOLT,Hex, 3/8" - 16 x 3/4", Gr 5

2шт.

30

L104914

CLAMP

, Serial Range: -JJH0016104

1шт.

30

E49857

CLAMP

, Start Serial: JJH0016105

1шт.

31

T53326

O-RING,4.475" ID x 5.025" OD x 0.275"

1шт.

32

413-616

BOLT,Hex, 3/8" - 16 x 1", Gr 5

1шт.

33

218-5110

ELBOW,90 Degree Elbow, 1-5/16" - 12 Male JIC x 1-5/16" - 12 Male ORB

1шт.

34

495-21044

WASHER,3/8"

8шт.

35

1345488C2

PRESSURE SWITCH

Oil Temperature

1шт.

Version with Optional Auxiliary Attachments

1шт.

36

221-1088

REDUCER,Hex, 1/2" x 1/4" NPT

REDUCER, Serial Range: -JJH0016504

1шт.

Version with Optional Auxiliary Attachments

1шт.

37

A184190

COOLER

Heavy Duty Prestige Version

1шт.

Version with Optional Auxiliary Attachments

1шт.

38

D139268

SHOULDER

FLANGE

1шт.

Version with Optional Auxiliary Attachments

1шт.

39

E49781

HOSE

, Start Serial: JJH0016105

1шт.

Выбрано товаров: 44