Качественные детали и логистика
Оригинальные и аналоговые запчасти с доставкой по России, Казахстану и Беларуси
©2022 PartSell ООО "Система" ИНН 2463123282 ОГРН 1212400004838
Центральный офис: г. Красноярск, Академика Киренского, д.87, пом.4
Телефон: 8 (800) 777-65-74 Email: zakaz@partsell.ru
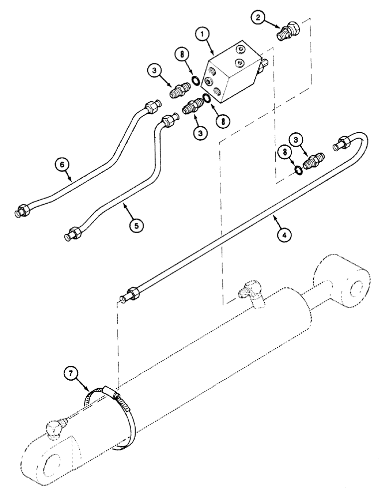
(8-116) - BOOM CYLINDER LOAD HOLDING VALVE, UP TO S/N JJH0045533
№
Артикул
Название
Примечание
Количество
1
E47787
VALVE POPPET
ASSY
1шт.
2
E47827
FITTING
ADAPTER
3
E41338
UNION
3шт.
4
E47776
HYD TUBE
5
E47772
6
E47774
7
214-277
HOSE CLAMP,#100, 5.88" - 6.75", Type F Worm
8
E41983
GASKET
O RING
E55007
KIT
PACKAGE Repair
Выбрано товаров: 0