Запчасти Case 580SK (8-138) - HYDRAULIC CIRCUIT STABILIZER CYLINDER, NOT FOR PRESTIGE, SIDE SHIFT BACKHOE (08) - HYDRAULICS

Схема запчастей Case 580SK - (8-138) - HYDRAULIC CIRCUIT STABILIZER CYLINDER, NOT FOR PRESTIGE, SIDE SHIFT BACKHOE (08) - HYDRAULICS
15
18
19
8
14
14
32
3
15
2
33
1
14
17
29
10
10
4
15
36
12
6
30
13
11
14
15
35
34
12
31
5
37
12
7
16
12
18
38
9
20
11
FIT
1:1
100%

Артикул

Название

Примечание

Количество

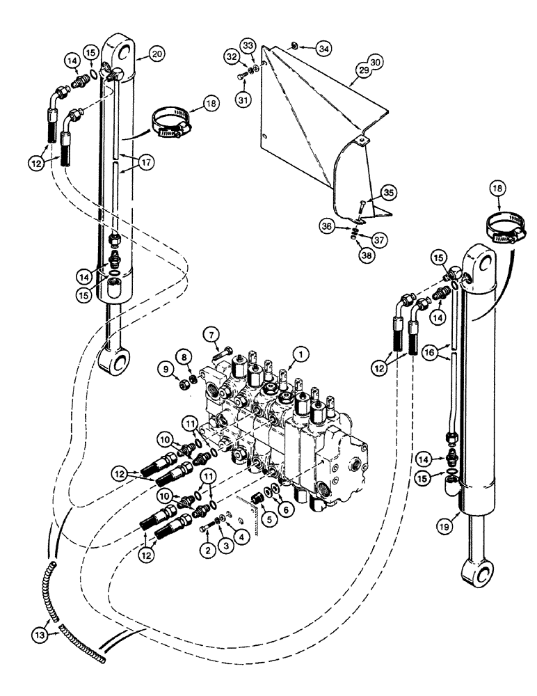
1

VALVE ASSY See Figure 8-294, 8-296

1шт.

2

413-624

BOLT,Hex, 3/8" - 16 x 1-1/2", Gr 5

1шт.

3

492-11038

LOCK WASHER,3/8"

1шт.

4

D52275

WASHER,9.92mm ID x 31.75mm OD x 2.78mm Thk

3/8"

1шт.

5

D52276

ISOLATOR,10.16mm ID x 28.07mm OD x mm L

INSULATOR

1шт.

6

495-81266

WASHER,0.41" ID x 0.88" OD x 0.07" Thk

10 x 22 x 2 mm

2шт.

7

413-832

BOLT,Hex, 1/2" - 13 x 2", Gr 5

2шт.

8

80679

LOCK WASHER,1/20.507 CST ZND

2шт.

9

425-108

NUT,1/2" - 13, Gr 5

2шт.

10

218-5059

HYD CONNECTOR,3/4"-16, 37 Degree x 3/4"-16, O-Ring

With 11

4шт.

11

237-6008

O-RING,0.087" Thk x 0.644" ID, -908, Cl 6, 90 Duro

1шт.

12

D141929

HOSE

See Figure 8-142

4шт.

Version with Load Holding Valve

1шт.

13

E45604

LOOM

SLEEVE

4шт.

14

218-5060

HYD CONNECTOR,3/4" - 16 Male JIC x 7/8" - 14 Male ORB

Adapter, with 15

4шт.

15

237-6010

O-RING,0.097" Thk x 0.755" ID, -910, Cl 6, 90 Duro

1шт.

16

D76595

TUBE,12 mm OD x 15, 642.8 mm L

Right

1шт.

17

D76597

TUBE,12 mm OD x 15, 642.8 mm L

Left

1шт.

18

214-1464

HOSE CLAMP,#64, 3.56" - 4.5", Type F Worm

2шт.

19

G101353

CYLINDER ASSY.

Right See Figure 8-362

1шт.

20

G101352

CYLINDER ASSY.

76 x 584 mm Left See Figure 8-362

1шт.

29

134593A1

PROTECTOR

GUARD Left

1шт.

30

134592A1

PROTECTOR

GUARD Right

1шт.

31

413-612

BOLT,Hex, 3/8" - 16 x 3/4", Gr 5

2шт.

32

492-11038

LOCK WASHER,3/8"

3шт.

33

495-21044

WASHER,3/8"

(7/16")

3шт.

34

84899

SQUARE NUT,Sq, 3/8"-16, G2

2шт.

35

413-620

BOLT,Hex, 3/8" - 16 x 1-1/4", Gr 5

4шт.

36

80702

WASHER,0.44" ID x 1" OD x 0.08" Thk

3шт.

37

80680

LOCK WASHER,3/8 0.381 CST ZND

3шт.

38

425-106

NUT,3/8"-16, Cl 5

4шт.

Выбрано товаров: 0