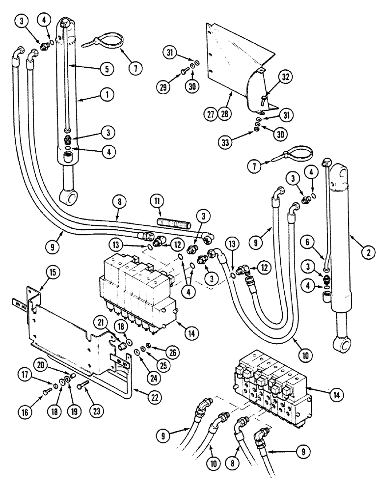
Запчасти Case 580SK (8-146) - SIDESHIFT BACKHOE STABILIZERS - SERVOPOWER VERSION, S/N JJH0046382 AND UP (08) - HYDRAULICS

Схема запчастей Case 580SK - (8-146) - SIDESHIFT BACKHOE STABILIZERS - SERVOPOWER VERSION, S/N JJH0046382 AND UP (08) - HYDRAULICS
19
6
15
20
4
14
17
7
24
8
33
8
4
4
3
23
3
4
11
10
22
21
4
29
3
12
27
28
16
5
9
14
31
25
26
30
13
9
32
3
18
13
3
2
31
30
7
12
3
18
9
10
1
9
FIT
1:1
100%

Артикул

Название

Примечание

Количество

1

G101352

CYLINDER ASSY.

Left See Figure 8-362

1шт.

2

G101353

CYLINDER ASSY.

Right See Figure 8-362

1шт.

3

218-5060

HYD CONNECTOR,3/4" - 16 Male JIC x 7/8" - 14 Male ORB

With 4

6шт.

4

237-6010

O-RING,0.097" Thk x 0.755" ID, -910, Cl 6, 90 Duro

1шт.

5

D76597

TUBE,12 mm OD x 15, 642.8 mm L

Left

1шт.

6

D76595

TUBE,12 mm OD x 15, 642.8 mm L

Right

1шт.

7

214-1464

HOSE CLAMP,#64, 3.56" - 4.5", Type F Worm

2шт.

8

114335A1

HOSE

1шт.

9

114334A1

HOSE

2шт.

10

114333A1

HOSE

1шт.

11

E45604

LOOM

SLEEVE

4шт.

12

218-5121

ELBOW,90 Degree Elbow, 3/4" - 16 Male JIC x 7/8" - 14 Male ORB

With 13

2шт.

13

237-6010

O-RING,0.097" Thk x 0.755" ID, -910, Cl 6, 90 Duro

1шт.

14

E48319

VALVE, CONTROL

7 Spool Valve

1шт.

15

113185A1

SUPPORT

1шт.

16

413-520

BOLT,Hex, 5/16" - 18 x 1-1/4", Gr 5

3/8" x 32 mm

4шт.

17

492-11031

LOCK WASHER,5/16"

4шт.

18

115436A1

WASHER

8шт.

19

495-81261

WASHER,13/16" x 1 1/2" x .067", HDN

3/4"

4шт.

20

114704A1

SPACER

4шт.

21

D52276

ISOLATOR,10.16mm ID x 28.07mm OD x mm L

MOUNTING

4шт.

22

E49954

SUPPORT

1шт.

23

413-828

BOLT,Hex, 1/2" - 13 x 1-3/4", Gr 5

4шт.

24

495-11053

WASHER,1/2", SAE

4шт.

25

80679

LOCK WASHER,1/20.507 CST ZND

4шт.

26

425-108

NUT,1/2" - 13, Gr 5

4шт.

27

D141914

PROTECTOR

GUARD Left

1шт.

28

D141913

PROTECTOR

GUARD Right

1шт.

29

413-612

BOLT,Hex, 3/8" - 16 x 3/4", Gr 5

2шт.

30

492-11038

LOCK WASHER,3/8"

6шт.

31

495-21044

WASHER,3/8"

6шт.

32

413-620

BOLT,Hex, 3/8" - 16 x 1-1/4", Gr 5

4шт.

33

425-106

NUT,3/8"-16, Cl 5

4шт.

Выбрано товаров: 33