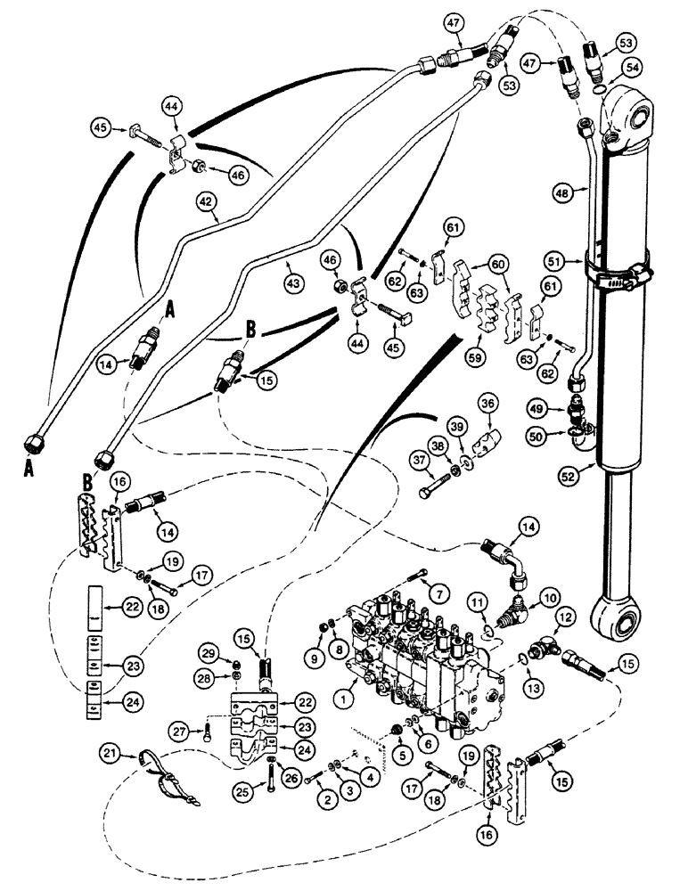
Запчасти Case 580SK (8-188) - HYDRAULIC CIRCUIT BUCKET CYLINDER, NOT FOR PRESTIGE, SIDESHIFT BACKHOE, UP TO S/N JJH0045480 (08) - HYDRAULICS

Схема запчастей Case 580SK - (8-188) - HYDRAULIC CIRCUIT BUCKET CYLINDER, NOT FOR PRESTIGE, SIDESHIFT BACKHOE, UP TO S/N JJH0045480 (08) - HYDRAULICS
19
18
47
28
29
43
27
15
54
45
18
49
61
47
15
37
60
19
14
15
51
5
12
4
45
10
8
44
61
62
50
44
36
38
11
21
59
22
3
14
23
63
16
46
24
17
15
52
13
24
53
42
9
7
16
26
6
23
46
1
2
22
39
63
48
25
17
62
53
14
FIT
1:1
100%

Артикул

Название

Примечание

Количество

1

VALVE ASSY See Figure 8-294, 8-296

1шт.

2

413-624

BOLT,Hex, 3/8" - 16 x 1-1/2", Gr 5

1шт.

3

492-11038

LOCK WASHER,3/8"

1шт.

4

D52275

WASHER,9.92mm ID x 31.75mm OD x 2.78mm Thk

3/8"

1шт.

5

D52276

ISOLATOR,10.16mm ID x 28.07mm OD x mm L

CUSHION

1шт.

6

495-81266

WASHER,0.41" ID x 0.88" OD x 0.07" Thk

13/32"

2шт.

7

413-836

BOLT,Hex, 1/2" - 13 x 2-1/4", Gr 5

2шт.

8

80679

LOCK WASHER,1/20.507 CST ZND

2шт.

9

425-108

NUT,1/2" - 13, Gr 5

2шт.

10

218-5108

ELBOW,90 Degree Elbow, 1-1/16" - 12 Male JIC x 1-1/16" - 12 Male ORB

With 11

1шт.

11

237-6012

O-RING,0.116" Thk x 0.924" ID, -912, Cl 6, 90 Duro

1шт.

12

D140242

FITTING

ELBOW 90 deg With : 13

1шт.

13

237-6012

O-RING,0.116" Thk x 0.924" ID, -912, Cl 6, 90 Duro

1шт.

14

E48220

HOSE

Upper

1шт.

15

E48221

HOSE

Lower

1шт.

16

D92721

CLAMP

2шт.

17

413-836

BOLT,Hex, 1/2" - 13 x 2-1/4", Gr 5

4шт.

18

495-11053

WASHER,1/2", SAE

4шт.

19

80679

LOCK WASHER,1/20.507 CST ZND

4шт.

21

D140236

STRAP

8шт.

22

D139536

SHIN

CLAMP

2шт.

23

D139537

CLAMP

2шт.

24

D139538

CLAMP

2шт.

25

413-634

BOLT,Hex, 3/8" - 16 x 2-1/8", Gr 5

3/8 x 54 mm

4шт.

26

492-11038

LOCK WASHER,3/8"

4шт.

27

413-640

BOLT,Hex, 3/8" - 16 x 2-1/2", Gr 5

4шт.

28

492-11038

LOCK WASHER,3/8"

4шт.

29

425-106

NUT,3/8"-16, Cl 5

1/2"

2шт.

36

112292A1

SHIN

CLAMP

2шт.

37

413-528

BOLT,Hex, 5/16" - 18 x 1-3/4", Gr 5

2шт.

38

492-11031

LOCK WASHER,5/16"

2шт.

39

495-11034

WASHER,5/16", SAE

2шт.

28

492-11038

LOCK WASHER,3/8"

4шт.

29

425-106

NUT,3/8"-16, Cl 5

1/2"

2шт.

36

112292A1

SHIN

CLAMP

2шт.

37

413-528

BOLT,Hex, 5/16" - 18 x 1-3/4", Gr 5

2шт.

38

492-11031

LOCK WASHER,5/16"

2шт.

39

495-11034

WASHER,5/16", SAE

2шт.

42

E49850

PIPE

Left

1шт.

43

E49851

PIPE

Right

1шт.

44

D127681

CLAMP

8шт.

45

417-616

BOLT,Sq Hd, 3/8" - 16 x 1", Gr 2

3/8 x 25 mm

8шт.

46

231-4116

NUT,3/8"-16, GB

3/8"

8шт.

47

D136488

HOSE,15.88mm ID x 640mm L

1шт.

48

D141248

TUBE

1шт.

49

218-5064

HYD CONNECTOR,1-1/16" - 12 Male JIC x 1-1/16" - 12 Male ORB

Adapter with 50

1шт.

50

237-6012

O-RING,0.116" Thk x 0.924" ID, -912, Cl 6, 90 Duro

1шт.

51

214-1472

HOSE CLAMP,#72, 4.06" - 5", Type F Worm

1шт.

52

1340991C1

CYLINDER ASSY.

See Figure 8-376, Serial Range: -JJH0014399

1шт.

52

235916A1R

REMAN-HYD CYLINDER

Reman New PN 1340991C1

1шт.

52

235916A1C

CORE-HYD CYLINDER

Return Number

1шт.

52

1542920C1

CYLINDER ASSY.

See Figure 8-378, Serial Range: JJH0014400-JJH0046190

1шт.

52

235916A1R

REMAN-HYD CYLINDER

Reman New PN 1542920C1

1шт.

52

235916A1C

CORE-HYD CYLINDER

Return Number

1шт.

52

110290A1

CYLINDER ASSY.

See Figure 8-378, Start Serial: JJH0046191

1шт.

52

235916A1R

REMAN-HYD CYLINDER

Reman New PN 110290A1

1шт.

52

235916A1C

CORE-HYD CYLINDER

Return Number

1шт.

53

D136489

HOSE,15.88mm ID x 640mm L

640 mm With : 54

1шт.

54

237-6012

O-RING,0.116" Thk x 0.924" ID, -912, Cl 6, 90 Duro

1шт.

59

D142471

SHIN

CLAMP

1шт.

60

D143513

SHIN

CLAMP

2шт.

61

D143512

CLAMP

2шт.

62

413-636

BOLT,Hex, 3/8" - 16 x 2-1/4", Gr 5

3/8 x 64 mm

2шт.

63

492-11031

LOCK WASHER,5/16"

4шт.

Выбрано товаров: 64