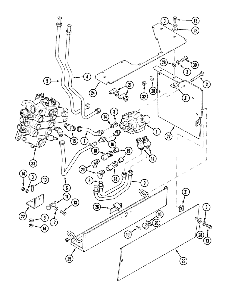
Запчасти Case 580SK (8-292) - AUXILIARY REMOTE HYDRAULICS (08) - HYDRAULICS

Схема запчастей Case 580SK - (8-292) - AUXILIARY REMOTE HYDRAULICS (08) - HYDRAULICS
26
14
3
18
1
28
12
28
18
14
33
31
3
23
4
25
13
9
13
3
27
15
20
19
7
32
10
16
8
22
28
31
11
5
24
17
2
26
6
13
28
3
3
14
13
30
10
21
3
FIT
1:1
100%

Артикул

Название

Примечание

Количество

1

D142933

SELECTOR

VALVE ASSY See Figure 8-342

1шт.

2

413-640

BOLT,Hex, 3/8" - 16 x 2-1/2", Gr 5

2шт.

3

492-11038

LOCK WASHER,3/8"

13шт.

4

D147005

PIPE

Upper

1шт.

5

D147007

PIPE

Lower

1шт.

6

D147009

PIPE

Upper

1шт.

7

D147011

PIPE

Lower

1шт.

8

D147045

PIPE

Lower

1шт.

9

D147047

PIPE

Upper

1шт.

10

151-522

RIVET,Pop, 3/16" x .575"

3/16 x 17/32"

2шт.

11

D143427

CLAMP

1шт.

12

D143417

SPACER,10.31mm ID x 15.88mm OD x 6.4mm L

1шт.

13

413-616

BOLT,Hex, 3/8" - 16 x 1", Gr 5

4шт.

14

425-106

NUT,3/8"-16, Cl 5

5шт.

15

218-5137

ELBOW,45 Degree Elbow, 7/8" - 14 Male JIC x 7/8" - 14 Male ORB

2шт.

16

218-5066

HYD CONNECTOR,7/8" - 14 Male JIC x 3/4" - 16 Male ORB

2шт.

17

218-5145

ELBOW,45 Degree Elbow, 7/8" - 14 Male JIC x 3/4" - 16 Male ORB

2шт.

18

T40265

COUPLING, BREAK AWAY

2шт.

19

T40274

CAP

PLUG

2шт.

20

218-535

ELBOW,45 Degree, 7/8"-14, 37 Degree x 7/8"-14, NPTF

45 deg

2шт.

21

218-5117

ELBOW,90 Degree Elbow, 7/8" - 14 Male JIC x 3/4" - 16 Male ORB

ELBOW 90 deg

2шт.

22

D149740

ANGLE BAR

BRACKET

1шт.

23

D149752

LARGE PLATE

PLATE, LARGE

1шт.

24

D146887

COVER

1шт.

25

D147768

COVER

1шт.

26

D147770

LATCH

1шт.

27

D149741

LARGE PLATE

PLATE, LARGE

1шт.

28

495-21044

WASHER,3/8"

(7/16")

12шт.

30

413-620

BOLT,Hex, 3/8" - 16 x 1-1/4", Gr 5

4шт.

31

D122307

NUT

3/8"

4шт.

32

131-217

LOCK NUT

3/8"

4шт.

33

VALVE ASSY See Figure 8-318

1шт.

Выбрано товаров: 32