Запчасти Case 580SK (9-040) - MOUNTING FRAME AND STABILIZERS (09) - CHASSIS/ATTACHMENTS

Схема запчастей Case 580SK - (9-040) - MOUNTING FRAME AND STABILIZERS (09) - CHASSIS/ATTACHMENTS
32
15
20
5
1
15
37
3
1
24
32
13
11
29
8
2
10
16
13
43
33
9
33
16
25
27
20
14
44
40
33
39
42
7
23
3
25
2
4
36
17
1
9
19
35
38
12
21
28
25
18
30
25
41
26
31
1
6
5
FIT
1:1
100%

Артикул

Название

Примечание

Количество

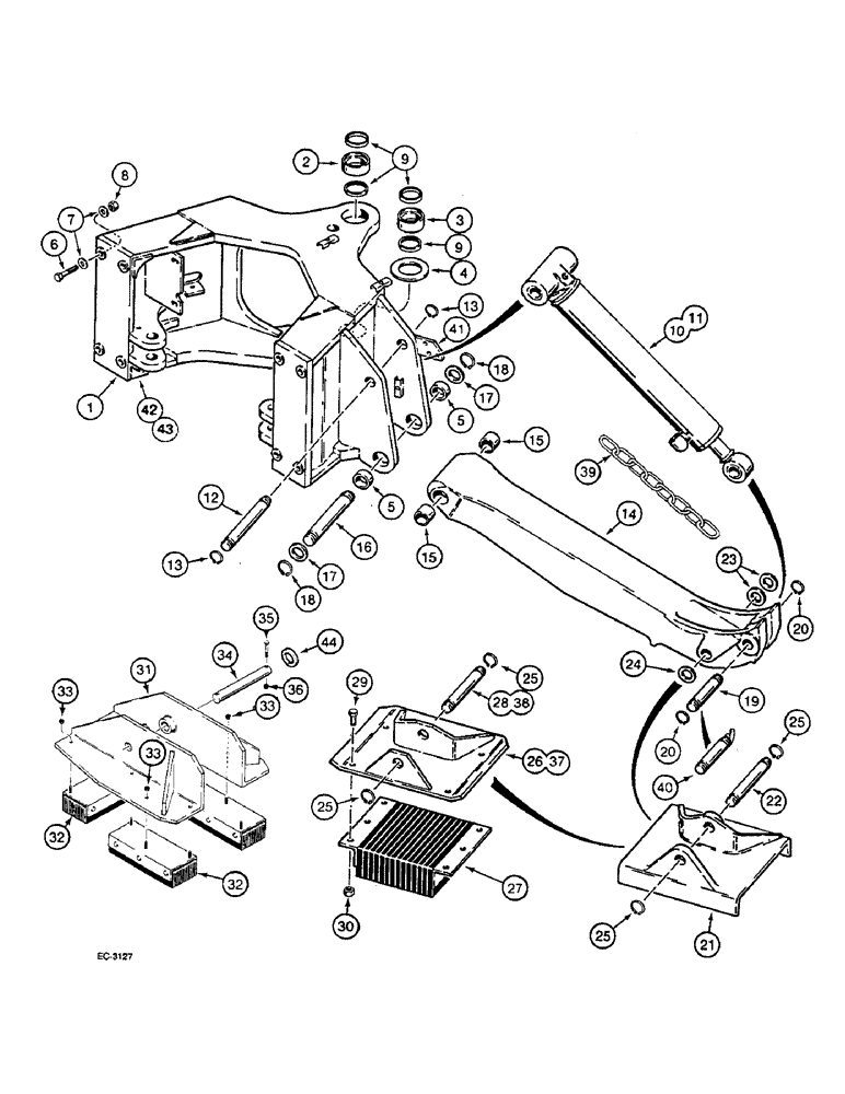
1

CHASSIS With : 2 - 5

1шт.

2

D135555

BUSHING,70.19mm ID x 90mm OD x 32mm L

1шт.

3

D135556

BUSHING,70.19mm ID x 90mm OD x 38mm L

1шт.

4

D144112

SPACER

83 x 135 x 6 mm

1шт.

5

D43940

BUSHING,44.68mm ID x 57.15mm OD x 25.4mm L

4шт.

6

426-1248

BOLT,Hex, 3/4" - 10 x 3", Gr 8

Used with Ref. 1 demountable backhoe frame only

8шт.

7

D34666

WASHER,33.34mm ID x 63.5mm OD x 2.38mm Thk

Used with Ref. 1 demountable backhoe frame only

16шт.

8

429-1012

NUT,3/4"-10, G8

Used with Ref. 1 demountable backhoe frame only

8шт.

9

D127974

SEAL,67.46mm ID x 80.18mm OD x 3.56mm Thk

4шт.

10

G110672

CYLINDER ASSY.

Stabilizer Right See Figure 8-360

1шт.

11

G110673

CYLINDER ASSY.

Stabilizer Left See Figure 8-360

1шт.

12

D133509

PIN,38.1mm OD x 299mm L

2шт.

13

D25279

SNAP RING,M35, Int

4шт.

14

D133428

STABILIZER

LEG With : 15

2шт.

15

D50146

BUSHING,44.68mm ID x 57.15mm OD x 38.1mm L

RING

2шт.

16

D134723

PIN

2шт.

17

495-81226

WASHER,46.02mm ID x 63.5mm OD x 3.35mm Thk

4шт.

18

103-16175

SNAP RING,#175, Ext

4шт.

19

D26002

PIN,38.1mm OD x 187.32mm L

2шт.

20

D25279

SNAP RING,M35, Int

4шт.

21

D88427

PLATE

2шт.

22

D28648

PIN,1.5" OD x 10 7/16" L

2шт.

23

D31312

WASHER

70 mm

4шт.

24

D28610

WASHER,38.5mm ID x 63.5mm OD x 2.66mm Thk

2шт.

25

D25279

SNAP RING,M35, Int

4шт.

26

D61376

STABILIZER

PLATE, street or cemetery, if used, uses D61368 pad, no longer available, order D142519 and D39256 pin, Refs. 37 and 38

2шт.

27

D61368

PAD

2шт.

28

D50696

PIN,38.1mm OD x 225.55mm L

D61376 stabiliser plate to leg, if used

2шт.

29

113-713

BOLT,Hex, 3/4" - 10 x 1-3/4", Gr 5

8шт.

30

129-108

NUT,3/4"-10, G5

8шт.

31

D144673

SKID/SHOE

PLATE stabiliser, flip over, Category III

2шт.

32

D142314

SKID/SHOE

PLATE rubber, used with D144673 plate

6шт.

33

131-1129

LOCK NUT,7/16"-14, GA

18шт.

34

D144672

PIN

D144673 plate to stabiliser leg

2шт.

35

413-632

BOLT,Hex, 3/8" - 16 x 2", Gr 5

4шт.

36

230-4216

LOCK NUT,3/8"-16, GA

4шт.

37

D142519

SHOE (ASSY)

PLATE

2шт.

38

D39256

AXLE PIN,38.1mm OD x 238.13mm L

2шт.

39

E41753

CHAIN (CE)

stabiliser locking, if used

1шт.

40

E45156

AXLE PIN

locking chain, if used

2шт.

41

E46759

SUPPORT ASSY.

BRACKET light mounting, welded to backhoe mounting frame

2шт.

42

D143460

LARGE PLATE

PLATE, LARGE gusset, used with D136740 gusset, also order 8-75630 instruction sheet

2шт.

43

D136740

GUSSET

frame, used with D143460 plate, also order 8-75630 instruction sheet

2шт.

44

495-81293

WASHER,1.53" ID x 2.06" OD x 0.11" Thk

8шт.

Выбрано товаров: 44