Запчасти Case 580SK (2-30) - TURBOCHARGER SYSTEM (02) - ENGINE

Схема запчастей Case 580SK - (2-30) - TURBOCHARGER SYSTEM (02) - ENGINE
16
3
3
11
147
6
10
11
1
7
18
5
13
4
10
2
12
15
14
18
8
9
FIT
1:1
100%

Артикул

Название

Примечание

Количество

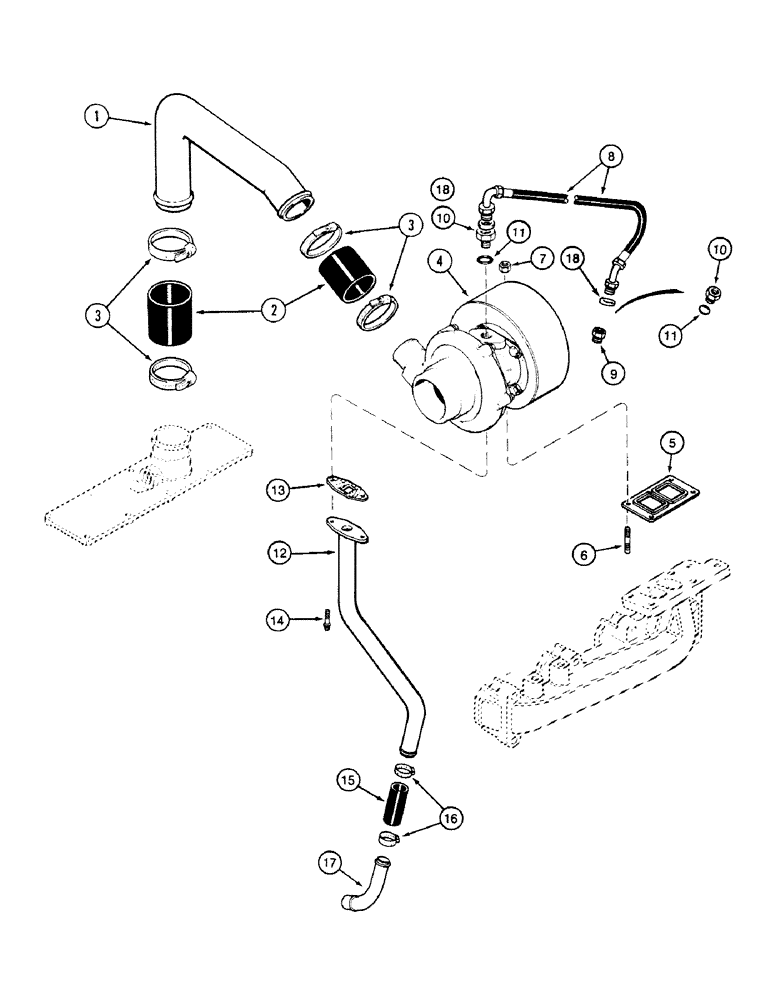
1

J912240

TUBE,50.8 mm OD x 321.6 mm L

Intake

1шт.

2

J916166

INTAKE AIR HOSE

2шт.

3

214-258

HOSE CLAMP,#28, 1.31" - 2.25", Type F Worm

4шт.

4

J919135

TURBOCHARGER

See Figure : 2-32

1шт.

5

J901356

GASKET,0.5mm Thk

1шт.

6

J818823

STUD

M10 x 40

4шт.

7

J818824

FLANGE NUT

10 mm - 1.5

4шт.

8

J913759

HOSE

1шт.

9

A77457

FITTING

CONNECTOR UNION Engine No. -44511033

1шт.

10

J919687

HYD CONNECTOR

UNION With : 11 Engine No. -44511033

2шт.

11

238-5013

O-RING,0.07" Thk x 0.426" ID, -13, Cl 5, 75 Duro

1шт.

12

J903740

TUBE

1шт.

13

J914388

GASKET

1шт.

14

845-8020

BOLT,Hvy Hex, M8 x 20mm, Cl 8.8

2шт.

15

J903745

LARGE HOSE

HOSE,LARGE

1шт.

16

214-255

HOSE CLAMP,#16, 0.81" - 1.5", Type F Worm

2шт.

17

J903744

PIPE FITTING,22.42 mm ID x 28 mm OD x 90.2, 64 mm L

1шт.

18

222-993

GASKET,3/8 Tube, Fl, Copper

2шт.

Выбрано товаров: 0