Запчасти Case 580SK (4-30) - REAR LAMPS, FRAME MOUNTED, SIDESHIFT BACKHOE (04) - ELECTRICAL SYSTEMS

Схема запчастей Case 580SK - (4-30) - REAR LAMPS, FRAME MOUNTED, SIDESHIFT BACKHOE (04) - ELECTRICAL SYSTEMS
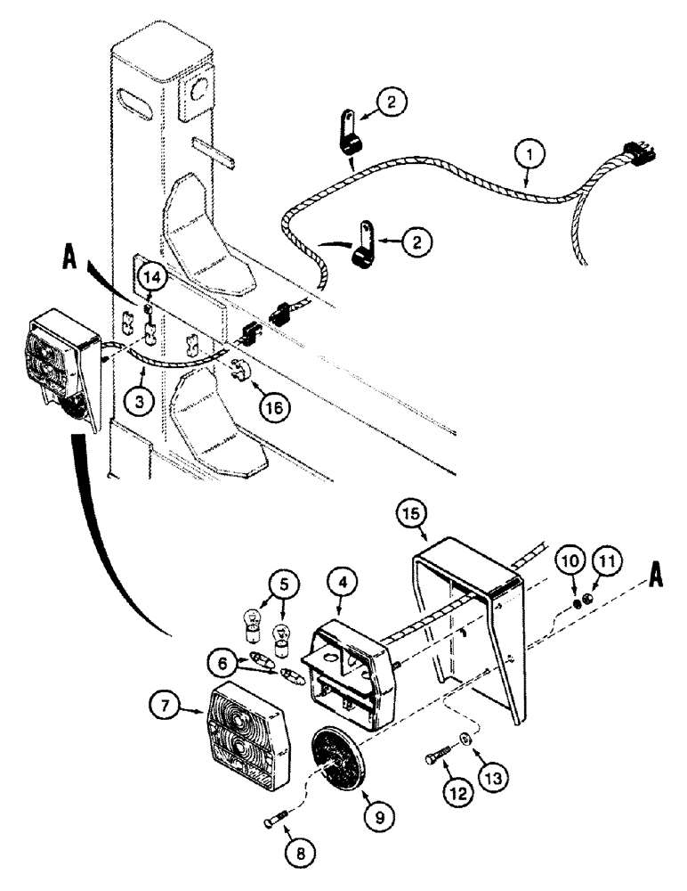
3
2
6
5
8
14
1
7
2
12
13
9
11
4
10
16
15
FIT
1:1
100%

Артикул

Название

Примечание

Количество

1

E47792

HARNESS

, Serial Range: -JJH0048433

1шт.

1

138767A1

HARNESS

, Serial Range: JJH0048426-JJH0048434

1шт.

2

E46569

COLLAR CLAMP

4шт.

E46802

LIGHT ASSY.,12V

Consists of : 3 - 7

2шт.

3

HARNESS

1шт.

4

HOUSING

1шт.

5

1094366R1

BULB

12V/21W

2шт.

6

710196R1

BULB,C5W, 12V, 5W

2шт.

7

E47547

LENS

1шт.

8

182-147

SCREW,Sl Pan Hd, #10 - 32 x 3/4"

No.10 x 19 mm

2шт.

9

E46570

REFLECTOR

2шт.

10

492-11010

LOCK WASHER,#10

2шт.

11

225-14210

NUT,#10-32

2шт.

12

413-510

BOLT,Hex, 5/16" - 18 x 5/8", Gr 5

4шт.

13

492-11031

LOCK WASHER,5/16"

4шт.

14

25-225

SQUARE NUT,Sq, 5/16"-24

5/16"

4шт.

15

E46789

PROTECTOR

GUARD

2шт.

16

E41161

FASTENER

CLAMP

2шт.

Выбрано товаров: 18