Запчасти Case 580SK (4-52) - AUDIBLE WARNING ALARM, COOLANT TEMPERATURE SWITCH (04) - ELECTRICAL SYSTEMS

Схема запчастей Case 580SK - (4-52) - AUDIBLE WARNING ALARM, COOLANT TEMPERATURE SWITCH (04) - ELECTRICAL SYSTEMS
8
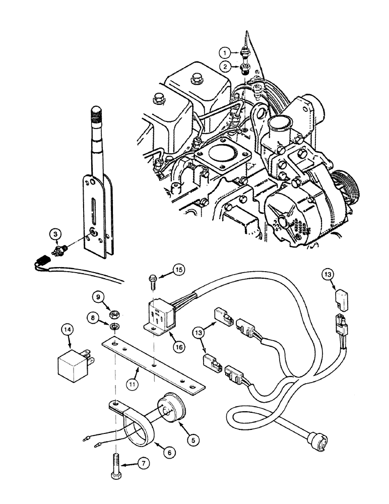
6
11
15
9
1
2
14
3
13
16
5
7
13
FIT
1:1
100%

Артикул

Название

Примечание

Количество

1

D70163

SWITCH,1/4" - 18 NPT, 230 Degrees F

warning

1шт.

2

221-1088

REDUCER,Hex, 1/2" x 1/4" NPT

UNION warning 1/2 x 1/4"

1шт.

3

D136514

SWITCH

Parking Brake

1шт.

5

D137468

BUZZER

ALARM

1шт.

6

D120561

CLAMP

1шт.

7

413-612

BOLT,Hex, 3/8" - 16 x 3/4", Gr 5

1шт.

8

492-11038

LOCK WASHER,3/8"

1шт.

9

425-106

NUT,3/8"-16, Cl 5

1шт.

11

E46778

PLATE

BRACKET

1шт.

13

L71879

DIODE ELEMENT,400V, 3A

3шт.

14

1983384C1

HARNESS

RELAY

1шт.

15

281-4556

SELF-TAP SCREW,Hex Wash Hd, #10 x 3/8"

No.10 x 9 mm

1шт.

16

D146664

HARNESS

Alarm, Serial Range: -JJH0016926

1шт.

16

E49925

HARNESS

Alarm Use With : E49924,E49930, Serial Range: JJH0016927-JJH0046093

1шт.

16

HARNESS ASSY Instrument Figure : 4-10, Start Serial: JJH0046094

1шт.

Выбрано товаров: 0