Запчасти Case 580SL (6-48) - REAR DRIVE AXLE MOUNTING (06) - POWER TRAIN

Схема запчастей Case 580SL - (6-48) - REAR DRIVE AXLE MOUNTING (06) - POWER TRAIN
5
4
7
2
1
3
6
5
FIT
1:1
100%

Артикул

Название

Примечание

Количество

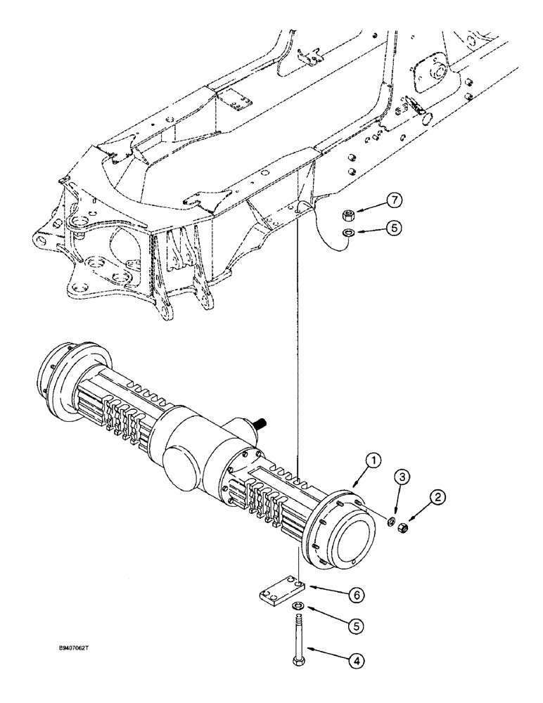
1

114367A2

AXLE, REAR

AXLE ASSEMBLY - rear drive, Carraro No. 132884, parts list Figures 6-52 - 6-60, 7-02 and 7-04, no longer available, order 114367A5 axle

1шт.

1

114367A3

AXLE, REAR

AXLE ASSEMBLY - rear drive, Carraro No. 134170, parts list Figures 6-53A - 6-60, 7-02 and 7-04, also includes 187562A2 bracket, Ref. 18 on Figure 6-50, no longer available, order 114367A5 axle

1шт.

1

114367A4

AXLE, REAR

AXLE ASSEMBLY - rear drive, parts list Figures 6-53A - 6-60, 7-03A and 7-04, also includes 187562A2 bracket, Ref. 18 on Figure 6-50, no longer available, order 114367A5 axle

1шт.

1

114367A5

AXLE, REAR

AXLE ASSEMBLY - rear drive, parts list Figures 6-53A - 6-60, 7-3A and 7-5A, also includes 187562A2 bracket, Ref. 18 on Figure 6-50

1шт.

87350701

REMAN-AXLE

Remanufactured, 114367A5 Axle, North America Only; Parts On This Page Do Not Apply to Remanufactured Assy

1шт.

87350702

CORE-AXLE

Return Number, 114367A5 Axle, Core, Use This Part Number To Return Core For Credit When Using A Remanufactured Assy

1шт.

2

D138492

NUT,M22 X 1.5 - 6 HVY HEX

- hex, special, 22 mm-1.5

20шт.

3

D138380

WASHER,22.8mm ID x 44.5mm OD x 5.56mm Thk

- flat, hardened, special

20шт.

4

827-20230

BOLT,Hex, M20 x 2.5 x 230mm, Cl 10.9

- hex, 20 - 2.5 x 230 mm, class 10.9

8шт.

5

896-11020

WASHER,22mm ID x 37mm OD x 4mm Thk

- flat, 22 x 37 x 4 mm, hardened

16шт.

6

117933A1

LARGE PLATE

PLATE - axle mounting

2шт.

7

829-1420

NUT,M20, Cl 10

8шт.

Выбрано товаров: 12