Запчасти Case 580SL (7-02) - 114367A2 OR 114367A3 REAR DRIVE AXLE, DIFFERENTIAL BRAKE (07) - BRAKES

Схема запчастей Case 580SL - (7-02) - 114367A2 OR 114367A3 REAR DRIVE AXLE, DIFFERENTIAL BRAKE (07) - BRAKES
3
8
7
13
18
20
23
14
5
21
9
15
16
12
17
22
8
6
19
4
2
10
11
1
1
FIT
1:1
100%

Артикул

Название

Примечание

Количество

114367A2

AXLE, REAR

AXLE ASSEMBLY - rear drive, Carraro No. 132844, Includes: Ref. 1 - 25 and parts in Figures 6-52, 6-54 - 6-60 and 7-04, no longer available, order 114367A5 axle on Figure 6-53A

1шт.

See Figure 7-03A for 114367A4 or 114367A5 rear drive axle differential brake.

1шт.

114367A3

AXLE, REAR

AXLE ASSEMBLY - rear drive, Carraro No. 134170, Includes: Ref. 1 - 25 and parts in Figures 6-53A - 6-60, 7-02 and 7-04, also includes 187562A2 bracket, Ref. 18 on Figure 6-50, no longer available, order 114367A5 axle on Figure 6-53A

1шт.

See Figure 7-03A for 114367A4 or 114367A5 rear drive axle differential brake.

1шт.

1

190462A1

DISC

- brake

4шт.

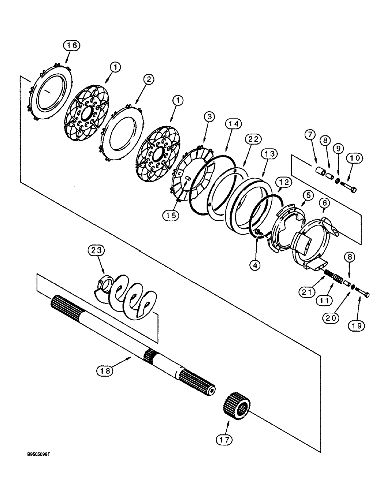
If your brake discs (Ref 1) have swirled grooves and the piston plates (Ref 3) have raised sections (see illustration), refer to Service Bulletin No. NLB MP 006 96 for instructions. Service both ends of the axle, do not mix old and new parts or service/replace parts on just one end of the axle.

1шт.

2

190455A1

LARGE PLATE

PLATE - friction, inner

2шт.

If your brake discs (Ref 1) have swirled grooves and the piston plates (Ref 3) have raised sections (see illustration), refer to Service Bulletin No. NLB MP 006 96 for instructions. Service both ends of the axle, do not mix old and new parts or service/replace parts on just one end of the axle.

1шт.

3

190474A1

LARGE PLATE

PLATE - piston

2шт.

If your brake discs (Ref 1) have swirled grooves and the piston plates (Ref 3) have raised sections (see illustration), refer to Service Bulletin No. NLB MP 006 96 for instructions. Service both ends of the axle, do not mix old and new parts or service/replace parts on just one end of the axle.

1шт.

4

864-8016

HEX SOC SCREW,M8 x 16mm, Cl 8.8

SCREW, Hex Soc Hd, M8 x 16, 8.8

18шт.

5

190461A1

FLANGE

- inner

2шт.

6

190460A1

FLANGE

- outer

2шт.

7

190449A1

SPLIT PIN

SPACER - split, 18 x 20 mm

6шт.

8

190496A1

BUSHING

- spacer

12шт.

9

190450A1

WASHER

- flat, special

6шт.

10

814-6035

BOLT,Hex, M6 x 1 x 35mm, Cl 8.8

6шт.

11

190499A1

SPRING

- outer

6шт.

If your brake discs (Ref 1) have swirled grooves and the piston plates (Ref 3) have raised sections (see illustration), refer to Service Bulletin No. NLB MP 006 96 for instructions. Service both ends of the axle, do not mix old and new parts or service/replace parts on just one end of the axle.

1шт.

12

190492A1

O-RING,6.984" ID x 7.262" OD x 0.139"

- small

2шт.

13

190502A1

PISTON

- brake

2шт.

14

190493A1

O-RING,0.139" Thk x 8.234" ID, -267, 90 Duro

- large

2шт.

15

190447A1

SPLIT PIN

PIN - split, 6 x 14 mm

6шт.

16

190454A1

LARGE PLATE

PLATE - friction, outer

2шт.

If your brake discs (Ref 1) have swirled grooves and the piston plates (Ref 3) have raised sections (see illustration), refer to Service Bulletin No. NLB MP 006 96 for instructions. Service both ends of the axle, do not mix old and new parts or service/replace parts on just one end of the axle.

1шт.

17

190453A1

SLEEVE

- splined

2шт.

18

190470A1

SHAFT

- splined

2шт.

19

864-6035

HEX SOC SCREW,M6 x 35mm, Cl 8.8

BOLT - hex socket, 6-1.0 x 35 mm

6шт.

20

190500A1

COVER

- spring

6шт.

21

190498A1

SPRING

- inner

6шт.

If your brake discs (Ref 1) have swirled grooves and the piston plates (Ref 3) have raised sections (see illustration), refer to Service Bulletin No. NLB MP 006 96 for instructions. Service both ends of the axle, do not mix old and new parts or service/replace parts on just one end of the axle.

1шт.

22

190504A1

SHIM

GASKET - piston

2шт.

23

192424A1

AUGER

- oil, right-hand, includes weld-on clamp and bolt, Includes: Ref. 25

1шт.

24

192549A1

AUGER

- oil, left-hand, includes weld-on clamp and bolt, not shown, Includes: Ref. 25

1шт.

25

863-6020

HEX SOC SCREW,M6 x 20mm, Cl 12.9

SCREW - hex socket, 6 - 1.0 x 20 mm, class 12.9, not shown, right-hand and left-hand auger

2шт.

Выбрано товаров: 35