Запчасти Case 580SL (9-088) - SUSPENSION SEAT ASSEMBLIES (09) - CHASSIS/ATTACHMENTS

Схема запчастей Case 580SL - (9-088) - SUSPENSION SEAT ASSEMBLIES (09) - CHASSIS/ATTACHMENTS
1
5
1
7
12
1a
4
3
9
8
9
9
7
12
11
6
5
1
6
6
7
8
2a
8
5
8
7
8
9
8
8
9
12
1a
4
8
8
7
9
4
6
1a
7
10
8
6
1a
2
4
9
9
1a
1
1a
8
8
8
3
7
5
9
8
8
1
7
1
7
7
6
4
7
FIT
1:1
100%

Артикул

Название

Примечание

Количество

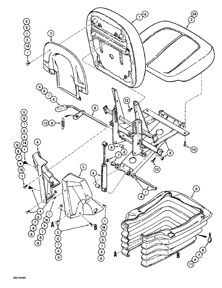
185158A2

SEAT

ASSEMBLY - suspension, gray cloth, includes seat, armrests, suspension, pedestal, and weight adjuster on Figures 9-092 and 9-094, replaces 185158A1 seat, Includes: Ref. 1 - 11

1шт.

Individual component parts not serviced separately, for service order respective component kits.

1шт.

185157A1

SEAT

ASSEMBLY - suspension, gray vinyl, includes seat, armrests, suspension, pedestal, and weight adjuster on Figures 9-092 and 9-094, individual component parts not serviced separately, for service order respective component kits, Includes: Ref. 1 - 11

1шт.

1

176922A2

KIT

- backrest cushion, gray cloth, replaces 176922A1 kit

1шт.

1a

176923A1

KIT

- backrest cushion, gray vinyl

1шт.

2

176909A2

KIT

- seat cushion, gray cloth, replaces 176909A1 kit

1шт.

2a

176910A1

KIT

- seat cushion, gray vinyl

1шт.

3

176906A1

KIT

- backrest shroud

1шт.

4

176903A1

KIT

- left-hand shroud

1шт.

5

176904A1

KIT

- right-hand shroud

1шт.

6

176911A1

KIT

- boot, rubber

1шт.

7

176919A1

KIT

- swing arm pivot shaft

1шт.

8

116549A1

KIT

- suspension, includes parts from seat frame to adjuster slides, see additional kit parts on Figure 9-092, Ref. 1

1шт.

9

176921A1

KIT

- plastic components, also see additional kit parts on Figure 9-092, Ref. 2

1шт.

10

116547A1

KIT

- height adjusting spring, also includes (10) shroud plastic retainers, see additional kit parts on Figure 9-092, Ref. 6

1шт.

11

181170A1

KIT

- cable, fore-aft/swivel mechanism, also includes cable and (4) nuts on Figure 9-092

1шт.

12

NSS

NOT SOLD SEPARAT

BOLT - 5/16 inch thread, length as needed, purchase locally, seat cushion and backrest

8шт.

Выбрано товаров: 17