Запчасти Case 580SL (9-090) - STANDARD SEAT SUPPORT AND PEDESTAL (09) - CHASSIS/ATTACHMENTS

Схема запчастей Case 580SL - (9-090) - STANDARD SEAT SUPPORT AND PEDESTAL (09) - CHASSIS/ATTACHMENTS
4
4
3
8
2
3
3
5
4
2
1
3
8
3
3
7
8
3
4
6
4
3
3
5
5
3
3
4
1
3
4
2
3
4
4
4
6
FIT
1:1
100%

Артикул

Название

Примечание

Количество

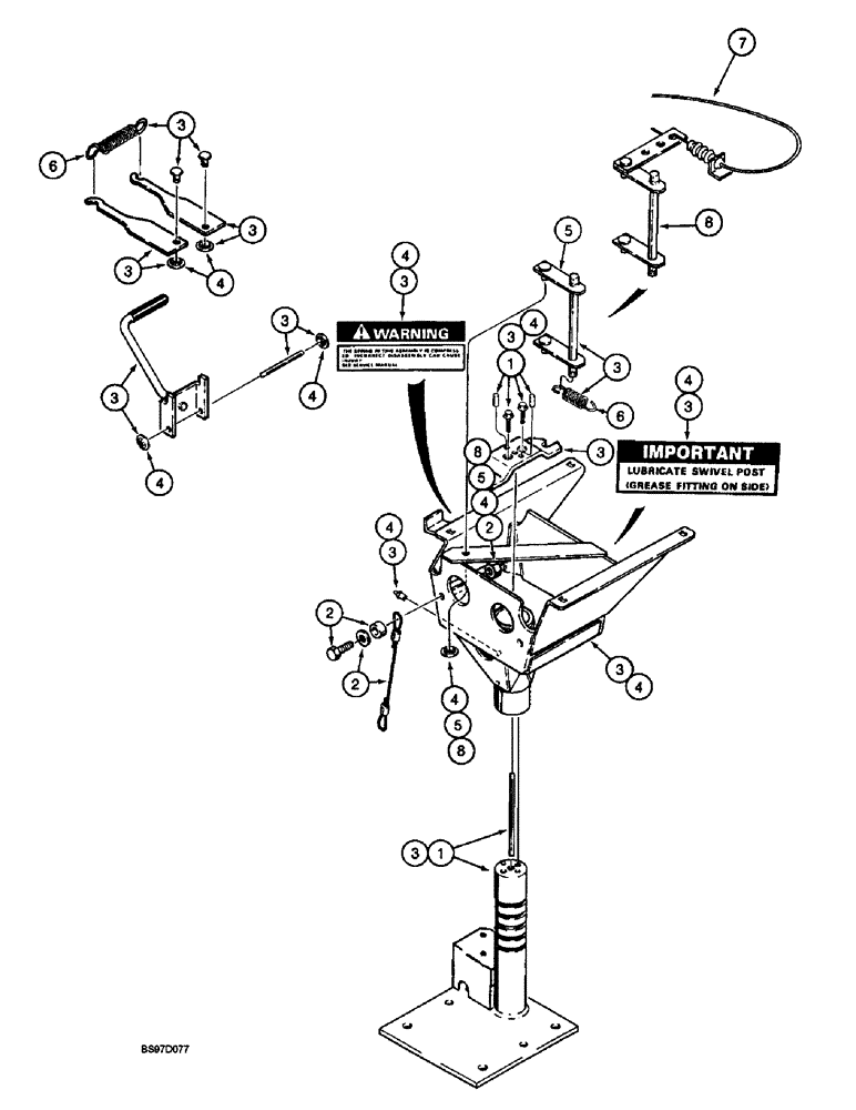
185156A1

SEAT

ASSEMBLY - standard, gray vinyl, includes seat on Figure 9-086 and support and pedestal below, individual component parts not serviced separately, for service order respective kits, Includes: Ref. 1 - 8

1шт.

Consists of the SEAT/A and PEDESTAL/A. For SEAT/A which consists of shell, cushion, backrest and trim, order 234223A1. For PEDESTAL/A order 116764A2

1шт.

1

116761A2

KIT

- support, base

1шт.

Also includes (4) lock nuts for seat adjuster slide on Figure 9-086.

1шт.

THE SUPPORT KIT DOES NOT INCLUDE THE LITTLE SHAFT PICTURED GOING THRU THE CENTER HOLE OF THE SUPPORT.

1шт.

2

116763A1

KIT

- cable, anchor, includes hardware for both ends of cable

1шт.

3

116764A2

KIT

- pedestal, includes 219-16 grease fitting

1шт.

Also includes (4) lock nuts for seat adjuster slide on Figure 9-086.

1шт.

4

116766A2

KIT

- pedestal box, includes 219-16 grease fitting

1шт.

Also includes (4) lock nuts for seat adjuster slide on Figure 9-086.

1шт.

5

116767A1

KIT

- swivel latch, includes (6) lock nuts, (1) push nut and (1) swivel latch, if used

1шт.

Also includes (4) lock nuts for seat adjuster slide on Figure 9-086.

1шт.

6

119171A1

KIT

- spring, also includes seat slide adjuster spring on Figure 9-086

1шт.

7

181169A1

KIT

- cable, fore-aft/swivel mechanism, also includes (4) nuts on Figure 9-086

1шт.

8

253209A1

KIT

- swivel latch, includes (4) lock nuts, (1) rivet, (1) spacer, (1) washer, (1) push nut and (1) swivel latch, if used

1шт.

Выбрано товаров: 15