Запчасти Case 580SL (9-126) - AIR CONDITIONING, CONDENSER AND RECEIVER-DRIER (09) - CHASSIS/ATTACHMENTS

Схема запчастей Case 580SL - (9-126) - AIR CONDITIONING, CONDENSER AND RECEIVER-DRIER (09) - CHASSIS/ATTACHMENTS
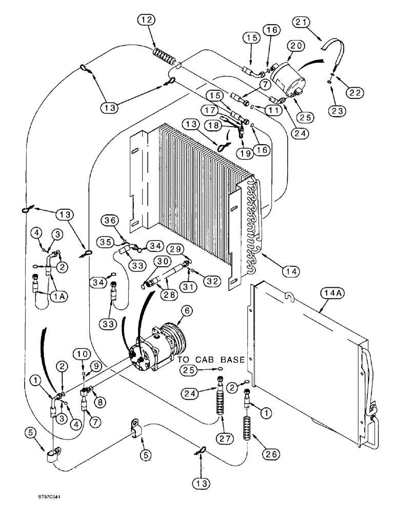
1
2
25
14a
7
24
27
9
20
2
23
12
35
10
16
1
4
26
3
3
2
17
18
36
24
7
1a
34
33
5
22
11
29
4
6
28
13
15
15
31
13
19
33
30
25
5
13
4
8
16
21
32
13
34
FIT
1:1
100%

Артикул

Название

Примечание

Количество

1

124726A1

HOSE

- 3350 mm (131-7/8 inch) long, suction, 90 degree hose end, compressor to cab base, models with heater and air conditioning hoses along the right-hand side of chassis, if used, includes Ref 2-4

1шт.

1a

224792A1

HOSE

- 2930 mm (115-3/8 inch) long, suction, 90 degree hose end, compressor to cab base, models with heater and air conditioning hoses along the left-hand side of chassis, also see Ref 33 hose, if used, Includes: Ref 2-4

1шт.

2

128485A1

O-RING,1.78mm Thk x 14mm ID, 70 Duro

- 9/16 ID x 1/16 inch wide, hose ends

2шт.

3

1250594C1

CORE

VALVE - core, low side service port

1шт.

4

122553A1

CAP

- sealing

1шт.

5

D88052

CLAMP,25.4mm ID, 10.31mm Bolt Hole, P Type

- P-type, 1 inch ID, hose to inner left-hand side of chassis, uses existing hardware, if used

1-2шт.

6

1999755C2

COMPRESSOR

ASSEMBLY - air conditioning, parts list Figure 9-128

1шт.

86993462R

REMAN-COMPRESSOR

580SL; Reman For New P/N 1999755C2

1шт.

86993462C

CORE-COMPRESSOR

Return Part Number

1шт.

48017123R

REMAN-A/C COMP KIT

Reman AC Compressor Kit

1шт.

48017123C

REMAN-A/C COMP KIT

Return Part Number

1шт.

1999755C3R

REMAN-A/C COMPRESSOR

Inc.- 8 Mounting Holes, 2 Groove Pulley, For Use w/HFC134A Refrigerant

1шт.

1999755C3C

CORE-COMPRESSOR

Return Part Number

1шт.

1999755C2C

CORE-A/C COMPRESSOR

Return Part Number

1шт.

7

135931A1

HOSE

- 1600 mm (63 inch) long, 90 degree hose end, compressor to condenser, see Ref 28, if used, Includes: Ref. 8 - 11

1шт.

8

128485A1

O-RING,1.78mm Thk x 14mm ID, 70 Duro

- 9/16 ID x 1/16 inch wide, hose end

1шт.

9

1250594C1

CORE

VALVE - core, high side charge port

1шт.

10

122554A1

CAP

- sealing

1шт.

11

128484A1

O-RING,0.07" Thk x 0.426" ID, -13, Cl 5, 70 Duro

- 7/16 ID x 1/16 inch wide, hose end

1шт.

12

193913A1

PROTECTOR

SLEEVE - hose guard, mounts to item 7 hose at hood hinge bolt area

1шт.

13

L18337

CABLE TIE,9.95"-12.1" lg

STRAP - tie, 15 inch, nylon

1шт.

14

184678A1

CONDENSER

CONDENSER - coil, refrigerant cooler, uses existing oil cooler to radiator hardware, used on models with 139783A1 or 231280A1 oil cooler, see Figure 6-20 for coolers

1шт.

14a

246060A1

ASSEMBLY

CONDENSER - coil, refrigerant cooler, uses existing oil cooler to radiator hardware, used on models with heavy duty 235811A1 oil cooler or 233817A1 standard duty oil cooler, see Figure 6-20 or 6-21A for cooler

1шт.

15

138255A1

HOSE

- 550 mm (25-11/16 inch) long, condenser to receiver-drier, Includes: Ref. 16 - 18

1шт.

16

128483A1

O-RING,1.78mm Thk x 7.65mm ID, 70 Duro

- 5/16 ID x 1/16 inch wide, hose ends

2шт.

17

1250594C1

CORE

VALVE - core, for high pressure switch

1шт.

18

128483A1

O-RING,1.78mm Thk x 7.65mm ID, 70 Duro

- 5/16 ID x 1/16 inch wide, hose

1шт.

19

232948A1

SWITCH, A/C HIGH PRE

SWITCH, A/C HIGH PRESSURE, 400 psi, Replaces 1999925C1 375 psi switch

1шт.

20

1990758C2

RECEIVER-DRYER

RECEIVER-DRIER - air conditioning, refrigerant

1шт.

21

180548A1

HALF-COLLAR

CLAMP - receiver-drier

1шт.

22

895-11008

WASHER,9mm ID x 16mm OD x 1.6mm Thk

- flat, 9 x 17 x 1.6 mm

1шт.

23

832-10408

NUT,M8 x 1.25, Cl 8.8

NUT, M8 x 1.25, Cl 8

1шт.

24

138257A2

HOSE

- 3100 mm (122 inch) long, receiver-drier to cab base, replaces 138257A1 hose, Includes: Ref. 25

1шт.

25

128483A1

O-RING,1.78mm Thk x 7.65mm ID, 70 Duro

- 5/16 ID x 1/16 inch wide, hose ends

2шт.

26

191703A1

HOSE PROTECTION,28mm ID x 34mm OD x 400mm L

SLEEVE - hose guard, 400 mm (15-3/4 inch) long, suction hose, compressor to cab base

1шт.

27

191704A1

HOSE PROTECTION,19mm ID x 25mm OD x 460mm L

SLEEVE - hose guard, 460 mm (18-1/8 inch) long, receiver-drier to cab base hose

1шт.

28

242724A1

HOSE

- 2600 mm (102-3/8 inch) long, straight hose end, compressor to condenser, if used, Includes: Ref. 29 - 32

1шт.

29

128485A1

O-RING,1.78mm Thk x 14mm ID, 70 Duro

- 9/16 ID x 1/16 inch wide, hose end, at compressor

1шт.

30

128484A1

O-RING,0.07" Thk x 0.426" ID, -13, Cl 5, 70 Duro

- 7/16 ID x 1/16 inch wide, hose end

1шт.

31

1250594C1

CORE

VALVE - core, hose, high side charge port

1шт.

32

122554A1

CAP

- sealing

1шт.

33

242722A1

HOSE

- 2930 mm (115-3/8 inch) long, 45 degree hose end, compressor to cab base, models with heater and air conditioning hoses along left-hand side of chassis, replaces Ref. 1A on some models, if used, Includes: Ref. 34 - 36

1шт.

34

128485A1

O-RING,1.78mm Thk x 14mm ID, 70 Duro

- 9/16 ID x 1/16 inch wide, hose end

2шт.

35

1250594C1

CORE

VALVE - core, hose, low side service port

1шт.

36

122553A1

CAP

- sealing

1шт.

Выбрано товаров: 45