Запчасти Case 580SL (2-36) - CYLINDER BLOCK, 4T-390 ENGINE 1989181C1 (02) - ENGINE

Схема запчастей Case 580SL - (2-36) - CYLINDER BLOCK, 4T-390 ENGINE 1989181C1 (02) - ENGINE
14
7
20
24
17
30
23
25
8
6
34
16
1
3
31
2
7
12a
28
39
15
37
26
4
6
6
36
35
12
13
27
7
38
19
5
32
10
9
33
40
11
29
22
18
21
FIT
1:1
100%

Артикул

Название

Примечание

Количество

1989181C1

ENGINE ASSEMBLY

ENGINE ASSY ENGINE ASSEMBLY - complete, 4T-390, includes all parts except starter, alternator, fan, fan belt, air cleaner, muffler and exhaust pipe, for service order basic engine below

1шт.

For correct engine identification make sure that engine part number 1989181C1 is stamped on the engine serial number tag.

1шт.

1989071C2R

REMAN-REPLACEMENT EN

Remanufactured

1шт.

4T-390C

CORE-REPLACEMENT ENG

Return Number

1шт.

1989092C3R

REMAN-BASIC ENGINE

Reman Basic Engine, includes all parts except starter, alternator, fan, fan belt, air cleaner, muffler, exhaust manifold, flywheel and housing, oil fill and dipstick, fuel injection pump, injectors and lines, front pulley, belt tensioner, turbocharger and aftercooler

1шт.

1989092C3C

CORE-BASIC ENGINE

Return Number

1шт.

1989092C2

BASIC ENGINE

ENGINE ASSEMBLY - basic, includes all parts except starter, alternator, fan & belt, air cleaner, muffler, ex manifold, flywheel & housing, oil fill & dipstick, fuel inj pump, injectors & lines, front pulley, belt tensioner, turbocharger & aftercooler

1шт.

Does not include the injection pump drive gear. Dealer needs to remove cover and either use old or new gear and replace cover.

1шт.

JR920387

SKELETON ENGINE

BLOCK ASSEMBLY - short, remanufactured, North America only, component parts on this figure do not apply to the remanufactured assembly, replaces AR77759 remanufactured short block assembly

1шт.

AC77758

CORE-ENGINE

RETURN NUMBER - use this part number to return short block core for credit when using a remanufactured assembly

1шт.

J920387

SKELETON ENGINE

BLOCK ASSEMBLY - short, new, includes stripped block, pistons, connecting rods and bearings, crankshaft and bearings, Includes: Ref. 1 - 8

1шт.

Order J802641 harware kit when ordering J920387 block assembly.

1шт.

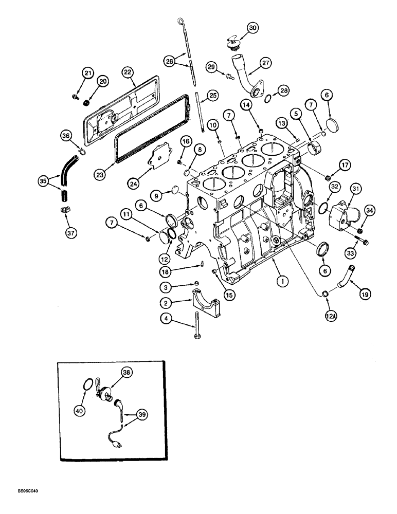
1

J916254

BLOCK ASSY.

BLOCK ASSEMBLY - stripped, engine, no longer available, order J920387 short block assembly and J802641 hardware kit, Includes: Ref. 2 - 8

1шт.

Order J802641 harware kit when ordering J920387 block assembly.

1шт.

2

J900967

BEARING CAP

CAP - main bearing

5шт.

3

J900068

BEARING WASHER

RING - dowel, 18 mm OD, main bearing, Serial Range: cap-block

10шт.

4

J904217

BOLT,Hex, M14 x 2 x 119mm, Cl 12.9

BOLT - main bearing cap, special

10шт.

5

REF

INSTRUCTION

BUSHING - camshaft front, see Figure 2-34, Ref. 2

1шт.

6

A77782

PLUG

PLUG - expansion, 58 mm OD

1шт.

7

J900956

PLUG

PLUG - expansion, 18 mm OD

3шт.

8

41-1616

PLUG,Cup, 1", Stainless

PLUG, , Expansion Cup, 1", Stainless

2шт.

J802641

PACKAGE, REPAIR

KIT - block hardware, replaces J920399 hardware kit, Includes: Ref. 9 - 18

1шт.

Order J802641 harware kit when ordering J920387 block assembly.

1шт.

9

J900958

PLUG

PLUG - expansion, 32 mm OD

2шт.

10

J900955

PLUG

PLUG - expansion, 10 mm OD

1шт.

11

172599

PLUG,Exp, 2 3/8"

PLUG - expansion, Welch, 60 mm OD

1шт.

12

J926047

O-RING,0.07" Thk x 2.239" ID

O-RING - sealing, 57 mm ID

1шт.

12a

J920706

PLUG

PLUG - expansion, 22 mm OD, not used in this application, Ref. 19, J903744 turbocharger oil drain tube is installed in this port

1шт.

13

J900257

PIN,10.01mm OD x 16mm L

PIN - dowel, 16 mm long, locating

2шт.

14

J902343

DOWEL

RING - dowel, 16 mm OD

2шт.

15

J900068

BEARING WASHER

RING - dowel, 18 mm OD

2шт.

16

J906619

PLUG,1/8" - 27

PLUG - hex, 1/8 inch PT

2шт.

17

A77429

PLUG

PLUG - hex socket, 1/2 inch PT

1шт.

18

J930139

NOZZLE CAP

NOZZLE - piston cooling, replaces J919002 nozzle

4шт.

19

J903744

PIPE FITTING,22.42 mm ID x 28 mm OD x 90.2, 64 mm L

TUBE - turbocharger oil drain

1шт.

20

J900267

SEAL

SEAL - cover bolt

4шт.

21

845-8020

BOLT,Hvy Hex, M8 x 20mm, Cl 8.8

BOLT - heavy hex flange, 8-1.25 x 20 mm

2шт.

22

J925680

COVER

COVER - tappet

1шт.

23

J928831

GASKET

GASKET - tappet cover, replaces J922078 gasket

1шт.

24

J907586

BAFFLE

BAFFLE - tappet cover

1шт.

25

J905779

TUBE,9.52 mm OD x 228 mm L

TUBE - dipstick

1шт.

26

J905781

DIPSTICK

DIPSTICK - oil level gauge

1шт.

27

J905440

TUBE

TUBE - oil fill

1шт.

28

J906696

SEAL,41mm ID x 43mm OD x 2.5mm H

O-RING - 38 mm (1-1/2 inch) ID

1шт.

29

854-12025

BOLT,Hvy Hex, M12 x 25mm, Cl 10.9

BOLT - heavy hex flange, 12-1.75 x 25 mm, class 10.9

2шт.

30

A77424

FILLER CAP

CAP - oil fill tube

1шт.

31

J903102

CONNECTION

CONNECTION - water inlet

1шт.

32

J906697

SEAL,Square, 5.16mm Thk x 50.17mm ID

O-RING - sealing, 50 mm ID

1шт.

33

854-10075

BOLT,Hvy Hex, M10 x 75mm, Cl 10.9

BOLT - heavy hex flange, 10-1.5 x 75 mm, class 10.9

3шт.

34

A77429

PLUG

PLUG - hex socket, 1/2 inch PT

2шт.

35

J918612

TUBE,360.00 mm

Breather

1шт.

36

J904230

CLAMP,25.4mm

CLAMP - spring, hose

1шт.

37

J909670

CLIP

CLIP - retaining

1шт.

196803A1

KIT

KIT - engine block heater, replaces A77634 kit, Includes: Ref. 38 - 40

1шт.

38

NSS

NOT SOLD SEPARAT

ELEMENT - engine heater, 120 volt

1шт.

39

196466A1

ELECTRIC CABLE

CABLE - engine block heater, replaces J905113 cable

1шт.

40

J910517

O-RING

O-RING - heater sealing

1шт.

309651A1

KIT

KIT block heater, new style threaded, Consists of: J940911 Element Assy. (NSS) and 196466A1 Cord, rated at 120V/750W.

1шт.

Выбрано товаров: 58