Запчасти Case 580SL (4-14) - DUAL BATTERY COLD START (04) - ELECTRICAL SYSTEMS

Схема запчастей Case 580SL - (4-14) - DUAL BATTERY COLD START (04) - ELECTRICAL SYSTEMS
1
9
3
4
4
4
11
2
7
10
5
3
8
6
FIT
1:1
100%

Артикул

Название

Примечание

Количество

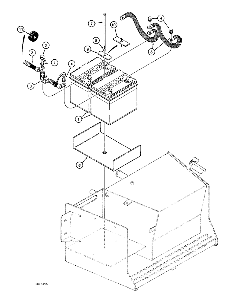
1

BMF28S

BATTERY, DRY

BATTERY - dry charged, 12 volt, models with cold start

2шт.

2

184498A1

CABLE

- positive, 1460 mm long

1шт.

3

184497A1

CABLE

- positive jumper, 227 mm long

1шт.

4

D126409

NUT,Hex, M14, 20mm OD, 3/8" - 16

- hex, special, 3/8 inch NC, battery terminal

4шт.

5

D73383

STRAP

- ground, flat

2шт.

6

181338A1

LARGE PLATE

PLATE - battery mounting

1шт.

7

814-10245

BOLT,Hex, M10 x 1.5 x 245mm, Cl 8.8

- hex, 10-1.5 x 245 mm

1шт.

8

495-11041

WASHER,0.406" ID x 0.812" OD x 0.065" W

(Flat, 13/32 x 13/16 x 1/16") 3/8", SAE

1шт.

9

181350A1

STRAP

RETAINER - battery plate, top, if used

1шт.

10

250854A1

STRAP

RETAINER - battery plate, top, if used

1шт.

11

257279A1

GROMMET

- battery cable, mounts in chassis side channel

2шт.

Выбрано товаров: 11