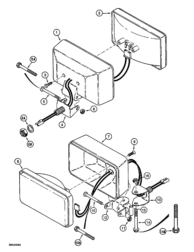
Запчасти Case 580SL (4-32) - CANOPY TRACTOR LAMPS, FRONT DRIVING, REAR FLOOD, AND FRONT AND REAR WORK LAMPS (04) - ELECTRICAL SYSTEMS

Схема запчастей Case 580SL - (4-32) - CANOPY TRACTOR LAMPS, FRONT DRIVING, REAR FLOOD, AND FRONT AND REAR WORK LAMPS (04) - ELECTRICAL SYSTEMS
5
14a
12
1
6
11
14
8
16
10
2
6b
13
15
3
7
5a
10a
9
4
6a
FIT
1:1
100%

Артикул

Название

Примечание

Количество

D132681

LAMP,Halogen, 12V, 50W, Clear

ASSEMBLY - front driving, no longer available, order ZAA7376350 lamp package, Includes: Ref. 1 - 6B

2шт.

1

NSS

NOT SOLD SEPARAT

HOUSING - lamp, front driving assembly

1шт.

2

91946C1

LAMP

BULB - sealed beam, front driving assembly

1шт.

3

273-10510

SELF-TAP SCREW,Slotted Flat Hd, #10 x 5/8"

SCREW - self-tapping, flat head slotted, No. 10-16 x 5/8 inch, front driving assembly

2шт.

4

N14284

BRACKET

- lamp, front driving assembly

1шт.

5

70-12532

SCREW,Slotted Pan Hd, 1/4"-20 x 2"

- machine, pan head slotted, 1/4 NC x 2 inch, housing to bracket, production, front driving assembly

1шт.

5a

413-432

BOLT,Hex, 1/4" - 20 x 2", Gr 5

Service, front driving assembly Hex, 1/4"-20 x 2", G5

1шт.

6

231-1444

NUT,1/4"-20, GB

NUT, LOCK, , Front Driving Assembly 1/4"-20, GB

1шт.

6a

80679

LOCK WASHER,1/20.507 CST ZND

WASHER, LOCK, , Front driving assembly 1/2"

1шт.

6b

425-108

NUT,1/2" - 13, Gr 5

NUT, , Hex, Front driving assembly 1/2"-13, G5

1шт.

D132682

HEADLIGHT,Halogen, 12V, 50W, Clear

LAMP ASSEMBLY - flood and work, rear flood (outer) and center front and rear work lamps, no longer available, order ZAA7376150 lamp package and ZAA8066600 mounting kit package, Includes: Ref. 7 - 16

6шт.

7

NSS

NOT SOLD SEPARAT

HOUSING - lamp

1шт.

8

91947C1

LAMP

BULB - sealed beam

1шт.

9

273-10510

SELF-TAP SCREW,Slotted Flat Hd, #10 x 5/8"

SCREW - self-tapping, flat head slotted, No. 10-16 x 5/8 inch

2шт.

10

70-12532

SCREW,Slotted Pan Hd, 1/4"-20 x 2"

- machine, pan head slotted, 1/4 NC x 2 inch, housing to bracket, production

1шт.

10a

413-432

BOLT,Hex, 1/4" - 20 x 2", Gr 5

Service Hex, 1/4"-20 x 2", G5

1шт.

11

231-1444

NUT,1/4"-20, GB

NUT, LOCK, 1/4"-20, GB

1шт.

12

N14285

SUPPORT

BRACKET - lamp, mounting

1шт.

13

A52216

SUPPORT

BRACKET - mounting, lamp, includes stud

1шт.

14

121-119

BOLT,Hex Flg, 5/16"-18 x 2 1/4", Serr

Used in production, for service order Ref. 14A Hex Flg, 5/16"-18 x 2 1/4", Serr

1шт.

14a

413-536

BOLT,Hex, 5/16" - 18 x 2-1/4", Gr 5

- hex, 5/16 NC x 2-1/4 inch, service

1шт.

15

65881H

SPACER,1/4" Pipe x 1 1/4"

- tubular, 1/4 x 1-1/4 inch, replaces A52219 spacer

1шт.

16

231-1445

NUT,5/16"-18, GB

NUT - hex, self-locking, 5/16 inch NC

1шт.

Выбрано товаров: 23