Запчасти Case 580SL (6-064) - CARRARO TRANSMISSION ASSY, TRANS HOUSING, 2 WHEEL DRIVE, MODELS WITHOUT POWERSHIFT TRANSMISSION (06) - POWER TRAIN

Схема запчастей Case 580SL - (6-064) - CARRARO TRANSMISSION ASSY, TRANS HOUSING, 2 WHEEL DRIVE, MODELS WITHOUT POWERSHIFT TRANSMISSION (06) - POWER TRAIN
8a
8
12
12
5
7
10
10b
1a
4
5
3
11
3
10a
13
4
11
2
6
9
1
14
FIT
1:1
100%

Артикул

Название

Примечание

Количество

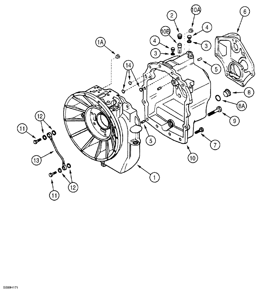
329076A1

TRANSMISSION

ASSEMBLY, two wheel drive, new, with integrated differential lock solenoid valve, parts list Figs. 6-62 - 6-84, Includes: Refs. 1-14

1шт.

1

310768A1

HOUSING

front half, use with Loctite 510 or 518 as a gasket eliminator, Includes: Ref. 1A

1шт.

1a

E135809

PLUG

housing, if used

1шт.

2

1530028C1

BREATHER

Housing

1шт.

310772A1

VENTILATION PIPE,18 mm OD, 42 mm Length

Oil, Breather, 18 OD x 42 mm long, Not shown

1шт.

3

934667R1

SEALING RING,M10 x 14 x 1

Special

3шт.

4

181100A1

PLUG,1/8 CAS x 8

housing

3шт.

5

K260177

PIN

dowel, special, 10 x 25 mm

3шт.

6

181197A1

COVER

housing, rear half, use with Superbond 539 as a gasket elimmator

1шт.

7

614-10030

BOLT,Hex, M10 x 1.5 x 30mm, Cl 8.8, Full Thd

19шт.

8

100557A1

PLUG, DRAIN,M30 x 2

Includes: Ref. 8A

1шт.

8a

238-6121

O-RING,0.103" Thk x 1.049" ID, -121, Cl 6, 90 Duro

1шт.

9

814-10150

BOLT,Hex, M10 x 1.5 x 150mm, Cl 8.8

BOLT hex, 10 - 1.5 x 150 mm

2шт.

10

310767A1

HOUSING

rear half, use with Superbond 539 as a gasket eliminator, Includes: Refs. 10A & 10B

1шт.

10a

E135809

PLUG

housing, if used

1шт.

10b

310772A1

VENTILATION PIPE,18 mm OD, 42 mm Length

Oil, Breather, 18 OD x 42 mm long, Not shown

1шт.

11

181179A1

BANJO BOLT

Hex, Special

2шт.

12

181105A1

SEALING WASHER,14mm ID x 20mm OD x 1.5mm Thk

flat, special, 14 x 20 x 1.5 mm

4шт.

13

181232A1

TUBE

TUBE oil lubrication

1шт.

14

181141A1

O-RING,17.12mm ID x 2.62mm Width

housing

3шт.

Выбрано товаров: 0