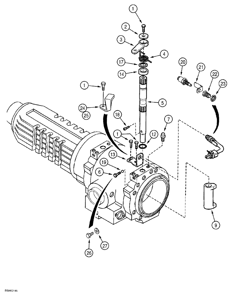
Запчасти Case 580SL (7-005C) - REAR DRIVE AXLE, PARKING BRAKE - P/N 308027A1 & 319064A1 (07) - BRAKES

Схема запчастей Case 580SL - (7-005C) - REAR DRIVE AXLE, PARKING BRAKE - P/N 308027A1 & 319064A1 (07) - BRAKES
18
1
19
22
25
20
1
1
4
9
7
17
24
26
6
23
12
21
27
14
3
12
5
2
FIT
1:1
100%

Артикул

Название

Примечание

Количество

308027A1

AXLE, REAR

AXLE REAR ASSEMBLY, rear drive, models without powershift transmission, Includes: Ref. 1-27, see Fig. 6-174 - 6-186, 7-5A and 7-5C

1шт.

319064A1

AXLE, REAR

AXLE REAR ASSEMBLY, rear drive, models with powershift transmission, Includes: Ref. 1-27, see Fig. 6-174 - 6-186, 7-5A and 7-5C

1шт.

87350699

REMAN-REAR AXLE

REMANUFACTURED REAR AXLE - NA Only

1шт.

87350700

CORE-REAR AXLE

Return Number, REAR AXLE - NA Only

1шт.

1

190451A1

LOCK BOLT,M8 x 20mm

BOLT special, 8 x 20 mm

6шт.

Included with Parking Brake Kit, 279645A1

1шт.

2

190463A1

WASHER

flat

2шт.

3

280436A1

LEVER

brake, 100 mm

2шт.

4

190476A2

SPRING

left hand, shown

1шт.

4

190477A2

SPRING

right hand, not shown

1шт.

5

308040A1

SHAFT

brake control

2шт.

6

283462A1

BOLT

BOLT special, 8 - 1.0 x 23.5 mm

2шт.

7

E135810

VENTING SCREW

PLUG brake bleeder, brake housing

2шт.

9

196085A1

CAM

brake

2шт.

12

321183A1

O-RING

special, replaces P/N 190448A1

2шт.

Included with Parking Brake Kit, 279645A1

1шт.

13

256478A1

SUPPORT

BRACKET stop

2шт.

Included with Parking Brake Kit, 279645A1

1шт.

14

256481A1

SPACER

BUSHING shaft

2шт.

Included with Parking Brake Kit, 279645A1

1шт.

17

256482A1

SHIM

shaft

2шт.

Included with Parking Brake Kit, 279645A1

1шт.

18

256485A1

BOLT

BOLT special, 6 x 16 mm

2шт.

19

283466A1

BALL

6.5 mm

2шт.

281952A1

KIT

switch, park brake, Includes: Refs. 20-23

2шт.

20

280450A1

PARK BRAKE SWITCH

brake

1шт.

21

280452A1

BRACKET

switch guard, lever

1шт.

22

280457A1

LEVER

SLEEVE switch

1шт.

23

281960A1

NUT

special, 16 mm - 1.5

1шт.

279645A1

PACKAGE, REPAIR

KIT parking brake, external adjustment parts, includes instructions, Includes: Ref. 24-27, also includes Ref. 1 , 12 - 17 and P/N 281952A1 switch kit Ref. 24-27), if used

1шт.

24

259254A1

RETAINER

left hand

1шт.

Included with Parking Brake Kit, 279645A1

1шт.

25

280443A1

RETAINER

right hand

1шт.

Included with Parking Brake Kit, 279645A1

1шт.

26

514-634

BOLT,Hex, M8 x 1 x 16mm, Cl 8.8, Full Thd

BOLT hex, full thread, 8 - 1.0 x 16 mm

2шт.

Included with Parking Brake Kit, 279645A1

1шт.

27

181104A1

COPPER WASHER

sealing

2шт.

Included with Parking Brake Kit, 279645A1

1шт.

Выбрано товаров: 38