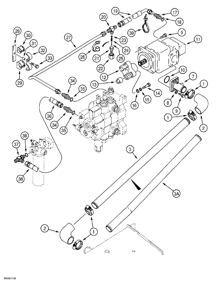
Запчасти Case 580SL (8-005A) - EQUIP HYDRAULIC SYSTEM, RESERVOIR TO LOADER CONTROL & LOADER VALVE TO FILTER, W/TUBE FLANGE AT PUMP (08) - HYDRAULICS

Схема запчастей Case 580SL - (8-005A) - EQUIP HYDRAULIC SYSTEM, RESERVOIR TO LOADER CONTROL & LOADER VALVE TO FILTER, W/TUBE FLANGE AT PUMP (08) - HYDRAULICS
17
34
28
2
3
38
9
30
9
10
15
13
27
7
1
36
1
22
3
17
1
11
24
16
26
35
20
34
8
14
21
35
37
12
19
39
33
2
29
23
25
32
31
36
FIT
1:1
100%

Артикул

Название

Примечание

Количество

1

259044A1

CLAMP

tube

4шт.

2

282497A1

HYDRAULIC HOSE,51.00 mm ID x 102.00 mm, SAE 30R7

Suction, at hydraulic tank and pump

2шт.

3

301273A1

TUBE,50.8 mm OD, 950 mm Length

suction, straight, if used

1шт.

3a

346198A1

TUBE,50.8 mm OD, 950 mm Length

TUBE suction, slight bend, if used

1шт.

7

308441A1

FLANGE

FLANGE tube

1шт.

8

895-15012

WASHER,M12 x 28 x 2.5

flat, 125 mm

4шт.

9

614-12035

BOLT,Hex, M12 x 1.75 x 35mm, Cl 8.8, Full Thd

8шт.

10

238-5228

O-RING,0.139" Thk x 2.234" ID, -228, Cl 5, 75 Duro

1шт.

11

257954A1

PUMP, HYDRAULIC

ASSEMBLY, equipment, with 17 teeth shaft gear set, parts list Fig. 8-70; No Longer Available, Order 87433897 Complete Pump, 87437920 Coupling, 87429360 Adapter Plate

1шт.

See Service Bulletin NLB SB 002 2004 Before Installing, N.A. Only

1шт.

11

87433897R

REMAN-HYD PUMP

580SL - SERIES-2 LOADER BACKHOE - Reman For New P/N 257954A1

1шт.

11

87433897C

CORE-HYDRAULIC PUMP

Return Number

1шт.

257948A1

FLEXIBLE COUPLING,Flex, 17T

flex, 17 teeth, with steel plug, Includes: Refs. 12 & 13

1шт.

12

NSS

NOT SOLD SEPARAT

COUPLING pump

1шт.

13

N14330

BUSHING,11.38mm ID x 25.15mm OD x 23.11mm L

coupling

4шт.

14

413-728

BOLT,Hex, 7/16" - 14 x 1-3/4", Gr 5

4шт.

15

492-11044

LOCK WASHER,7/16"

4шт.

16

A30013

WASHER,11.51mm ID x 19.05mm OD x 1.59mm Thk

special, hardened

4шт.

17

218-5077

HYD CONNECTOR,1-1/16" - 12 Male JIC x 1-5/16" - 12 Male ORB

ADAPTER, Incl. Ref. 18

1шт.

18

237-6016

O-RING,0.116" Thk x 1.171" ID, -916, Cl 6, 90 Duro

1шт.

19

144215A1

HOSE,19.05mm ID x 576mm L

576 mm (22-11/16 inch) long, large pump section port

1шт.

20

218-587

TEE,37 Degree, 1 5/16"-12 x 1 1/16"-12, Br

1-1/16-12 flare branch x 1-5/16-12 inch flare x flare, pump outlet hose to loader valve inlet tube

1шт.

D137625

QUICK MALE COUPLING,1 - 1/16" - 12UNF - 2B ID

Quick disconnect, Includes Ref. 21-25

1шт.

21

NSS

NOT SOLD SEPARAT

BODY coupling

1шт.

22

425-1120

NUT,1 1/4"-12, G5

hex, 1-1/4 inch NF

1шт.

23

NSS

NOT SOLD SEPARAT

SEAT spring

1шт.

24

NSS

NOT SOLD SEPARAT

SPRING coupling

1шт.

25

NSS

NOT SOLD SEPARAT

POPPET coupling

1шт.

26

H434163

DUST CAP

Coupler

1шт.

27

370137A1

TUBE,25.4 mm OD, 845, 524 mm Length

TUBE tee to loader control valve inlet, see Fig. 8-12 Refs. 19 - 23 for tube clamps near loader valve, used with Ref. 34 adapter, used without loader hydraulic tool quick coupler, replaces P/N 122125A1

1шт.

28

115507A1

SUPPORT

PLATE mounting

1шт.

29

D67297

BLOCK

INSULATOR rubber, tube

1шт.

30

D143797

SHOCK ABSORBER

INSULATOR, 5/8 inch, tube, small pump section tube to backhoe valve, see Fig. 8-6, Refs. 4 and 5, for tube and insulator

1шт.

31

R46493

SPACER,0.406" ID x 0.625" OD x 0.850" Thk

split, 22 mm (7/8 inch) long

1шт.

32

D143422

SHIN

CLAMP double tube

1шт.

33

814-10050

BOLT,Hex, M10 x 1.5 x 50mm, Cl 8.8

1шт.

34

218-5069

HYD CONNECTOR,1-5/16" - 12 Male JIC x 1-5/16" - 12 Male ORB

Adapter straight, 1-5/16-12 inch flare x O-ring boss, Incl. Ref. 35, at loader valve inlet and outlet ports, adapter at upper port is replaced by a tee on models with loader hydraulic tool quick coupler, see Fig. 8-64, Ref. 10

2шт.

35

237-6016

O-RING,0.116" Thk x 1.171" ID, -916, Cl 6, 90 Duro

1шт.

36

144227A2

HOSE,19.05mm ID x 472mm L

472 mm (18-19/32 inch) long, loader valve to filter, models without ride control, see Fig. 8-60 forparts used on models with ride control, replaces P/N 144227A1 520 mm long hose

1шт.

37

218-5245

TEE,1-5/16" - 12 Male JIC x 1-5/16" - 12 Male JIC x 1-5/16" - 12 Male ORB

TEE, 1 -5/1 6-12 inch flare branch x flare x adj. O-ring boss, loader valve to filter and filter to backhoe control valve, Includes: Ref. 38

1шт.

38

237-6016

O-RING,0.116" Thk x 1.171" ID, -916, Cl 6, 90 Duro

1шт.

39

L18337

CABLE TIE,9.95"-12.1" lg

CABLE STRAP tie, 15 inch, if used

1шт.

Выбрано товаров: 0