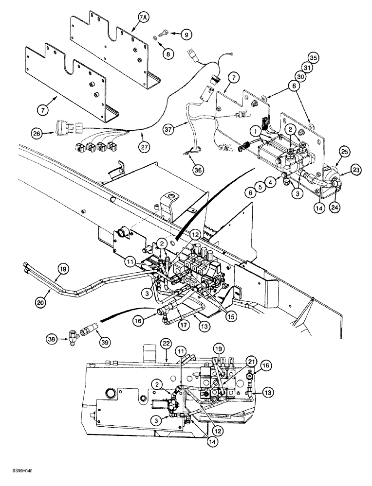
Запчасти Case 580SL (8-060) - RIDE CONTROL HYDRAULIC AND ELECTRICAL CIRCUIT (08) - HYDRAULICS

Схема запчастей Case 580SL - (8-060) - RIDE CONTROL HYDRAULIC AND ELECTRICAL CIRCUIT (08) - HYDRAULICS
14
2
26
16
27
11
4
2
30
17
39
20
2
9
22
11
15
31
14
7
12
36
12
13
3
19
3
24
38
7
6
13
6
5
37
8
21
1
16
3
23
19
7a
25
35
FIT
1:1
100%

Артикул

Название

Примечание

Количество

1

297977A2

SOLENOID VALVE

ASSEMBLY, two way, ride control, dual, includes two valves, Includes: Seal Kit and Repair Kit

1шт.

313310A1

GASKET KIT

seal, includes (4) O-rings which are not serviced separately (one kit per valve)

2шт.

313311A1

PACKAGE, REPAIR

KIT, includes (1) poppet, (2) springs, (1) guide tube and case assembly and P/N 237896A1 coil

2шт.

237896A1

COIL

COIL solenoid

1шт.

2

218-5145

ELBOW,45 Degree Elbow, 7/8" - 14 Male JIC x 3/4" - 16 Male ORB

Upper port of solenoid valves, Includes: Ref. 2A

2шт.

2a

237-6008

O-RING,0.087" Thk x 0.644" ID, -908, Cl 6, 90 Duro

Not shown

1шт.

3

218-5117

ELBOW,90 Degree Elbow, 7/8" - 14 Male JIC x 3/4" - 16 Male ORB

ELBOW, 90 degree, 7/8-14 flare x 3/4-16 inch adj. O-ring boss, lower port of solenoid valves, Includes: Ref. 3A

2шт.

3a

237-6008

O-RING,0.087" Thk x 0.644" ID, -908, Cl 6, 90 Duro

Not shown

1шт.

4

814-10140

BOLT,Hex, M10 x 1.5 x 140mm, Cl 8.8

2шт.

6

892-11010

LOCK WASHER,M10

4шт.

7

240693A2

SUPPORT

PLATE mounting, two way solenoid valve, with 14.3 mm thick tapped boss, if used

1шт.

7a

278169A1

PLATE

mounting, two way solenoid valve, with 6 mm thick tapped boss, if used

1шт.

8

330083A1

SPACER,11mm ID x 40mm OD x 10mm Thk

11 x 40 x 10 mm thick, used with 278169A1 plate

2шт.

9

711-10040

CARRIAGE BOLT,Short NK, M10 x 40, Cl8.8, Full Thd

Used with Ref. 6, 31 and 35, used with Ref. 8 spacer on Ref 7A plate

2шт.

11

240709A4

TUBE

TUBE left hand solenoid valve upper port to tee at loader control valve lift section upper port

1шт.

12

240711A4

TUBE

TUBE right hand solenoid valve upper port to tee at loader control valve lift section lower port

1шт.

13

240706A2

TUBE

TUBE left hand solenoid valve lower port to tee at filter, models with ride control but without hydraulic tool quick coupler, see Ref. 39 for models with both

1шт.

14

240703A2

TUBE,15.88 mm OD

TUBE accumulator to right hand solenoid valve lower port

1шт.

15

218-5220

TEE,37 Degree, 7/8"-14 x 7/8"-14, Fem Sw Run

swivel, 7/8-14 inch flare branch x flare x adj. straight thread, attaches to tees at loader control valve lift section, see Fig. 8-11 for tee at lift section upper and lower ports

2шт.

16

218-5490

TEE,37 Degree, 1 1/16"-12x1 1/16"-12, Fem Sw Runx7/8"-14 Br

TEE, 7/8-14 flare branch x 1-5/16-12 inch flare x swivel, attaches to existing tee at filter (Ref. 35, Fig. 8-4)

1шт.

17

230078A2

HOSE

415 mm (16-3/8 inch) long, replaces existing hose from loader valve to filter (Ref. 34, Fig. 8-4)

1шт.

19

230072A1

TUBE

TUBE replaces existing tube (Fig. 8-11) at loader valve upper lift port to left hand loader lift cylinder rod end

1шт.

20

230073A1

TUBE

TUBE replaces existing tube (Fig. 8-11) at loader valve lower lift port to left hand loader lift cylinder closed end

1шт.

23

234412A1

ACCUMULATOR,0.98L

ASSEMBLY, hydraulic, ride control, parts list Fig. 8-122

1шт.

24

218-5600

ELBOW,90 Degree, 7/8"-14, 37 Degree x 3/4"-16, O-Ring

ELBOW, 90 degree, 7/8-14 flare x 3/4-16 inch adj. O-ring boss, Includes: Ref. 24A

1шт.

24a

237-6008

O-RING,0.087" Thk x 0.644" ID, -908, Cl 6, 90 Duro

Not shown

1шт.

25

A13240

CLAMP,2-5/8" ID

two piece, includes hardware

2шт.

26

235002A1

ROCKER SWITCH

ride control, mounts in side instrument panel console

1шт.

27

296508A2

HARNESS

side console options, ride control switch to chassis options harness and fuse block

1шт.

30

711-10030

CARRIAGE BOLT,Sq Nk, M10 x 1.5 x 30mm, Cl 8.8

BOLT carriage, 10 - 1.5 x 30 mm, if used

2шт.

32

121413A1

FUSE,15A, Mini, Blue

Not shown

1шт.

33

255927A1

WARNING DECAL

Warning, do not turn the ride control on, if the loader arms and bucket are holding the front of the machine off the ground, mounts on console by ride switch, not shown, see Fig. 9-156 for decal

1шт.

34

256318A1

DECAL

Warning, pressure accumulator in loader hydraulic system, mounts on accumulator mounting plate, not shown, see Fig.9-156 for decal

1шт.

36

L18337

CABLE TIE,9.95"-12.1" lg

CABLE STRAP tie, 15 inch

2шт.

37

302803A2

HARNESS

chassis options, connects to side console options harness, replaces P/N 302803A1

1шт.

38

218-5220

TEE,37 Degree, 7/8"-14 x 7/8"-14, Fem Sw Run

swivel, 7/8-14 inch flare branch x flare x adj. straight thread, models with both ride control

1шт.

39

293037A1

TUBE,15.88 mm OD, 485, 374 mm Length

left hand solenoid valve lower port to tee at filter, models with both ride control and hydraulic tool quick coupler

1шт.

35

895-15010

WASHER,11mm ID x 24mm OD x 2mm Thk

2шт.

31

829-1410

NUT,M10 x 1.5, Cl 10.9

2шт.

5

895-11010

WASHER,11mm ID x 20mm OD x 2mm Thk

2шт.

Выбрано товаров: 40