Запчасти Case 580SL (8-088) - BACKHOE CONTROL VALVES MODELS WITHOUT EXTENDABLE DIPPER, W/O AUX. HYD. - P/N 243135A2 & 243136A2 (08) - HYDRAULICS

Схема запчастей Case 580SL - (8-088) - BACKHOE CONTROL VALVES MODELS WITHOUT EXTENDABLE DIPPER, W/O AUX. HYD. - P/N 243135A2 & 243136A2 (08) - HYDRAULICS
9
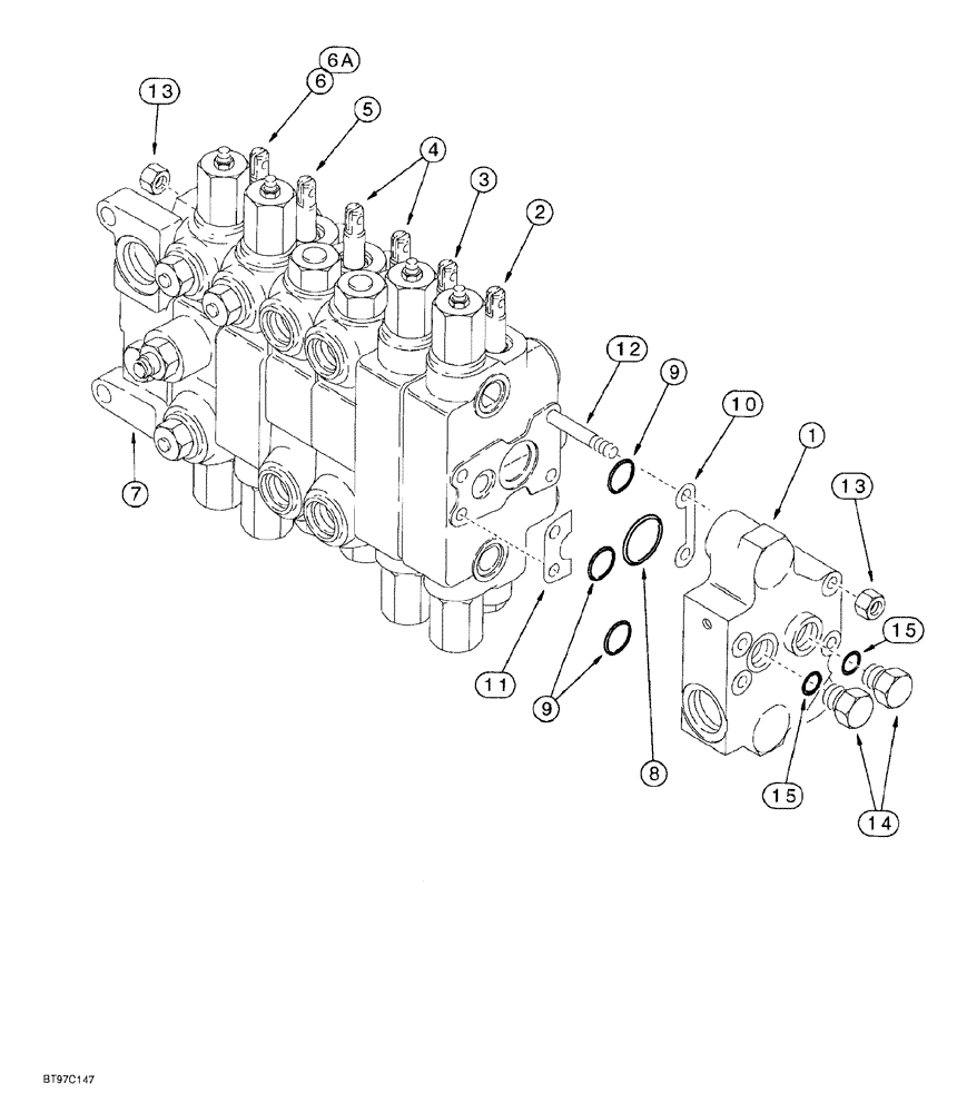
2
14
15
5
13
7
3
6a
12
13
9
15
11
10
4
8
6
1
FIT
1:1
100%

Артикул

Название

Примечание

Количество

243135A2

VALVE ASSEMBLY, backhoe control, 6 spool, foot swing, Replaces: P/N 243135A1, Includes: Ref. 1-15, boom and swing section spool eyes are not color coded; without check valve in outlet section; if used

1шт.

243136A2

VALVE ASSEMBLY, backhoe control, 6 spool, hand swing, Replaces: P/N 243136A1, Includes: Ref. 1-15, boom and swing section spool eyes are not color coded; without check valve in outlet section; if used

1шт.

1

113248A3

HYD VALVE SECTION

ASSEMBLY, outlet, with hex plug, without check valve, Replaces: P/N 113248A2 section with hex socket head plug; See Figure 8-96

1шт.

2

129864A4

HYD VALVE SECTION

ASSEMBLY, bucket, See Figure 8-98

1шт.

3

136610A5

HYD VALVE SECTION

ASSEMBLY, dipper, See Figure 8-100

1шт.

4

253989A2

HYD VALVE SECTION

ASSEMBLY, stabilizer, left hand and right hand, See Figure 8-102

2шт.

5

144321A5

HYD VALVE SECTION

ASSEMBLY, boom, See Figure 8-104 and 8-16

1шт.

6

241088A3

HYD VALVE SECTION

ASSEMBLY, swing, foot swing control valve, See Figure 8-108 and 8-110

1шт.

6a

243145A3

HYD VALVE SECTION

ASSEMBLY, swing, hand swing control valve, See Figure 8-108 and 8-110

1шт.

7

1542829C1

HYD VALVE SECTION

ASSEMBLY inlet, See Figure 8-97A

1шт.

8

238-6127

O-RING,0.103" Thk x 1.424" ID, -127, Cl 6, 90 Duro

Section ports

7шт.

Part of seal kit 1346107C2

1шт.

9

238-6119

O-RING,0.103" Thk x 0.924" ID, -119, Cl 6, 90 Duro

Section ports, small

21шт.

Part of seal kit 1346107C2

1шт.

10

G107251

SHIM,10.31mm ID x 20.62mm OD x 0.06mm Thk

Section

7шт.

11

G33965

SHIM,22.86mm OD x 0.06mm Thk

Section

7шт.

12

G108900

STUD

tie, 3/8 NC x 16-15/16 inch

4шт.

13

425-106

NUT,3/8"-16, Cl 5

8шт.

14

86512512

PLUG,7/8" - 14 ORB

Outlet section, Incl. Ref. 15

2шт.

15

237-6010

O-RING,0.097" Thk x 0.755" ID, -910, Cl 6, 90 Duro

1шт.

1346107C2

SEAL KIT

seal, Includes: Refs. 8 and 9, plus additional O-rings not required in this application

1шт.

Выбрано товаров: 21