Запчасти Case 580SL (8-091A) - BACKHOE CONTROL VALVES, MODELS WITHOUT EXTENDABLE DIPPER, W/AUX. HYD. - P/N 333578A1 & 333579A1 (08) - HYDRAULICS

Схема запчастей Case 580SL - (8-091A) - BACKHOE CONTROL VALVES, MODELS WITHOUT EXTENDABLE DIPPER, W/AUX. HYD. - P/N 333578A1 & 333579A1 (08) - HYDRAULICS
11
7a
14
16
10
3
9
7
4
14
2
6
8
12
5
15
16
13
1
10
FIT
1:1
100%

Артикул

Название

Примечание

Количество

333578A1

VALVE, CONTROL

ASSEMBLY, backhoe control, 7 spool, foot swing, Replaces: P/N 243139A4, Includes: Ref. 1-16

1шт.

Boom and swing section spool eyes are color coded green and orange, respectively; with check valve in outlet section; with female clevis spool eye in options section; if used

1шт.

333579A1

VALVE, CONTROL

ASSEMBLY, backhoe control, 7 spool, hand swing, Replaces: P/N 243141A4, Includes: Ref. 1-16

1шт.

Boom and swing section spool eyes are color coded green and orange, respectively; with check valve in outlet section; with female clevis spool eye in options section; if used

1шт.

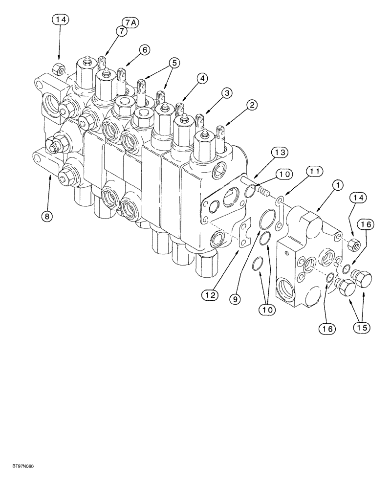
1

327867A1

HYD VALVE SECTION

ASSEMBLY, outlet, with hex plug, with check valve, See Figure 8-96

1шт.

2

333417A1

HYD VALVE SECTION

ASSEMBLY, options, female clevis spool eye, auxiliary hydraulics, See Figure 8-114

1шт.

3

129864A4

HYD VALVE SECTION

ASSEMBLY, bucket, See Figure 8-98

1шт.

4

136610A5

HYD VALVE SECTION

ASSEMBLY, dipper, See Figure 8-100

1шт.

5

253989A3

VALVE SECTION

ASSEMBLY, stabilizer, left hand and right hand, See Figure 8-102

2шт.

6

144321A6

HYD VALVE SECTION

ASSEMBLY, boom, See Figure 8-104 and 8-106

1шт.

7

241088A4

HYD VALVE SECTION

ASSEMBLY, swing, foot swing control valve, See Figure 8-108 and 8-110

1шт.

7a

243145A4

HYD VALVE SECTION

ASSEMBLY, swing, hand swing control valve, See Figure 8-108 and 8-110

1шт.

8

1542829C1

HYD VALVE SECTION

ASSEMBLY, inlet, See Figure 8-97A

1шт.

9

238-6127

O-RING,0.103" Thk x 1.424" ID, -127, Cl 6, 90 Duro

Section ports

8шт.

Part of seal kit 1346107C2

1шт.

10

238-6119

O-RING,0.103" Thk x 0.924" ID, -119, Cl 6, 90 Duro

Section ports, small

24шт.

Part of seal kit 1346107C2

1шт.

11

G107251

SHIM,10.31mm ID x 20.62mm OD x 0.06mm Thk

Section

8шт.

12

G33965

SHIM,22.86mm OD x 0.06mm Thk

Section

8шт.

13

G108899

ROD

tie, 3/8 NC x 18-15/16 inch

4шт.

14

425-106

NUT,3/8"-16, Cl 5

8шт.

15

86512512

PLUG,7/8" - 14 ORB

Incl. Ref. 16

2шт.

16

237-6010

O-RING,0.097" Thk x 0.755" ID, -910, Cl 6, 90 Duro

1шт.

1346107C2

SEAL KIT

seal, Includes: Refs. 8 and 9, plus additional O-rings not required for this application

1шт.

Выбрано товаров: 24