Запчасти Case 580SL (8-095A) - BACKHOE CONTROL VALVES, MODELS WITH EXTENDABLE DIPPER, W/AUX. HYDRAULICS - P/N 333580A1 & 333581A1 (08) - HYDRAULICS

Схема запчастей Case 580SL - (8-095A) - BACKHOE CONTROL VALVES, MODELS WITH EXTENDABLE DIPPER, W/AUX. HYDRAULICS - P/N 333580A1 & 333581A1 (08) - HYDRAULICS
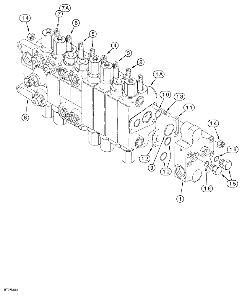
16
14
4
7a
16
1
1a
9
6
14
10
11
15
10
5
8
3
7
2
12
13
FIT
1:1
100%

Артикул

Название

Примечание

Количество

333580A1

VALVE, CONTROL

ASSY, backhoe control, Includes: Ref. 1-16 18 spool, foot swing, Replaces 243142A4,boom & swing section spool eyes are color coded green and orange, respectively; with check valve in outlet section; with female clevis spool eye in options section; if used

1шт.

333581A1

VALVE, CONTROL

ASSY, backhoe control, Includes: Ref. 1-16,8 spool, hand swing, Replaces 243143A4, boom & swing section spool eyes are color coded green and orange, respectively; with check valve in outlet section; with female clevis spool eye in options section; if used

1шт.

1

327867A1

HYD VALVE SECTION

ASSEMBLY, outlet, with hex plug, with check valve, See Figure 8-96

1шт.

1a

333417A1

HYD VALVE SECTION

ASSEMBLY, options, with female clevis spool eye, auxiliary hydraulics, See Figure 8-114

1шт.

2

144324A4

HYD VALVE SECTION

ASSEMBLY, dipper extension, See Figure 8-112

1шт.

3

129864A4

HYD VALVE SECTION

ASSEMBLY, bucket, See Figure 8-98

1шт.

4

136610A5

HYD VALVE SECTION

ASSEMBLY, dipper, See Figure 8-100

1шт.

5

253989A3

VALVE SECTION

ASSEMBLY, stabilizer, left hand and right hand, See Figure 8-102

2шт.

6

144321A6

HYD VALVE SECTION

ASSEMBLY, boom, See Figures 8-104 and 8-106

1шт.

7

241088A4

HYD VALVE SECTION

ASSEMBLY, swing, foot swing control valve, See Figures 8-108 and 8-110

1шт.

7a

243145A4

HYD VALVE SECTION

ASSEMBLY, swing, hand swing control valve, See Figures 8-108 and 8-110

1шт.

8

1542829C1

HYD VALVE SECTION

ASSEMBLY, inlet, See Figure 8-97A

1шт.

9

238-6127

O-RING,0.103" Thk x 1.424" ID, -127, Cl 6, 90 Duro

Section ports

9шт.

Included with seal kit, 1346107C2

1шт.

10

238-6119

O-RING,0.103" Thk x 0.924" ID, -119, Cl 6, 90 Duro

Section ports, small

27шт.

Included with seal kit, 1346107C2

1шт.

11

G107251

SHIM,10.31mm ID x 20.62mm OD x 0.06mm Thk

Section

9шт.

12

G33965

SHIM,22.86mm OD x 0.06mm Thk

Section

9шт.

13

229684A1

STUD

tie

4шт.

14

425-106

NUT,3/8"-16, Cl 5

8шт.

15

86512512

PLUG,7/8" - 14 ORB

Incl. Ref. 16

2шт.

16

237-6010

O-RING,0.097" Thk x 0.755" ID, -910, Cl 6, 90 Duro

1шт.

1346107C2

SEAL KIT

seal, Includes: Refs. 9 and 10, plus additional O-rings not required for this application

1шт.

Выбрано товаров: 23