Запчасти Case 580SL (9-130) - CAB REAR WINDSHIELD WIPER (09) - CHASSIS/ATTACHMENTS

Схема запчастей Case 580SL - (9-130) - CAB REAR WINDSHIELD WIPER (09) - CHASSIS/ATTACHMENTS
8
19
15
18
6
9
21
23
16
11
7
22
17
10
20
4
14
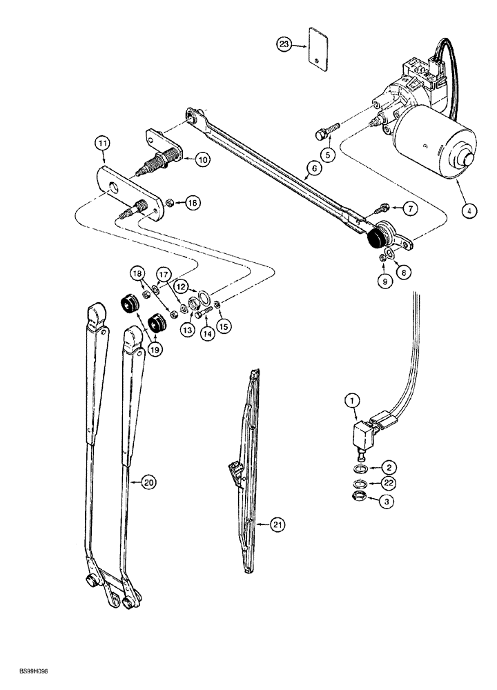
1
3
2
12
13
5
FIT
1:1
100%

Артикул

Название

Примечание

Количество

1

A187714

PUSH BUTTON SWITCH

SWITCH - wiper stop, mounts to window frame inside filter compartment

1шт.

2

A165395

WASHER,.50mm ID x 1.0mm OD x .060 Thk

flat, 1/2 x 1 x 1/16 inch, used as a seal

1шт.

3

425-157

JAM NUT,Jam, 7/16"-20, G5

1шт.

4

184118A1

WIPER MOTOR

MOTOR, WIPER 12 volt, rear windshield wiper

1шт.

5

N8362

CAPTIVE WASHER SCREW,Hex, M6 x 18.50mm, Gr 10.9

with washer, special, motor to cab frame

3шт.

D128018

LINK

ASSEMBLY wiper, rear motor to wiper pivot shafts, Includes: Refs 6 & 7

1шт.

6

NSS

NOT SOLD SEPARAT

LINK crank

1шт.

7

N8362

CAPTIVE WASHER SCREW,Hex, M6 x 18.50mm, Gr 10.9

with washer, special

1шт.

8

N8361

SPRING WASHER

Belleville

1шт.

9

L112090

NUT

hex, special

1шт.

10

D128020

SHAFT

pivot, with ball, includes nut

1шт.

11

D128021

SHAFT

pivot

1шт.

12

L112088

WASHER

special, large, shaft

1шт.

13

L112087

NUT

special, large, shaft

1шт.

14

413-416

BOLT,Hex, 1/4" - 20 x 1", Gr 5

1шт.

15

492-11025

LOCK WASHER,1/4"

1шт.

16

425-104

NUT,1/4"-20, Cl 5

1шт.

17

L112089

WASHER

wave, special, shaft end

2шт.

18

L112090

NUT

hex, special, shaft end

2шт.

19

L112081

CAP

pivot shaft end

2шт.

20

R52408

WIPER ARM

ARM, WIPER rear windshield

1шт.

21

D128022

WIPER BLADE

BLADE, WIPER wiper, rear windshield

1шт.

22

495-21044

WASHER,3/8"

(flat, 7/16 x 1 x 5/64 inch)

1шт.

23

193707A1

LARGE PLATE

PLATE, LARGE retainer, harness, mounts on existing wiper motor mounting bolt

1шт.

Выбрано товаров: 24