Запчасти Case 580SL (4-040) - HORN AND BACKUP ALARM (04) - ELECTRICAL SYSTEMS

Схема запчастей Case 580SL - (4-040) - HORN AND BACKUP ALARM (04) - ELECTRICAL SYSTEMS
15
9
7
1
13b
18
5
13
11
16
4
12
3
17
6
13a
2
8
10
14
FIT
1:1
100%

Артикул

Название

Примечание

Количество

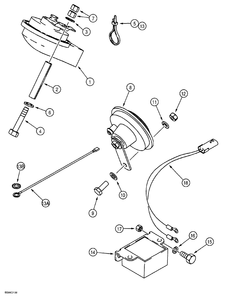
1

190155A1

BUZZER

HORN, 12 volt, includes mounting bracket, Sparton, no longer available, order P/N 3057542R91

1шт.

2

116423A1

SPACER

split, horn

1шт.

3

893-11008

LOCK WASHER,Ext Tooth, M8

Horn

1шт.

4

814-8110

BOLT,Hex, M8 x 1.25 x 110mm, Cl 8.8

BOLT hex, 8 - 1.25 x 110 mm, horn

1шт.

5

L18337

CABLE TIE,9.95"-12.1" lg

CABLE STRAP tie, 15 inch, horn

2шт.

6

895-11008

WASHER,9mm ID x 16mm OD x 1.6mm Thk

If used, Horn

1шт.

7

829-1408

NUT,Hex, M8 x 1.25, Cl 10.9

If used, Horn

2шт.

347902A1

BUZZER

KIT horn, used when replacing 190155A1 Sparton horn with P/N 3057542R91 Bosch horn, Includes: Refs. 8-13B

1шт.

8

3057542R91

HORN

warning sound, 12 volt, Bosch

1шт.

9

614-8020

BOLT,Hex, M8 x 1.25 x 20mm

Horn

1шт.

10

895-11008

WASHER,9mm ID x 16mm OD x 1.6mm Thk

Horn

1шт.

11

892-11008

LOCK WASHER,8mm ID

Horn

1шт.

12

829-1408

NUT,Hex, M8 x 1.25, Cl 10.9

Horn

1шт.

13

L18337

CABLE TIE,9.95"-12.1" lg

CABLE STRAP tie, 15 inch, horn

2шт.

13a

347933A1

HARNESS

WIRE horn, if used

1шт.

13b

893-11008

LOCK WASHER,Ext Tooth, M8

If Used, Horn

1шт.

14

109511A1

ALARM

ALARM backup, attaches to main engine harness, see figure 4-10 for engine harness options

1шт.

15

614-8025

BOLT,Hex, M8 x 1.25 x 25mm, Cl 8.8, Full Thd

Backup alarm

2шт.

16

895-11008

WASHER,9mm ID x 16mm OD x 1.6mm Thk

Backup alarm

2шт.

17

832-10408

NUT,M8 x 1.25, Cl 8.8

Backup Alarm

2шт.

18

D139175

HARNESS

WIRE pigtail, attaches main engine harness to alarm, backup

1шт.

Выбрано товаров: 0