Запчасти Case 580SL (6-032) - TRANSMISSION MOUNTING, DRIVE SHAFT, DIPSTICK AND GEAR SHIFT LEVER, MODELS WITH POWERSHIFT TRANS. (06) - POWER TRAIN

Схема запчастей Case 580SL - (6-032) - TRANSMISSION MOUNTING, DRIVE SHAFT, DIPSTICK AND GEAR SHIFT LEVER, MODELS WITH POWERSHIFT TRANS. (06) - POWER TRAIN
4
13
11
5
3
12
20
12
13
12
9
10
1
6
15
19
2
7
9
14
16
17
8
18
10
FIT
1:1
100%

Артикул

Название

Примечание

Количество

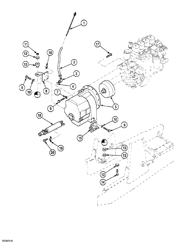
1

121658A1

DIPSTICK,492mm L

oil level, transmission, oil level, replaces P/N 304059A1

1шт.

2

323900A1

TUBE,25.4 mm OD, 478, 126 mm Length

TUBE transmission dipstick, replaces P/N 241025A1

1шт.

3

218-5110

ELBOW,90 Degree Elbow, 1-5/16" - 12 Male JIC x 1-5/16" - 12 Male ORB

Incl. Ref. 4

1шт.

4

237-6016

O-RING,0.116" Thk x 1.171" ID, -916, Cl 6, 90 Duro

1шт.

5

199317A4

GEARBOX ASSY

TRANSMISSION, four wheel drive, powershift, parts list Figs. 6-88 - 6-118, replaces P/N 199317A1, if used

1шт.

5

87420798R

REMAN-TRANSMISSION

Reman, transmission, powershift, Does Not Include Torque Converter

1шт.

5

87420798C

CORE-TRANSMISSION

Return Part Number

1шт.

5

336896A1

GEARBOX ASSY

TRANSMISSION, four wheel drive, powershift, parts list Figs. 6-120 - 6-150, if used

1шт.

7

496-21041

WASHER,13/32" x 13/16" x .089", HDN

12шт.

8

356315A1

MOUNTING PARTS

BRACKET mounting, transmission, left hand, replaces P/N 284647A1

1шт.

9

614-12035

BOLT,Hex, M12 x 1.75 x 35mm, Cl 8.8, Full Thd

Replaces P/N 614-12040, 40 mm long bolt used on some models

8шт.

10

896-15012

WASHER,13.5mm ID x 28mm OD x 4mm Thk

flat, 13.5 x 28 x 4 mm, hardened

8шт.

11

832-10416

NUT,M16 x 2, Cl 8

2шт.

12

CASD35009

WASHER,16.67mm ID x 63.5mm OD

flat, special

6шт.

13

117846A1

INSULATOR BLOCK,16.69mm ID x 64.8mm OD x 84.6mm L

RUBBER BLOCK INSULATOR engine mount

2шт.

14

814-16110

BOLT,Hex, M16 x 2 x 110mm, Cl 8.8

2шт.

15

284644A1

SUPPORT

BRACKET mounting, transmission, right hand

1шт.

16

515-25254

CLAMP,1", Insul, 1/2" Bolt

P-type

1шт.

17

340968A1

BOLT

special, 10 - 1.25 x 55 mm, replaces P/N 304331A1, 45 mm long screw

8шт.

18

284711A1

DRIVE SHAFT

ASSEMBLY, transmission to rear axle, parts list figure 6-188

1шт.

19

90-6682T1

CLAMP

RETAINER drive shaft

2шт.

20

D137627

BOLT,Hex Flg, 5/16" - 24 x 19.05mm

special

4шт.

6

627-10030

BOLT,Hex, M10 x 1.5 x 30mm, Cl 10.9, Full Thd

12шт.

Выбрано товаров: 23