Запчасти Case 590SL (4-18) - SIDE CONSOLE INSTRUMENT HARNESS (04) - ELECTRICAL SYSTEMS

Схема запчастей Case 590SL - (4-18) - SIDE CONSOLE INSTRUMENT HARNESS (04) - ELECTRICAL SYSTEMS
10
1a
15
26a
5
9
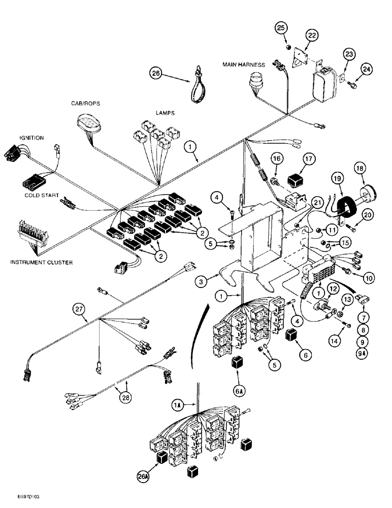
1
27
6a
5
7
12
13
21
24
23
20
2
17
4
22
26
1
8
19
18
3
28
11
2
9a
25
14
1
6
16
4
FIT
1:1
100%

Артикул

Название

Примечание

Количество

1

178992A1

HARNESS

- side instrument console, without direction control shuttle interlock system, if used, may order 279183A1 harness rework kit to convert this harness to include shuttle interlock system, see kit below

1шт.

1a

278163A3

HARNESS

- side instrument console, with direction control shuttle interlock system, used with Ref. 26A relay, if used

1шт.

2

L71879

DIODE ELEMENT,400V, 3A

DIODE - harness, isolation

7шт.

3

181378A2

SUPPORT

BRACKET - fuse and relay mounting, Replaces 181378A1

1шт.

For North America order 304898A1. For Europe order 181378A3.

1шт.

4

490-1108

SCREW,Cross Pan Hd, #10-32 x 1/2"

- machine, pan Phillips, No. 10 NF x 1/2 inch

4-5шт.

5

193-1000

NUT,Keps, w/LW,#10-32

- hex, with external tooth lock washer, No. 10 NF

4-5шт.

6

D128310

RELAY

- 30 ampere, mini, 12 volt, Replaces 40 ampere relay used in production on some models

11шт.

D128310 relay is marked 40 amp on the relay-this is the RESISTANCE rating. The INDUCTIVE rating is 30 amps. We use this inductive rating in our literature.

1шт.

6a

D128310

RELAY

- 30 ampere, mini, 12 volt, models with air conditioning, Replaces 40 ampere relay used in production on some models

1шт.

7

121412A1

FUSE,10A, Mini, Red

Red (return-to-dig, front work lamps, rotating beacon, dome lamp, horn, four-wheel drive option, instrument and alarm system, and starting and transmission control) 10 Amp, Mini

8шт.

8

121414A1

FUSE,20A, Mini, Yellow

- mini, 20 ampere, Yellow (Rear work lamps)

1шт.

9

121413A1

FUSE,15A, Mini, Blue

Blue (wipers, signal lamps, driving lamps, and rear auxiliary hydraulics option) 15 Amp, Mini

4шт.

9a

121415A1

FUSE,25A, Mini, Clear

- mini, 25 ampere (Blower)

1шт.

10

844-6025

BOLT,Hvy Hex, M6 x 25mm, Cl 8.8

- heavy hex flange, 6 - 1.0 x 25 mm

1шт.

11

832-10406

NUT,M6 x 1, Cl 8

LOCK, M6 x 1, Cl 8

1шт.

12

184277A1

CONNECTION

BLOCK - junction, power

1шт.

13

425-106

NUT,3/8"-16, Cl 5

1шт.

14

490-1108

SCREW,Cross Pan Hd, #10-32 x 1/2"

- machine, pan Phillips, No. 10 NF x 1/2 inch

2шт.

15

193-1000

NUT,Keps, w/LW,#10-32

- hex, with external tooth lock washer, No. 10 NF

2шт.

16

281-4556

SELF-TAP SCREW,Hex Wash Hd, #10 x 3/8"

SCREW - self-tapping, hex washer head, No. 10 NC x 3/8 inch

1шт.

17

D147166

FLASHER UNIT

SWITCH - flasher, hazard and turn signal

1шт.

18

D137468

BUZZER

ALARM - warning, for engine water temperature, engine oil pressure and parking brake

1шт.

19

D120561

CLAMP

- P-type, warning alarm, Serial Range: mounting-bracket

1шт.

20

614-10025

BOLT,Hex, M10 x 1.5 x 25mm, Cl 8.8

1шт.

21

829-1410

NUT,M10 x 1.5, Cl 10.9

1шт.

22

130252A1

SUPPORT

BRACKET - electrical connection mounting

1шт.

23

108535A1

WASHER

- special

1шт.

24

844-6025

BOLT,Hvy Hex, M6 x 25mm, Cl 8.8

- heavy hex flange, 6 - 1.0 x 25 mm

1шт.

25

832-10406

NUT,M6 x 1, Cl 8

LOCK, M6 x 1, Cl 8

1шт.

26

L18337

CABLE TIE,9.95"-12.1" lg

STRAP - tie, 15 inch, nylon

1шт.

26a

278665A3

RELAY

- sealed time delay, direction control shuttle interlock

1шт.

133041A1

KIT

- harness, field, to install air conditioning on units not presently equipped with air conditioning, order Ref. 27 and 28

1шт.

27

130876A1

HARNESS

- adapter, cab, attaches to side console instrument harness for air conditioning connections

1шт.

28

186607A1

HARNESS

- adpater, engine, attaches to side console instrument harness for air conditioning connections

1шт.

279183A1

HARNESS

KIT - harness rework, for shuttle interlock system, includes relay, (3) wire, (2) connector, decal, screw, tie straps, (6) heat shring tubing and instructions

1шт.

Выбрано товаров: 36