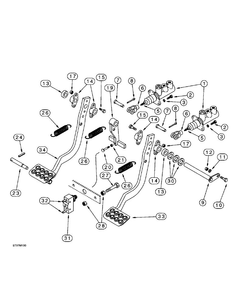
Запчасти Case 590SL (7-06) - BRAKE PEDALS AND BRAKE MASTER CYLINDER MOUNTING (07) - BRAKES

Схема запчастей Case 590SL - (7-06) - BRAKE PEDALS AND BRAKE MASTER CYLINDER MOUNTING (07) - BRAKES
19
20
13
14
3
23
10
8
2
1
7
12
31
15
5
34
6
7
3
26
9
21
28
11
17
30
24
27
17
2
33
14
13
5
8
32
14
26
26
15
6
FIT
1:1
100%

Артикул

Название

Примечание

Количество

1

182445A1

MASTER CYLINDER,104.8mm Stroke

CYLINDER ASSEMBLY - brake master, parts list figure 7-10

2шт.

2

614-8030

BOLT,Hex, M8 x 1.25 x 30mm, Cl 8.8, Full Thd

HH, CL 8.8, M8 x 1.25 x 30, Full Thd

4шт.

3

892-11008

LOCK WASHER,8mm ID

WASHER, LOCK, M8

4шт.

5

425-156

JAM NUT,Jam, 3/8"-24, G5

- hex, jam, 3/8 inch NF

2шт.

6

D137077

CLEVIS

- female, master cylinder

2шт.

7

L26209

PIN,11.07mm OD x 39.75mm L

- clevis, 3/8 inch

2шт.

8

432-612

COTTER PIN,3/32" x 3/4"

PIN , SPLIT (COTTER), 3/32" x 3/4"

2шт.

9

D140035

SHAFT,180mm L

Brake pedal

1шт.

10

614-10025

BOLT,Hex, M10 x 1.5 x 25mm, Cl 8.8

1шт.

11

892-11010

LOCK WASHER,M10

1шт.

13

D124529

SPACER,19.5mm ID x 35mm OD x 12mm Thk

- brake shaft, pedal

2шт.

14

A77310

SUPPORT,0.754" ID x 1.375" OD x 0.81"

- pivot, foot pedal

4шт.

15

814-8040

BOLT,Hex, M8 x 1.25 x 40mm, Cl 8.8

4шт.

17

832-10408

NUT,M8 x 1.25, Cl 8.8

NUT, M8 x 1.25, Cl 8

4шт.

19

D124528

LEVER

- brake lamp

1шт.

20

121-145

FLANGE BOLT,Elevator, Flat Csk, 5/16" - 18 x 2 1/2", Gr 2

BOLT, , Special, brake switch actuator Csk Fl Hd, 5/16"-18 x 2 1/2"

1шт.

21

425-105

NUT,5/16"-18, G5

1шт.

23

D124530

PIN,15.85mm OD x 111mm L

- pedal lock

1шт.

24

438-12040

LOCK PIN,5/16" x 2 1/2", Slotted

Pin, 5/16" x 2 1/2", Slotted

1шт.

26

230973A1

SPRING,Extension, 23.876mm OD x 93.47mm L

- pedal and lever return, attaches to brake pedal spring rod in firewall frame

3шт.

27

614-8045

BOLT,Hex, M8 x 1.25 x 45mm, Cl 8.8, Full Thd

Attaches to brake pedal stop bar in firewall frame Hex, M8 x 45, 8.8, Full Thd

2шт.

28

829-1408

NUT,Hex, M8 x 1.25, Cl 10.9

4шт.

30

495-81261

WASHER,13/16" x 1 1/2" x .067", HDN

- flat, 13/16 x 1-1/2 x 1/16 inch, use as a shim

1шт.

31

D148108

SWITCH

- rocker, brake lamp, attaches to front console wiring harness, mounts in brake pedal stop bar in firewall frame

1шт.

32

A187990

TERMINAL CONNECTOR,Tin, 0.254 - 1.520mm

TERMINAL - Male

2шт.

33

234623A1

PEDAL

- brake, right-hand

1шт.

34

234622A1

PEDAL

- brake, left-hand

1шт.

12

829-1410

NUT,M10 x 1.5, Cl 10.9

1шт.

Выбрано товаров: 28