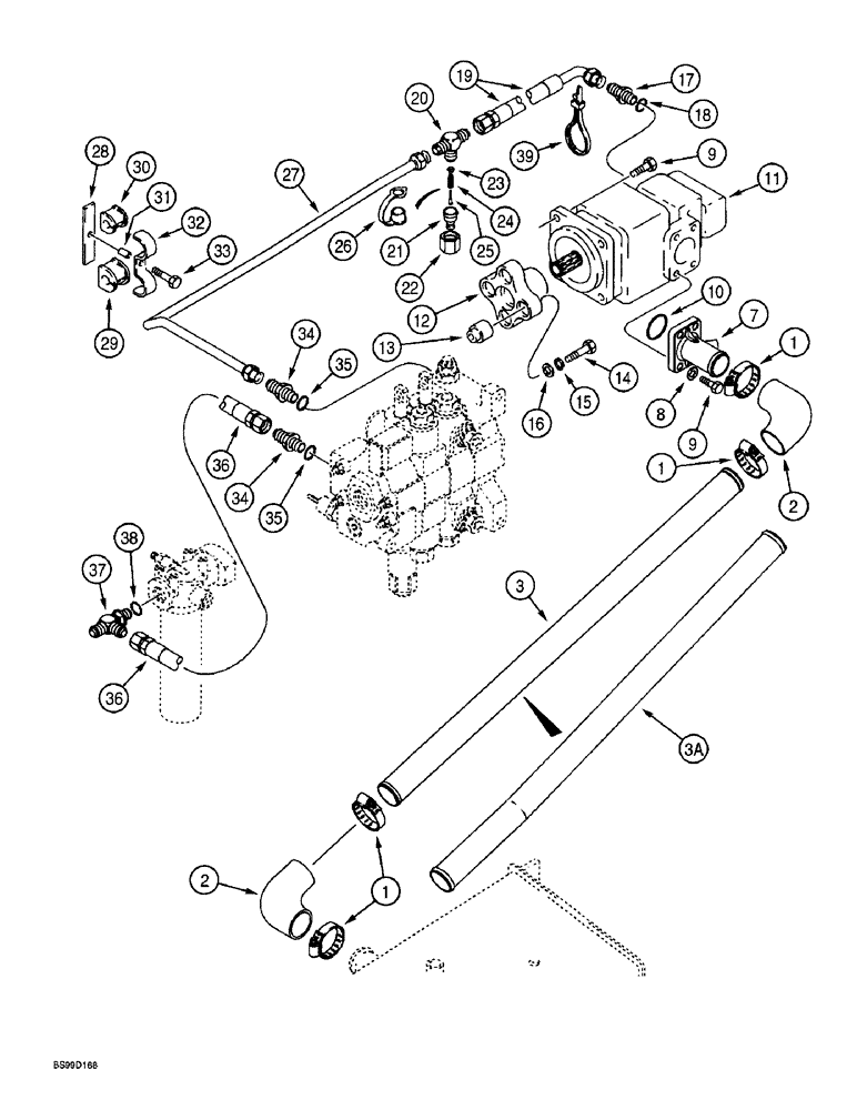
Запчасти Case 590SL (7-14) - EQUIPMENT HYD. SYSTEM, RESERVOIR TO LOADER CONTROL VALVE & LOADER VALVE TO FILTER (08) - HYDRAULICS

Схема запчастей Case 590SL - (7-14) - EQUIPMENT HYD. SYSTEM, RESERVOIR TO LOADER CONTROL VALVE & LOADER VALVE TO FILTER (08) - HYDRAULICS
34
13
37
30
39
2
10
38
23
9
9
36
22
14
24
7
25
1
35
31
19
26
16
3a
32
27
11
17
1
3
29
21
12
18
2
33
36
8
1
20
34
35
28
15
FIT
1:1
100%

Артикул

Название

Примечание

Количество

1

259044A1

CLAMP

- tube

4шт.

2

282497A1

HYDRAULIC HOSE,51.00 mm ID x 102.00 mm, SAE 30R7

- Suction, at hydraulic tank and pump 51.00 mm ID x 102.00 mm, SAE 30R7

2шт.

3

301273A1

TUBE,50.8 mm OD, 950 mm Length

- suction, straight, if used

1шт.

3a

346198A1

TUBE,50.8 mm OD, 950 mm Length

- suction, slight bend, if used

1шт.

7

308441A1

FLANGE

FLANGE - tube

1шт.

8

895-15012

WASHER,M12 x 28 x 2.5

- flat, 12.5 mm

4шт.

9

614-12035

BOLT,Hex, M12 x 1.75 x 35mm, Cl 8.8, Full Thd

- hex, full threads, 12 - 1.75 x 35 mm

8шт.

10

238-5228

O-RING,0.139" Thk x 2.234" ID, -228, Cl 5, 75 Duro

1шт.

11

257955A1

PUMP, HYDRAULIC

PUMP ASSEMBLY - hydraulic equipment, with 17 teeth shaft gear set, parts list figure 8-70; No Longer Available, Order 87435827 Complete Pump, 87437920 Coupling, 87429360 Adapter Plate

1шт.

257948A1

FLEXIBLE COUPLING,Flex, 17T

- flex, 17 teeth, with steel plug, Includes: Ref. 12 and 13

1шт.

12

NSS

NOT SOLD SEPARAT

COUPLING - pump

1шт.

13

N14330

BUSHING,11.38mm ID x 25.15mm OD x 23.11mm L

- coupling

4шт.

14

413-728

BOLT,Hex, 7/16" - 14 x 1-3/4", Gr 5

4шт.

15

492-11044

LOCK WASHER,7/16"

WASHER, LOCK, 7/16"

4шт.

16

A30013

WASHER,11.51mm ID x 19.05mm OD x 1.59mm Thk

- special, hardened

4шт.

17

218-5077

HYD CONNECTOR,1-1/16" - 12 Male JIC x 1-5/16" - 12 Male ORB

ADAPTER - straight, 1-1/16-12 flare x 1-5/16-12 inch O-ring boss, Incl. Ref. 18

1шт.

18

237-6016

O-RING,0.116" Thk x 1.171" ID, -916, Cl 6, 90 Duro

- 1-11/64 ID x 7/64 inch wide

1шт.

19

144215A1

HOSE,19.05mm ID x 576mm L

- 576 mm (22-11/16 inch) long, large pump section port

1шт.

20

218-587

TEE,37 Degree, 1 5/16"-12 x 1 1/16"-12, Br

- 1-1/16-12 flare branch x 1-5/16-12 inch flare x flare, pump outlet hose to loader valve inlet tube

1шт.

D137625

QUICK MALE COUPLING,1 - 1/16" - 12UNF - 2B ID

COUPLING - quick disconnect, Includes Ref. 21 - 25

1шт.

21

NSS

NOT SOLD SEPARAT

BODY - coupling

1шт.

22

425-1120

NUT,1 1/4"-12, G5

- hex, 1-1/4 inch NF

1шт.

23

NSS

NOT SOLD SEPARAT

SEAT - spring

1шт.

24

NSS

NOT SOLD SEPARAT

SPRING - coupling

1шт.

25

NSS

NOT SOLD SEPARAT

POPPET - coupling

1шт.

26

H434163

DUST CAP

CAP - dust, coupler

1шт.

27

370137A1

TUBE,25.4 mm OD, 845, 524 mm Length

- tee to loader control valve inlet, see figure 8-12 Ref. 19-23 for tube clamps near loader valve, used with Ref. 34 adapter, used without loader hydraulic tool quick coupler, Replaces 122125A1

1шт.

28

115507A1

SUPPORT

PLATE - mounting

1шт.

29

D67297

BLOCK

INSULATOR - rubber, tube

1шт.

30

D143797

SHOCK ABSORBER

INSULATOR - 5/8 inch, tube, small pump section tube to backhoe valve, see figure 7-15, Ref. 4 and 5, for tube and insulator

1шт.

31

R46493

SPACER,0.406" ID x 0.625" OD x 0.850" Thk

- split, 22 mm (7/8 inch) long

1шт.

32

D143422

SHIN

CLAMP - double tube

1шт.

33

814-10050

BOLT,Hex, M10 x 1.5 x 50mm, Cl 8.8

1шт.

34

218-5069

HYD CONNECTOR,1-5/16" - 12 Male JIC x 1-5/16" - 12 Male ORB

Adapter - straight, 1-5/16-12 inch flare x O-ring boss, at loader valve inlet and outlet ports, adapter at upper port is replaced by a tee on models with loader hydraulic tool quick coupler, see figure 8-64, Ref. 10, Incl. Ref. 35

2шт.

35

237-6016

O-RING,0.116" Thk x 1.171" ID, -916, Cl 6, 90 Duro

- 1-11/64 ID x 7/64 inch wide

1шт.

36

144227A2

HOSE,19.05mm ID x 472mm L

- 472 mm (18-19/32 inch) long, loader valve to filter, models without ride control, see figure 8-60 for parts used on models with ride control, replaces 144227A1, 520 mm long hose

1шт.

37

218-5245

TEE,1-5/16" - 12 Male JIC x 1-5/16" - 12 Male JIC x 1-5/16" - 12 Male ORB

- 1-5/16-12 inch flare branch x flare x adj. O-ring boss, loader valve to filter and filter to backhoe control valve, Includes: Ref. 38

1шт.

38

237-6016

O-RING,0.116" Thk x 1.171" ID, -916, Cl 6, 90 Duro

- 1-11/64 ID x 7/64 inch wide

1шт.

39

L18337

CABLE TIE,9.95"-12.1" lg

STRAP - tie, 15 inch, if used

1шт.

Выбрано товаров: 39