Запчасти Case 590SL (7-16) - EQUIPMENT HYDRAULIC SYSTEM, OIL COOLER LINES, RETURN LINES, & FILTER (W/ FLARED FITTINGS AT COOLER) (08) - HYDRAULICS

Схема запчастей Case 590SL - (7-16) - EQUIPMENT HYDRAULIC SYSTEM, OIL COOLER LINES, RETURN LINES, & FILTER (W/ FLARED FITTINGS AT COOLER) (08) - HYDRAULICS
2
5
25
20
21
9
7a
1
8
12
10
24
22
16
17
11
6
8
14
19
23
18
17
3
14
4
7
18
19
15
12
13
FIT
1:1
100%

Артикул

Название

Примечание

Количество

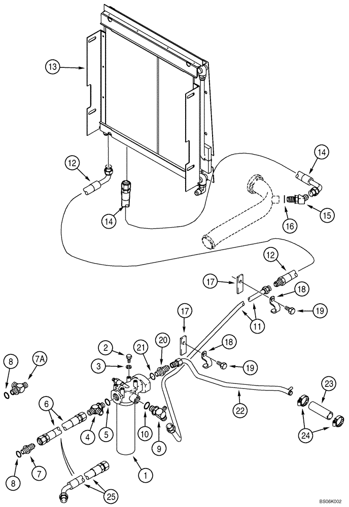
1

181001A1

FILTER ASSY

FILTER ASSEMBLY - hydraulic oil, parts list figure 8-124

1шт.

2

614-10020

BOLT,Hex, M10 x 1.5 x 20mm, Cl 8.8, Full Thd

4шт.

4

218-5245

TEE,1-5/16" - 12 Male JIC x 1-5/16" - 12 Male JIC x 1-5/16" - 12 Male ORB

- 1-5/16-12 inch flare branch x flare x adj. O-ring boss, loader valve to filter and filter to backhoe control valve, Includes: Ref. 5

1шт.

5

237-6016

O-RING,0.116" Thk x 1.171" ID, -916, Cl 6, 90 Duro

- 1-11/64 ID x 7/64 inch wide

1шт.

6

144233A1

HOSE,1.0” ID x 890mm L

- 890 mm (35 inch) long, return, backhoe control valve to filter, no longer available, order 313648A1 hose, Ref. 25

1шт.

7

218-5069

HYD CONNECTOR,1-5/16" - 12 Male JIC x 1-5/16" - 12 Male ORB

Adapter - straight, 1-5/16-12 inch flare x O-ring boss, backhoe control valve outlet port, models without extendable dipper

1шт.

7a

218-5245

TEE,1-5/16" - 12 Male JIC x 1-5/16" - 12 Male JIC x 1-5/16" - 12 Male ORB

- 1-5/16-12 inch flare branch x flare x adj. O-ring boss, backhoe control valve outlet port, models with extendable dipper, if used, Includes: Ref. 8

1шт.

8

237-6016

O-RING,0.116" Thk x 1.171" ID, -916, Cl 6, 90 Duro

- 1-11/64 ID x 7/64 inch wide, 218-5069 or 218-5245 fitting

1шт.

9

228959A1

FITTING

TEE - special, Includes: Ref. 10

1шт.

10

237-6010

O-RING,0.097" Thk x 0.755" ID, -910, Cl 6, 90 Duro

10-1, 90 Duro, .755" ID x .097" Thk

1шт.

11

122176A1

TUBE

-, Serial Range: filter-cooler

1шт.

12

144220A1

HOSE,12.7mm ID x 595mm L

- 595 mm (23-7/16 inch) long, Serial Range: filter-cooler

1шт.

13

291288A1

COOLER, OIL

COOLER - hydraulic oil, heavy duty, see figure 6-20 or 6-22 for cooler mounting hardware and component parts

1шт.

14

236231A1

HOSE

- 300 mm (11-13/16 inch) long

1шт.

15

218-5137

ELBOW,45 Degree Elbow, 7/8" - 14 Male JIC x 7/8" - 14 Male ORB

- 45 degree, 7/8-14 inch flare x adj. O-ring boss, Incl. Ref 16

1шт.

16

237-6010

O-RING,0.097" Thk x 0.755" ID, -910, Cl 6, 90 Duro

10-1, 90 Duro, .755" ID x .097" Thk

1шт.

17

115633A1

SUPPORT

PLATE - mounting

2шт.

18

D143430

CLAMP

- tube

2шт.

19

614-10025

BOLT,Hex, M10 x 1.5 x 25mm, Cl 8.8

2шт.

20

218-5086

HYD CONNECTOR,1 5/16"-12, 37 Degree x 1 5/8"-12, O-Ring

ADAPTER - straight, 1-5/16-12 flare x 1-5/8 inch O-ring, Includes: Ref. 21

1шт.

21

237-6020

O-RING,0.118" Thk x 1.475" ID, -920, Cl 6, 90 Duro

20-1, 90 Duro, 1.475" ID x .118" Thk

1шт.

22

295172A1

TUBE

-, Serial Range: return-tank

1шт.

23

D38435

HOSE,1" ID x 1 1/2" OD 3.5" L

- 89 mm (3-1/2 inch) long, cut from S118383X bulk hose, return tube to tank, see figure 7-8 for attaching brake line clamp

1шт.

24

214-1420

HOSE CLAMP,#20, 0.81" - 1.75", Type F Worm

CLAMP, HOSE, , Adj. #20, 0.81/1.75 Type F Worm

2шт.

25

313648A1

HYDRAULIC HOSE,1.0” ID x 910mm L

HOSE, HYDRAULIC, 910 mm (35-27/32") long, Return, Backhoe control, Serial Range: valve-filter

1шт.

S118383X

LARGE HOSE

HOSE - bulk, 25 (1) x 38 (1-1/2) x 4877 mm (192 inch) long

1шт.

3

895-11010

WASHER,11mm ID x 20mm OD x 2mm Thk

- flat, 11 x 20 x 2 mm

4шт.

Выбрано товаров: 27