Запчасти Case 590SL (8-89A) - BACKHOE CONTROL VALVES, MODELS WITHOUT EXTENDABLE DIPPER, W/O AUX. HYD. (08) - HYDRAULICS

Схема запчастей Case 590SL - (8-89A) - BACKHOE CONTROL VALVES, MODELS WITHOUT EXTENDABLE DIPPER, W/O AUX. HYD. (08) - HYDRAULICS
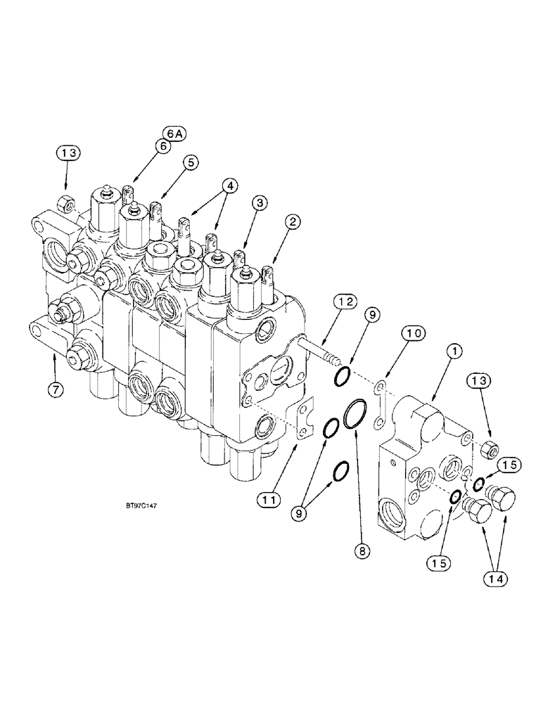
13
15
11
2
9
3
13
15
7
4
1
6
6a
14
12
8
9
5
10
FIT
1:1
100%

Артикул

Название

Примечание

Количество

243135A3

VALVE, CONTROL

VALVE ASSEMBLY - backhoe control, 6 spool; boom and swing section spool eyes are color coded green and orange, respectively; with check valve in outlet section; if used, Includes: Ref. 1 - 15

1шт.

243136A3

VALVE, CONTROL

VALVE ASSEMBLY - backhoe control, 6 spool, hand swing; boom and swing section spool eyes are color coded green and orange, respectively; with check valve in outlet section; if used, Includes: Ref. 1 - 15

1шт.

1

327867A1

HYD VALVE SECTION

SECTION ASSEMBLY - outlet; with hex plug, with check valve; parts list figure 8-96

1шт.

2

129864A4

HYD VALVE SECTION

SECTION ASSEMBLY - bucket, parts list figure 8-98

1шт.

3

136610A5

HYD VALVE SECTION

SECTION ASSEMBLY - dipper, parts list figure 8-101

1шт.

4

253989A3

VALVE SECTION

SECTION ASSEMBLY - stabilizer, left-hand and right-hand, parts list figure 8-102

2шт.

5

144321A6

HYD VALVE SECTION

SECTION ASSEMBLY - boom, parts list figures 8-104 and 8-106

1шт.

6

241088A4

HYD VALVE SECTION

SECTION ASSEMBLY - swing, foot swing control valve, parts list figures 8-108 and 8-110

1шт.

6a

243145A4

HYD VALVE SECTION

SECTION ASSEMBLY - swing, hand swing control valve, parts list figures 8-108 and 8-110

1шт.

7

1542829C1

HYD VALVE SECTION

SECTION ASSEMBLY - inlet, parts list figure 8-97A

1шт.

8

238-6127

O-RING,0.103" Thk x 1.424" ID, -127, Cl 6, 90 Duro

Section ports -127, 90 Duro, 1.424" ID x .103" Thk

7шт.

Part of Seal Kit, P/N 1346107C2

1шт.

9

238-6119

O-RING,0.103" Thk x 0.924" ID, -119, Cl 6, 90 Duro

Section ports, small -119, 90 Duro, .924" ID x .103" Thk

21шт.

Part of Seal Kit, P/N 1346107C2

1шт.

10

G107251

SHIM,10.31mm ID x 20.62mm OD x 0.06mm Thk

Section 0.051mm Thk

7шт.

11

G33965

SHIM,22.86mm OD x 0.06mm Thk

Section 0.051mm Thk

7шт.

12

G108900

STUD

- tie, 3/8 NC x 16-15/16 inch

4шт.

13

425-106

NUT,3/8"-16, Cl 5

8шт.

14

86512512

PLUG,7/8" - 14 ORB

- hex, 7/8-14 inch o-ring boss, outlet section, Incl. Ref. 15

2шт.

15

237-6010

O-RING,0.097" Thk x 0.755" ID, -910, Cl 6, 90 Duro

10-1, 90 Duro, .755" ID x .097" Thk

1шт.

1346107C2

SEAL KIT

KIT - seal, includes Ref. 8 and 9, plus additional o-rings not required in this application

1шт.

Выбрано товаров: 21