Запчасти Case 590SL (9-52) - FROST POINT ASSEMBLY (09) - CHASSIS/ATTACHMENTS

Схема запчастей Case 590SL - (9-52) - FROST POINT ASSEMBLY (09) - CHASSIS/ATTACHMENTS
2
9
6
8
1
5
4
3
7
FIT
1:1
100%

Артикул

Название

Примечание

Количество

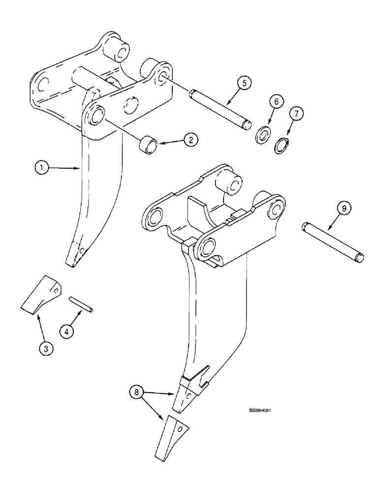
D140679

BRACKET

POINT ASSEMBLY - frost, backhoe, used with 134437A1 coupler assembly, if used, see figure 9-45 for coupler, Includes: Ref. 1 - 4

1шт.

1

NSS

NOT SOLD SEPARAT

BODY - frost point

1шт.

2

D37495

BUSHING,44.76mm ID x 57.15mm OD x 31.75mm L

- 1-3/4 x 2-1/4 x 1-1/4 inch

2шт.

3

D83306

POINT

- tooth

1шт.

4

D43417

PIN

- tooth point

1шт.

5

D54218

PIN,38.1mm OD x 345.95mm L

- link, to frost point

1шт.

6

495-81292

WASHER,1.56" ID x 3.25" OD x 0.18" Thk

- flat, 1-9/16 x 3-1/4 x 3/16 inch

2шт.

7

D25279

SNAP RING,M35, Int

RING - snap

2шт.

8

319467A1

POINT

ASSEMBLY - frost, backhoe, includes (2) pin retaining bolts, component parts are not serviced separately, use with D50696 pin, washers and snap rings not required; also used with 294195A1 coupler assembly, if used, see figure 9-45 for coupler

1шт.

9

D50696

PIN,38.1mm OD x 225.55mm L

- mounting, used with 319467A1 frost point

1шт.

Выбрано товаров: 10