Запчасти Case 590SL (9-55) - CHASSIS AND OPERATOR COMPARTMENT POD MOUNTS, CHASSIS (09) - CHASSIS/ATTACHMENTS

Схема запчастей Case 590SL - (9-55) - CHASSIS AND OPERATOR COMPARTMENT POD MOUNTS, CHASSIS (09) - CHASSIS/ATTACHMENTS
10
13
20
23
16
14
19
15
18
21
2
27
20
22
17
9
1
5
26
8a
12
11
25
28
5
24
3
12
8
4
7
FIT
1:1
100%

Артикул

Название

Примечание

Количество

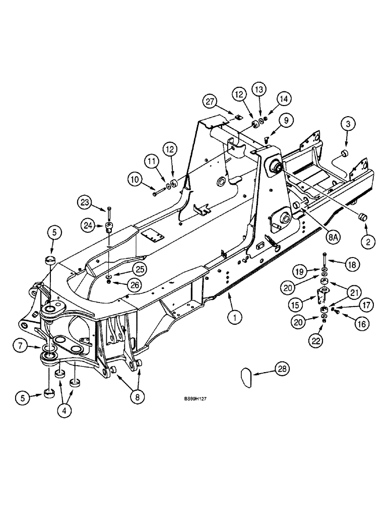
1

333598A1

CHASSIS

- loader backhoe, integral, used in production, for service order 374651A1 chassis kit, which includes chassis and decals, Includes: Ref. 2 - 8A

1шт.

2

180427A1

BUSHING,50.23mm ID x 60mm OD x 52.4mm L

- loader frame pivot

2шт.

3

D127542

BUSHING,50.2mm ID x 60mm OD x 30mm L

- 50 x 5 x 30 mm, front axle pivot

1шт.

4

114318A1

BUSHING,80.19mm ID x 90mm OD x 29.35mm L

- 80 mm ID, 80 x 90 x 29.3 mm, swing cylinder pivot

2шт.

5

D151058

BUSHING,70.19mm ID x 90mm OD x 63mm L

- 70 mm ID, upper and lower, backhoe frame, swing tower mounting

2шт.

7

220413A1

SPACER,93mm ID x 135mm OD x 5mm Thk

- 93 x 135 x 5 mm, bearing, Serial Range: welds-frame

1шт.

8

107124A1

BUSHING,44.75mm ID x 57.15mm OD x 29mm L

- lower, side, backhoe frame, at stabilizer leg mounting

4шт.

8a

D140029

BUSHING,50.22mm ID x 60mm OD x 25.5mm L

- 50 x 60 x 25.5 mm long

1шт.

9

219-55

LUBE NIPPLE,90 Degree Elbow, 1/8" - 27 NPTF

NIPPLE, LUBE, 90º, 1/8" NPT x .84" lg

2шт.

10

827-16110

BOLT,Hex, M16 x 2 x 110mm, Cl 10.9

- hex, 16 - 2.0 x 110 mm, class 10.9, Operator compartment pod mounts

1шт.

11

495-81259

WASHER,21/32" x 2" x .238"

- flat, 21/32 x 2 x 1/4 inch, operator compartment pod mounts

1шт.

12

D138565

SHOCK ABSORBER

INSULATOR - mounting, frame, upper, firewall, operator compartment pod mounts

2шт.

13

186977A1

WASHER,17mm ID x 70mm OD x 4.5mm Thk

- flat, special, operator compartment pod mounts

1шт.

14

829-1416

NUT,M16, Cl 10

- hex, 16 mm - 2.0, class 10, Operator compartment pod mounts

1шт.

15

141249A1

SUPPORT

BRACKET - mounting, frame, right-hand and left-hand, operator compartment pod mounts

2шт.

16

627-12030

BOLT,Hex, M12 x 1.75 x 30mm, Cl 10.9, Full Thd

- hex, full threads, 12 - 1.75 x 30 mm, class 10.9, Operator compartment pod mounts

4шт.

17

896-11012

WASHER,13.5mm ID x 24mm OD x 3mm Thk

Operator Compartment Pod Mounts M13.5 x 24.5 x 3, HT

4шт.

18

827-16110

BOLT,Hex, M16 x 2 x 110mm, Cl 10.9

- hex, 16 - 2.0 x 110 mm, class 10.9, Operator compartment pod mounts

2шт.

19

495-81259

WASHER,21/32" x 2" x .238"

- flat, 21/32 x 2 x 1/4 inch, operator compartment pod mounts

2шт.

20

186977A1

WASHER,17mm ID x 70mm OD x 4.5mm Thk

- flat, special, operator compartment pod mounts

4шт.

21

D138565

SHOCK ABSORBER

INSULATOR - mounting, frame, lower, front, operator compartment pod mounts

4шт.

22

829-1416

NUT,M16, Cl 10

- hex, 16 mm - 2.0, class 10, Operator compartment pod mounts

2шт.

23

180578A1

BOLT,Hex, M16 x 2 x 120mm, Cl 10.9

BOLT - special, operator compartment pod mounts

2шт.

24

A141451

SHOCK ABSORBER

MOUNT - rubber, frame, rear, operator compartment pod mounts

2шт.

25

186977A1

WASHER,17mm ID x 70mm OD x 4.5mm Thk

- flat, special, operator compartment pod mounts

2шт.

26

829-1416

NUT,M16, Cl 10

- hex, 16 mm - 2.0, class 10, Operator compartment pod mounts

2шт.

27

833-40310

NUT,M10, U

- U-type, 10 mm - 1.5, operator compartment pod mounts

4шт.

28

341087A1

COVER

KIT - D-Plate hole cover, includes (2) plates and instructions which are not serviced separately, holes are near the rear wheels, operator compartment pod mounts

1шт.

Выбрано товаров: 28