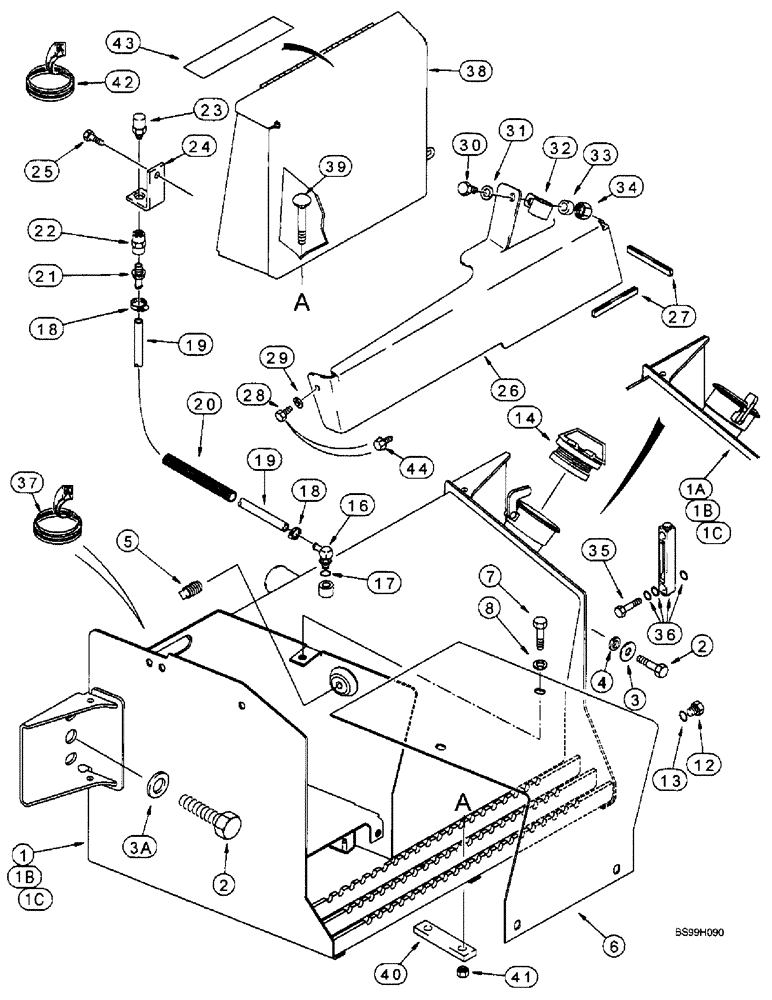
Запчасти Case 590SL (9-56) - BATTERY BOX, HYDRAULIC OIL TANK, AND RIGHT-HAND STEP (09) - CHASSIS/ATTACHMENTS

Схема запчастей Case 590SL - (9-56) - BATTERY BOX, HYDRAULIC OIL TANK, AND RIGHT-HAND STEP (09) - CHASSIS/ATTACHMENTS
33
12
29
1c
24
22
4
27
3a
5
26
40
41
30
31
25
1b
1b
18
38
3
34
44
36
20
37
16
1c
19
23
28
1a
17
14
21
42
39
13
2
18
43
19
2
1
6
32
8
35
7
FIT
1:1
100%

Артикул

Название

Примечание

Количество

1

283325A3

TANK

- hydraulic oil, right-hand side of chassis, no longer available, order 283325A4 tank, includes 1B, 1C and Ref. 12

1шт.

1a

283325A4

TANK, HYDRAULIC OIL

TANK - hydraulic oil, right-hand side of chassis, includes 1B, 1C and Ref. 12, Includes: Ref. 1B and 1C

1шт.

1b

230857A1

FILTER SCREEN

SCREEN - strainer, fill tube

1шт.

1c

440-1066

SCREW,Cross Pan Hd, #6-32 x 3/8"

- machine, pan Phillips, No. 6 NC x 3/8 inch

2шт.

2

627-20040

BOLT,Hex, M20 x 2.5 x 40mm, Cl 10.9, Full Thd

- hex, full threads, 20 - 2.5 x 40 mm, class 10.9

4шт.

3

302358A1

WASHER,21mm ID x 54mm OD x 4mm Th

- flat, hardened, special, right-hand side of tank

2шт.

3a

896-11020

WASHER,22mm ID x 37mm OD x 4mm Thk

- flat, 22 x 37 x 4 mm, hardened, left-hand side of tank

2шт.

4

185926A1

SPACER,21mm x 40mm x 6.6mm Th

- bushing, right-hand side of tank

2шт.

5

217-436

PLUG,Hex Soc, 3/8" - 18 NPTF

- hex socket headless, 3/8 inch PT, if used

1шт.

6

231656A1

COVER

- battery, 3 mm thick

1шт.

7

614-10025

BOLT,Hex, M10 x 1.5 x 25mm, Cl 8.8

4шт.

8

495-21044

WASHER,3/8"

(flat, 7/16 x 1 x 5/64 inch) 3/8"

4шт.

12

86625138

PLUG,7/18" - 14

Drain, Included in 283325A3 and 283325A4 tank, Includes: Ref. 13 Hex Soc, 7/8"-14 ORB

1шт.

13

237-6010

O-RING,0.097" Thk x 0.755" ID, -910, Cl 6, 90 Duro

10-1, 90 Duro, .755" ID x .097" Thk

1шт.

14

138595A1

FILLER CAP,Male, Lockable

CAP - hydraulic oil tank, nonvented

1шт.

16

217-347

FITTING,90 Degree Elbow, 3/8" Hose Barb x 9/16" - 18 Male ORB

ELBOE - 90 degree, 3/8 stem end x 9/16-18 inch adj. o-ring boss, Includes: Ref. 17

1шт.

18

214-1406

HOSE CLAMP,#06, 0.44" - 0.78", Type F Worm

CLAMP, HOSE, , Adj. #06, .44/.78 Type F Worm

2шт.

19

143218A1

HYDRAULIC HOSE

HOSE - 735 mm, (28-15/16 inch) long, vent

1шт.

20

143219A1

HOSE PROTECTION,19mm ID x 24mm OD x 450mm L

GUARD - hose sleeve

1шт.

21

217-380

FITTING,3/8" Hose Barb x 3/8" Male NPTF

ADAPTER - straight, 3/8 inch stem end x PT

1шт.

22

217-1102

HYD CONNECTOR,3/8" - 18 NPT x 3/8" - 18 NPT

COUPLING - pipe, 3/8 inch

1шт.

23

120943A1

STRAINER ASSY.

BREATHER - pressure vacuum, hydraulic oil tank

1шт.

24

122603A1

SUPPORT

BRACKET - breather mounting

1шт.

25

121856A1

BOLT,Hex, M10 x 1.5 x 30mm, Cl 10.9

BOLT - hex washer, special, 10 - 1.5 x 30 mm

1шт.

26

188008A3

COVER

- right-hand loader lift frame tubing, mounted above hydraulic oil tank, Replaces 188008A2 cover

1шт.

27

191047A1

MOLDING

TRIM - edge, 315 mm (12-13/32 inch) long

1шт.

Apply 75 mm (3 inch) of trim to front lower edge and 240 mm (9-7/16 inch) of trim to outside lower edge of cover.

1шт.

28

614-8016

BOLT,Hex, M8 x 1.25 x 16mm, Cl 8.8, Full Thd

- hex, full threads, 8 - 1.25 x 16 mm

1шт.

30

814-10045

BOLT,Hex, M10 x 1.5 x 45mm, Cl 8.8

- hex, 10 - 1.5 x 45 mm

1шт.

31

892-11010

LOCK WASHER,M10

1шт.

32

D138055

CLAMP

- tube

1шт.

33

120303A1

SPACER,11mm ID x 15.82mm OD x 15mm Thk

- clamp

1шт.

34

829-1410

NUT,M10 x 1.5, Cl 10.9

1шт.

35

B17576

GASKET MAKER FLUID

SEALANT - gasket, RTV No. 595, clear, 300 ml tube

1шт.

36

226456A1

LEVEL GAUGE

GAUGE, LEVEL, Assy - Sight, Hydraulic oil, Full/cold lettering, Aluminum; Incl. (2) Hollow Head Bolts and (4) 238-6114 O-Rings, Used with Ref. 35 sealant

1шт.

37

D40442

MOLDING

TRIM - edge, 305 mm (12 inch) long, cut from F42827 bulk trim

1шт.

38

284223A1

BOX, TOOL

BOX - tool

1шт.

39

811-10070

CARRIAGE BOLT,Sht Sq Nk, M10 x 1.5 x 70mm, Cl 8.8

BOLT - carriage, 10 - 1.5 x 70 mm

4шт.

40

280164A1

LARGE PLATE

PLATE - mounting

2шт.

41

832-10410

NUT,M10 x 1.5, Cl 8

NUT, LOCK, M10 x 1.5, Cl 8

4шт.

42

D40442

MOLDING

TRIM - edge, 305 mm (12 inch) long, cut from F42827 bulk trim

1шт.

43

D55216

PAD,2" x 9"

PAD - anti-skid, 2 x 9 inch

1шт.

44

307577A1

BOLT

- hex washer, self-aligning, 8 - 1.25 x 20 mm

1шт.

F42827

TRIM,2946.4mm L

TRIM - edge, bulk, 2946 mm (116 inch) long

1шт.

29

895-15008

WASHER,9mm ID x 20mm OD x 1.6mm Thk

1шт.

17

237-6006

O-RING,0.078" Thk x 0.468" ID, -906, Cl 6, 90 Duro

6-1, 90 Duro, .468" ID x .078" Thk

1шт.

Выбрано товаров: 46