Запчасти Case 590SL (9-57) - RADIATOR WRAPPER (09) - CHASSIS/ATTACHMENTS

Схема запчастей Case 590SL - (9-57) - RADIATOR WRAPPER (09) - CHASSIS/ATTACHMENTS
6
11
8
7
13
1a
2
12
3
7
1
4
5
9
10
9
FIT
1:1
100%

Артикул

Название

Примечание

Количество

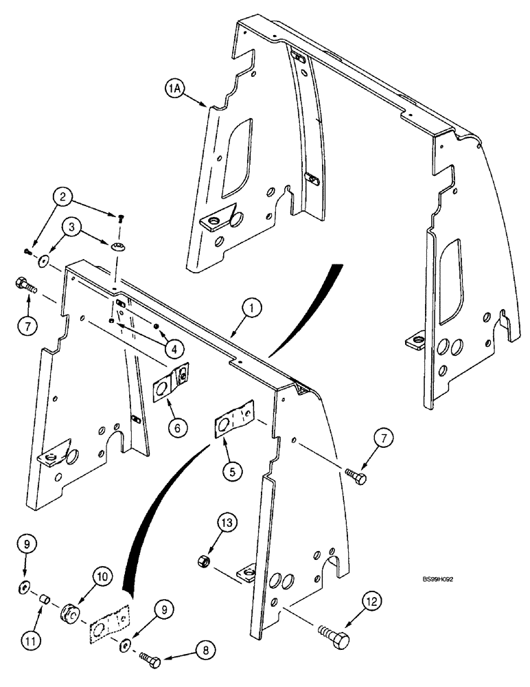
1

139494A2

HOUSING

SHROUD - radiator wrapper, if used

1шт.

1a

301322A1

HOUSING

SHROUD - radiator wrapper, if used

1шт.

2

440-11010

SCREW,Phillips Drive, Pan HD, #10 - 24 x 5/8"

- machine, pan Phillips, No. 10 NC x 5/8 inch

4шт.

3

109879A1

SPACER,5.5mm ID x 30mm OD

- plastic, hood

4шт.

4

86625057

NUT,#10-24, GB

NUT, LOCK, #10-24, GB

4шт.

5

176952A1

LARGE PLATE

BRACKET - right-hand upper radiator, Serial Range: mounting-shroud

1шт.

6

176957A1

LARGE PLATE

BRACKET - left-hand, upper radiator, Serial Range: mounting-shroud

1шт.

7

614-10020

BOLT,Hex, M10 x 1.5 x 20mm, Cl 8.8, Full Thd

2шт.

8

614-10035

BOLT,Hex, M10 x 1.5 x 35mm, Cl 8.8, Full Thd

- hex, full threads, 10 - 1.5 x 35 mm

2шт.

9

K691987

WASHER,10.5mm ID x 30mm OD x 3.0mm Thk

- flat, special

4шт.

10

D132895

GROMMET

- upper radiator to shroud mounting

2шт.

11

D146035

SPACER,10.31mm ID x 16mm OD x 15.5mm L

- upper, Serial Range: radiator-shroud

2шт.

12

614-20040

BOLT,Hex, M20 x 2.5 x 40mm, Cl 8.8, Full Thd

- hex, full threads, 20 - 2.5 x 40 mm

4шт.

13

829-1420

NUT,M20, Cl 10

4шт.

Выбрано товаров: 14