Запчасти Case 590SL (9-75) - CAB FRAME, COVERS AND INSULATION (09) - CHASSIS/ATTACHMENTS

Схема запчастей Case 590SL - (9-75) - CAB FRAME, COVERS AND INSULATION (09) - CHASSIS/ATTACHMENTS
4
12
14
20
26
31
16
25
19
15
1
23
7
32
11
31
18
10
33
3
2
30
6
5
4a
21
29
9
24
8
28
22
17
FIT
1:1
100%

Артикул

Название

Примечание

Количество

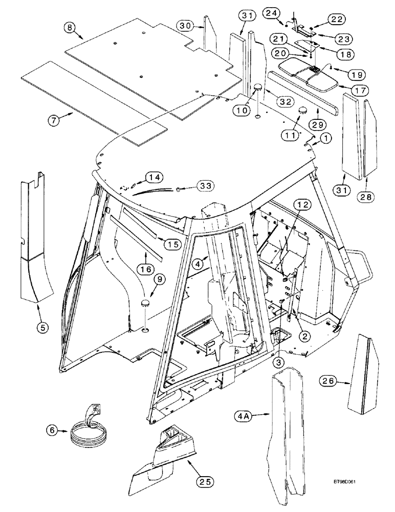
1

281009A2

FRAME ASSY

FRAME - ROPS cab, this frame is not serviced separately

1шт.

2

137851A1

PLATE

- bar, front console mounting to firewall, also shown on figure 4-22, no longer included with frame, purchase separately

2шт.

3

844-8020

BOLT,Hvy Hex, M8 x 20mm, Cl 8.8

No longer included with frame, Purchase separately Hex Flg, M8 x 20, 8.8

13шт.

4

126371A1

COVER

- plastic, right-hand post

1шт.

4a

131977A2

PANEL

COVER - gray vinyl, right-hand post, optional deluxe interior

1шт.

5

291609A1

PANEL

COVER - gray vinyl, left-hand post, optional deluxe interior

1шт.

6

108963A1

LINING

SEAL - trim, right-hand post

2шт.

7

108797A1

PANEL

PAD - insulation, rear, 200 x 813 x 6.4 mm, cut from 108794A2 bulk pad

1шт.

8

127021A2

PANEL

PAD - insulation, front cab roof

1шт.

9

205-129

HOLE PLUG BUTTON,2"

PLUG - button, 2 inch ID, floor

2шт.

10

353-415

PLUG,Dome, 1.500" hole, Nylon

- button, 1-1/2 inch, cab roof, models without radio antenna

1шт.

11

353-410

PLUG,Dome, .875" hole, Nylon

button, 7/8 inch, Windshield frame, Top, Models without Radio Antenna

1шт.

12

833-40406

NUT,M6, U

- U-type, 6 mm - 1.0

4шт.

14

294666A1

COVER

- coat hook

1шт.

15

296367A1

STRAP

- velcro

1шт.

16

282845A1

STRAP

- velcro

1шт.

17

E47027

VISOR, SUN

VISOR - sun shade

1шт.

18

227420A2

SUPPORT

BRACKET - visor mounting

1шт.

19

840-1516

SCREW,Pan, M5 x 16mm, Cl 4.8

- machine, pan Phillips, 5 - 0.8 x 16 mm

3шт.

20

844-6025

BOLT,Hvy Hex, M6 x 25mm, Cl 8.8

- heavy hex flange, 6 - 1.0 x 25 mm

2шт.

21

892-11006

LOCK WASHER,M6

WASHER, LOCK, M6

2шт.

22

833-40406

NUT,M6, U

- U-type, 6 mm - 1.0

2шт.

23

227178A2

SUPPORT

BRACKET - visor support

1шт.

24

829-1408

NUT,Hex, M8 x 1.25, Cl 10.9

1шт.

25

292264A1

TRAY

- tool, storage, mounts behind right-hand console, optional deluxe interior

1шт.

833-40406

NUT,M6, U

- U-type, 6 mm - 1.0

2шт.

233724A1

FLANGE BOLT,Hex, M6 x 1 x 25mm

BOLT - hex washer, self-aligning, 6 - 1.0 x 25 mm

2шт.

895-15006

WASHER,6.6mm ID x 25mm OD x 1.6mm Thk

2шт.

26

299001A1

COVER

- right-hand lower front, optional deluxe interior

1шт.

27

300152A1

COVER

- left-hand lower front, optional deluxe interior, not shown

1шт.

28

303106A1

PANEL

SEAL - noise reduction, insulation, right-hand front firewall, if used

1шт.

29

297913A1

PANEL

SEAL - noise reduction, insulation, front firewall

1шт.

30

303108A1

PANEL

SEAL - noise reduction, insulation, left-hand front firewall

1шт.

31

303105A1

PANEL

SEAL - noise reduction, insulation, front firewall, if used

2шт.

32

303109A1

PANEL

SEAL - noise reduction, insulation, firewall

1шт.

33

353-407

PLUG,Dome, .687" hole, Nylon

- button, 11/16 inch, rear filter plate on models without windshield washer

1шт.

108794A2

ISOLATOR

PAD - bulk, 577 x 813 x 6.4 mm, insulation

1шт.

Выбрано товаров: 37