Запчасти Case 590SL (9-89) - AIR CONDITIONING, CONDENSER AND RECEIVER-DRIER (09) - CHASSIS/ATTACHMENTS

Схема запчастей Case 590SL - (9-89) - AIR CONDITIONING, CONDENSER AND RECEIVER-DRIER (09) - CHASSIS/ATTACHMENTS
15
14
1
13
13
16
12
13
24
13
11
7
16
25
9
1
20
8
24
4
26
22
13
7
15
2
27
21
18
10
5
23
6
28
25
3
19
17
5
2
FIT
1:1
100%

Артикул

Название

Примечание

Количество

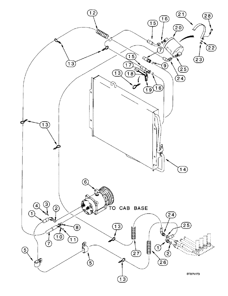
1

305822A1

HOSE

- 2855 mm (112-7/16 inch) long, compressor to cab base, Includes: Ref. 2 - 4

1шт.

2

128485A1

O-RING,1.78mm Thk x 14mm ID, 70 Duro

- 9/16 ID x 1/16 inch wide, hose end

2шт.

3

1250594C1

CORE

VALVE - core, hose, low side service port

1шт.

4

122553A1

CAP

- sealing

1шт.

5

D88052

CLAMP,25.4mm ID, 10.31mm Bolt Hole, P Type

- P-type, 1 inch ID, hose to inner left-hand side of chassis, uses existing hardware, if used

1-2шт.

6

1999755C2

COMPRESSOR

ASSEMBLY - air conditioning, parts list figure 9-90

1шт.

6

86993462R

REMAN-COMPRESSOR

590SL SERIES 2 (3/98-); Reman For New P/N 1999755C2

1шт.

6

86993462C

CORE-COMPRESSOR

Return Part Number

1шт.

6

48017123R

REMAN-A/C COMP KIT

Reman A/C Compressor Kit

1шт.

6

48017123C

REMAN-A/C COMP KIT

Return Part Number

1шт.

6

1999755C3R

REMAN-A/C COMPRESSOR

Inc.- 8 Mounting Holes, 2 Groove Pulley, For Use w/HFC134A Refrigerant

1шт.

6

1999755C3C

CORE-COMPRESSOR

Return Part Number

1шт.

6

1999755C2C

CORE-A/C COMPRESSOR

Return Part Number

1шт.

7

242724A1

HOSE

- 2600 mm (102-3/8 inch) long, straight hose end, compressor to condenser, Includes: Ref. 8 - 11

1шт.

8

128485A1

O-RING,1.78mm Thk x 14mm ID, 70 Duro

- 9/16 ID x 1/16 inch wide, hose end, at compressor

1шт.

9

128484A1

O-RING,0.07" Thk x 0.426" ID, -13, Cl 5, 70 Duro

- 7/16 ID x 1/16 inch wide, hose end

1шт.

10

1250594C1

CORE

VALVE - core, hose, high side charge port

1шт.

11

122554A1

CAP

- sealing

1шт.

12

193913A1

PROTECTOR

SLEEVE - hose guard, mounts to Ref. 7 hose at hood hinge bolt area

1шт.

13

L18337

CABLE TIE,9.95"-12.1" lg

STRAP - tie, 15 inch, nylon, retaining

1шт.

14

246060A1

ASSEMBLY

CONDENSER - coil, refrigerant cooler, uses existing oil cooler to radiator hardware

1шт.

15

138255A1

HOSE

- 550 mm (25-11/16 inch) long, condenser to receiver-drier, Includes: Ref. 16 - 18

1шт.

16

128483A1

O-RING,1.78mm Thk x 7.65mm ID, 70 Duro

- 5/16 ID x 1/16 inch wide, hose ends

2шт.

17

1250594C1

CORE

VALVE - core, for high pressure switch

1шт.

18

128483A1

O-RING,1.78mm Thk x 7.65mm ID, 70 Duro

- 5/16 ID x 1/16 inch wide, hose

1шт.

19

232948A1

SWITCH, A/C HIGH PRE

SWITCH, A/C HIGH PRESSURE, 400 psi

1шт.

20

1990758C2

RECEIVER-DRYER

RECEIVER-DRIER - air conditioning, refrigerant

1шт.

21

253404A1

HALF-COLLAR

CLAMP - receiver-drier

1шт.

22

895-11008

WASHER,9mm ID x 16mm OD x 1.6mm Thk

- flat, 9 x 17 x 1.6 mm

1шт.

23

832-10408

NUT,M8 x 1.25, Cl 8.8

NUT, M8 x 1.25, Cl 8

1шт.

24

305821A1

HOSE

- 3215 mm (126-9/16 inch) long, receiver-drier to cab base, Includes: Ref. 25

1шт.

25

128483A1

O-RING,1.78mm Thk x 7.65mm ID, 70 Duro

- 5/16 ID x 1/16 inch wide, hose ends

2шт.

26

191703A1

HOSE PROTECTION,28mm ID x 34mm OD x 400mm L

SLEEVE - hose guard, 400 mm (15-3/4 inch) long, suction hose, compressor to cab base

2шт.

27

191704A1

HOSE PROTECTION,19mm ID x 25mm OD x 460mm L

SLEEVE - hose guard, 460 mm (18-1/8 inch) long, receiver-drier to cab base hose

2шт.

28

614-8030

BOLT,Hex, M8 x 1.25 x 30mm, Cl 8.8, Full Thd

HH, CL 8.8, M8 x 1.25 x 30, Full Thd

1шт.

Выбрано товаров: 35