Запчасти Case 590SL (9-90) - AIR CONDITIONING, COMPRESSOR MOUNTING AND DRIVE (09) - CHASSIS/ATTACHMENTS

Схема запчастей Case 590SL - (9-90) - AIR CONDITIONING, COMPRESSOR MOUNTING AND DRIVE (09) - CHASSIS/ATTACHMENTS
15
28
16
6
22
16
2
24
22
9
23
18
1
8
22
26
4
9
13
19
23
23
29
22
23
18
22
26
14
7
12
3
24
27
22
5
24
FIT
1:1
100%

Артикул

Название

Примечание

Количество

1999755C2

COMPRESSOR

ASSEMBLY - air conditioning, Includes: Ref. 1 - 4

1шт.

86993462R

REMAN-COMPRESSOR

590SL SERIES 2 (3/98-); Reman For New P/N 1999755C2

1шт.

86993462C

CORE-COMPRESSOR

Return Part Number

1шт.

48017123R

REMAN-A/C COMP KIT

Reman A/C Compressor Kit

1шт.

48017123C

REMAN-A/C COMP KIT

Return Part Number

1шт.

1999755C3R

REMAN-A/C COMPRESSOR

Inc.- 8 Mounting Holes, 2 Groove Pulley, For Use w/HFC134A Refrigerant

1шт.

1999755C3C

CORE-COMPRESSOR

Return Part Number

1шт.

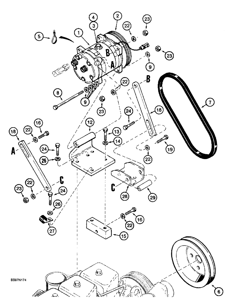
1

NSS

NOT SOLD SEPARAT

COMPRESSOR - air conditioning

1шт.

2

135324A1

CLUTCH

ASSEMBLY - compressor

1шт.

3

A49667

PLUG

- hex, oil filler

1шт.

4

128483A1

O-RING,1.78mm Thk x 7.65mm ID, 70 Duro

- 5/16 ID x 1/16 inch wide, plug

1шт.

5

L18337

CABLE TIE,9.95"-12.1" lg

STRAP - tie, 15 inch, nylon, retaining, compressor wire

2шт.

6

A189284

PULLEY,151mm OD

- air conditioner compressor drive, without powershift transmission

1шт.

6a

196050A1

PULLEY

- air conditioner compressor drive, with powershift transmission, not shown

1шт.

7

277546A1

BELT

V-BELT, Drive, Compressor, Without powershift transmission

1шт.

7a

S80928

V-BELT,12.70 mm W x 1090.00 mm L

- Drive, Compressor, With Powershift transmission, Not shown 12.70 mm W x 1090.00 mm L

1шт.

8

827-10130

BOLT,Hex, M10 x 1.5 x 130mm, Cl 10.9

- hex, 10 - 1.5 x 130 mm, class 10.9

1шт.

9

896-11010

WASHER,11mm ID x 21mm OD x 2.5mm Thk

4-5шт.

12

304530A1

SUPPORT

BRACKET - compressor mounting

1шт.

13

627-10025

BOLT,Hex, M10 x 1.5 x 25mm, Cl 10.9, Full Thd

- hex, full threads, 10 - 1.5 x 25 mm, class 10.9

2шт.

14

896-11010

WASHER,11mm ID x 21mm OD x 2.5mm Thk

2шт.

15

A184614

SUPPORT

BLOCK - bracket support

1шт.

16

827-10040

BOLT,Hex, M10 x 1.5 x 40mm, Cl 10.9, Full Thd

2шт.

18

304527A1

TENSIONER

STRAP - compressor adjusting

2шт.

19

827-10110

BOLT,Hex, M10 x 1.5 x 110mm, Cl 10.9

- hex, 10 - 1.5 x 110 mm, class 10.9

1шт.

22

896-11010

WASHER,11mm ID x 21mm OD x 2.5mm Thk

6шт.

23

832-10410

NUT,M10 x 1.5, Cl 8

NUT, LOCK, M10 x 1.5, Cl 8

4шт.

24

627-10035

BOLT,Hex, M10 x 1.5 x 35mm, Cl 10.9, Full Thd

- hex, full threads, 10 - 1.5 x 35 mm, class 10.9

4шт.

26

896-11010

WASHER,11mm ID x 21mm OD x 2.5mm Thk

3шт.

27

D147383

CLIP,5/8" J

CLAMP - J-type, main engine harness to compressor bracket

1шт.

28

304525A1

MOUNTING PLATE

BRACKET - compressor mounting

1шт.

29

304528A1

SPACER

- short

1шт.

Выбрано товаров: 32