Запчасти Case 590SL (6-002) - FRONT DRIVE AXLE MOUNTING AND DRIVE SHAFT (06) - POWER TRAIN

Схема запчастей Case 590SL - (6-002) - FRONT DRIVE AXLE MOUNTING AND DRIVE SHAFT (06) - POWER TRAIN
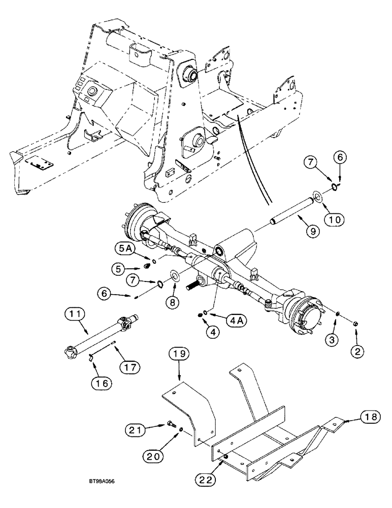
7
20
19
11
22
10
3
2
16
6
5a
4a
21
9
5
4
6
8
17
18
7
FIT
1:1
100%

Артикул

Название

Примечание

Количество

1

127600A1

AXLE, FRONT

AXLE ASSEMBLY - front drive, parts list figures 6-4 - 6-16, models without powershift transmission

1шт.

1

225063A1

AXLE, FRONT

AXLE ASSEMBLY - front drive, parts list figures 6-4 - 6-16, models with powershift transmission

1шт.

2

825-11418

NUT,M18 x 1.5, Cl 8

- hex, 18 mm - 1.5

16шт.

3

496-81000

WASHER,25/32" x 1 3/8" x .134", HDN

- flat, 25/32 x 1-3/8 x 1/8 inch, hardened

16шт.

4

218-5351

HYD CONNECTOR,3/4"-16, 37 Degree x 9/16"-18, O-Ring

ADAPTER - straight, 3/4-16 flare x 9/16-18 inch O-ring boss, Includes: Ref. 4A

1шт.

See figure 5-4 for fittings used on two wheel drive steering hydraulics.

1шт.

5

218-5280

ELBOW,90 Degree, 3/4"-16, 37 Degree x 9/16"-18, O-Ring

- 90 degree, 3/4-16 flare x 9/16-18 inch adj. O-ring boss, Includes: Ref. 5A

1шт.

See figure 5-4 for fittings used on two wheel drive steering hydraulics.

1шт.

6

219-1

LUBE NIPPLE,1/8" - 27 NPTF

FITTING - grease, straight, 1/8 PT x 21/32 inch

2шт.

7

800-44050

SNAP RING,M50, Ext

RING - heavt external retaining, No. 50, 50 mm

2шт.

8

191796A1

WASHER,51.6mm ID x 92mm OD x 1.98mm Thk

- flat, special, 2-1/32 ID x 4 O.D. x 1/16 inch thick

1шт.

9

138616A1

AXLE PIN,50mm OD x 436.5mm L

PIN - axle pivot

1шт.

10

D123684

WASHER,52.3mm ID x 114mm OD x 4.78mm Thk

- thrust, 2-1/16 x 4-1/2 x 3/16 inch

1шт.

11

284713A1

DRIVE SHAFT

SHAFT ASSEMBLY - drive, front drive axle, parts list figure 6-18

1шт.

16

90-6682T1

CLAMP

RETAINER - drive shaft, strap

2шт.

17

D137627

BOLT,Hex Flg, 5/16" - 24 x 19.05mm

- special

4шт.

18

282038A2

GUARD

Drive shaft

1шт.

19

282033A1

BRACKET

- guard

1шт.

20

495-81025

WASHER,13.49mm ID x 31.75mm OD x 4.93mm Thk

Flat, 17/32 x 1-1/4 x 3/16; Replaces 495-21056 flat, 9/16 x 1-3/8 x 7/64 inch Washer Used On Some Models

8шт.

21

827-12045

BOLT,Hex, M12 x 1.75 x 45mm, Cl 10.9, Full Thd

- hex, 12 - 1.75 x 45 mm, class 10.9

6шт.

22

829-1412

NUT,M12, Cl 10.9

- hex, 12 mm - 1.75, class 10

2шт.

4a

237-6006

O-RING,0.078" Thk x 0.468" ID, -906, Cl 6, 90 Duro

6-1, 90 Duro, .468" ID x .078" Thk

1шт.

5a

237-6006

O-RING,0.078" Thk x 0.468" ID, -906, Cl 6, 90 Duro

6-1, 90 Duro, .468" ID x .078" Thk

1шт.

Выбрано товаров: 23