Запчасти Case 590SL (6-024) - TRANS. COOLING SYSTEM, USED W/ 239739A1 HEAVY DUTY RADIATOR ASSY., MODELS W/O POWERSHIFT TRANS. (06) - POWER TRAIN

Схема запчастей Case 590SL - (6-024) - TRANS. COOLING SYSTEM, USED W/ 239739A1 HEAVY DUTY RADIATOR ASSY., MODELS W/O POWERSHIFT TRANS. (06) - POWER TRAIN
16
21
3
21
5
17
18
19
11
14
4
6
13
15
2
21
6
1
12
21
10
5
20
FIT
1:1
100%

Артикул

Название

Примечание

Количество

1

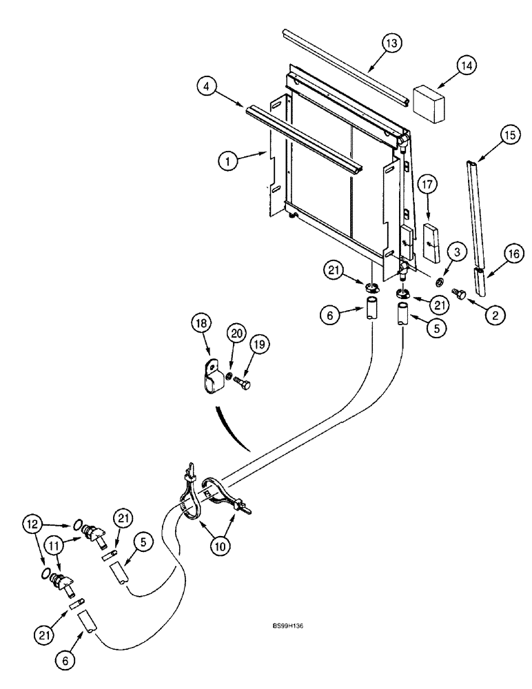
301239A1

COOLER, OIL

COOLER - hydraulic oil, heavy duty, used with 239739A1 heavy duty radiator on fig. 2-4, uses radiator upper mounting bolts, see fig. 9-80 for hardware and fig. 8-8 for additional cooler hydraulic routing

1шт.

2

614-10020

BOLT,Hex, M10 x 1.5 x 20mm, Cl 8.8, Full Thd

2шт.

4

183735A1

OIL SEAL

- radiator to oil cooler

1шт.

5

319889A2

HOSE

- 1360 mm (53-9/16 inch) long, transmission to cooler inlet, replaces 301339A1,1350 mm long hose

1шт.

6

301340A2

HOSE

- 2000 mm (78-3/4 inch) long, with hose guard, cooler outlet to transmission, Replaces 301340A1 2225 mm long hose

1шт.

10

L18337

CABLE TIE,9.95"-12.1" lg

STRAP - tie, 15 inch, nylon, retaining

2шт.

11

217-314

FITTING,45 Degree Elbow, 5/8" Hose Barb x 7/8" - 14 Male ORB

ELBOW - 45 degree, 5/8 stem end x 7/8-14 inch O-ring boss, Includes: Ref. 12

2шт.

12

237-6010

O-RING,0.097" Thk x 0.755" ID, -910, Cl 6, 90 Duro

10-1, 90 Duro, .755" ID x .097" Thk

1шт.

13

233972A1

SEAL

- 564 mm (22-7/32 inch) long, horizontal, Serial Range: cooler-wrapper

1шт.

14

234719A1

SEAL

SEAL - 70 x 100 x 32 mm, upper corner

2шт.

345-44

ADHESIVE

- spray can, 3M No. 74, 23 ounce

1шт.

15

233970A1

SEAL

- 472 mm (18-5/8 inch) long, vertical, Serial Range: cooler-wrapper

2шт.

16

233971A1

SEAL

- 103 mm (4-1/16 inch) long, lower corner

2шт.

17

234499A1

SEAL

- 45 x 120 x 15 mm, furnished with cooler

2шт.

18

D39696

CLAMP,25.40mm - 13.49mm Bolt, CTD

- P-type, double, if used

1шт.

19

614-12025

BOLT,Hex, M12 x 1.75 x 25mm, Cl 8.8, Full Thd

- hex, full threads, 12 - 1.75 x 25 mm, If used

1шт.

20

896-11012

WASHER,13.5mm ID x 24mm OD x 3mm Thk

If Used M13.5 x 24.5 x 3, HT

1шт.

21

328186A1

HOSE CLAMP,400mm L

CLAMP - hose

4шт.

3

895-11010

WASHER,11mm ID x 20mm OD x 2mm Thk

- flat, 11 x 20 x 2 mm

2шт.

Выбрано товаров: 19