Запчасти Case 580SM (07-02) - AXLE, REAR DRIVE - BRAKE, PARKING (07) - BRAKES

Схема запчастей Case 580SM - (07-02) - AXLE, REAR DRIVE - BRAKE, PARKING (07) - BRAKES
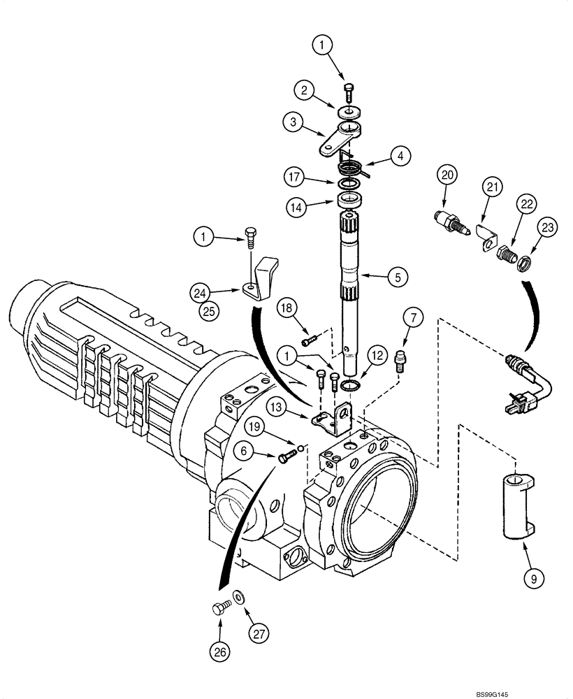
7
26
1
25
27
1
19
13
6
17
24
20
22
9
4
2
23
12
18
3
5
21
14
1
FIT
1:1
100%

Артикул

Название

Примечание

Количество

384956A1

AXLE, REAR

AXLE REAR Models Without Powershift Transmission, Incl. Ref 1 - 27; Also Includes Parts On Figures 06-40 - 06-46, 07-01, 07-02

1шт.

384956A1R

REMAN-REAR AXLE

REMANUFACTURED - Axle Rear, w/o Powershift Transmission

1шт.

384956A1C

CORE-REAR AXLE

Return Number

1шт.

384958A1

AXLE, REAR

AXLE REAR Models With Powershift Transmission, Incl. Ref 1 - 27; Also Includes Parts On Figures 06-40 - 06-46, 07-01, 07-02

1шт.

384958A1R

REMAN-REAR AXLE

REMANUFACTURED, Rear, w/Powershift Transmission

1шт.

384958A1C

CORE-REAR AXLE

Return Number, Rear, w/Powershift Transmission

1шт.

1

190451A1

LOCK BOLT,M8 x 20mm

M8 x 20

6шт.

2

190463A1

WASHER

2шт.

3

280436A1

LEVER

Brake

2шт.

4

190476A2

SPRING

Left-Hand

1шт.

4

190477A2

SPRING

Right-Hand, Not Illustrated

1шт.

5

308040A1

SHAFT

2шт.

6

283462A1

BOLT

M8 x 23.5

2шт.

7

E135810

VENTING SCREW

Brake Bleeder

2шт.

9

196085A1

CAM

2шт.

12

321183A1

O-RING

2шт.

13

256478A1

SUPPORT

Stop

2шт.

14

256481A1

SPACER

Bushing

2шт.

17

256482A1

SHIM

Shim

2шт.

18

256485A1

BOLT

M6 x 16

2шт.

19

283466A1

BALL

2шт.

281952A1

KIT

KIT, Incl. Ref 20 - 23

2шт.

20

280450A1

PARK BRAKE SWITCH

1шт.

21

280452A1

BRACKET

1шт.

22

280457A1

LEVER

Sleeve

1шт.

23

281960A1

NUT

1шт.

279645A1

PACKAGE, REPAIR

Parking Brake, External Adjustment Parts, Incl. Ref 1, 12 - 17, 281952A1, 20 - 23, 24 - 27, Includes Instructions, If Used

1шт.

24

259254A1

RETAINER

Left-Hand

1шт.

25

280443A1

RETAINER

Right-Hand

1шт.

26

514-634

BOLT,Hex, M8 x 1 x 16mm, Cl 8.8, Full Thd

M8 x 16

2шт.

27

181104A1

COPPER WASHER

2шт.

Выбрано товаров: 31