Запчасти Case 580SM (08-38) - VALVE ASSY - BACKHOE CONTROL, 7 SPOOL (WITH EXTENDABLE DIPPER AND WITHOUT AUXILIARY HYDRAULICS) (08) - HYDRAULICS

Схема запчастей Case 580SM - (08-38) - VALVE ASSY - BACKHOE CONTROL, 7 SPOOL (WITH EXTENDABLE DIPPER AND WITHOUT AUXILIARY HYDRAULICS) (08) - HYDRAULICS
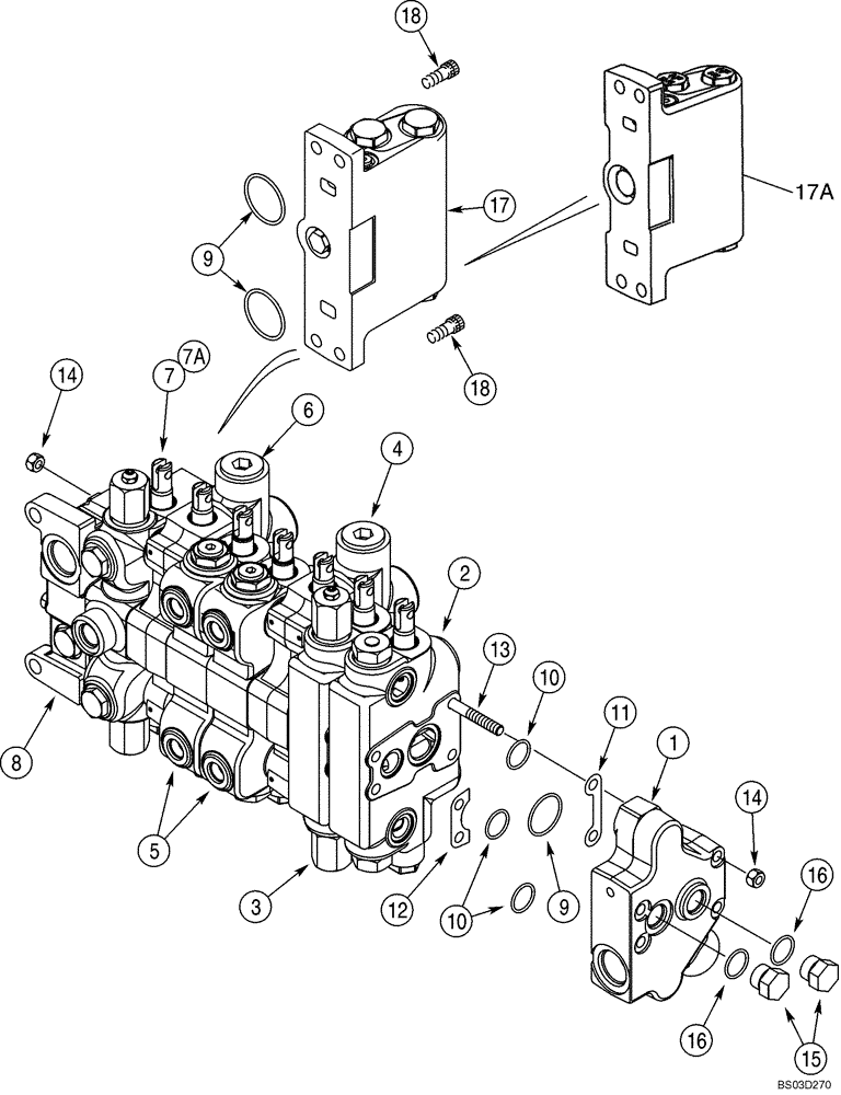
10
2
14
5
15
1
16
18
7a
13
12
8
18
7
11
17a
9
6
9
10
3
17
14
16
4
FIT
1:1
100%

Артикул

Название

Примечание

Количество

353815A3

VALVE, CONTROL

Foot Swing; Incl. Ref 1 - 7, 8- 18; If Used

1шт.

353816A3

VALVE, CONTROL

Hand Swing; Incl. Ref 1 - 6, 7A - 18; If Used

1шт.

1

400454A1

HYD VALVE SECTION

Outlet; See Figure 08-40

1шт.

2

144324A5

HYD VALVE SECTION

Extendable Dipper; See Figure 08-47

1шт.

3

396919A1

HYD VALVE SECTION

Bucket; See Figure 08-41

1шт.

4

375783A2

HYD VALVE SECTION

Dipper; See Figure 08-42

1шт.

5

316416A1

VALVE BLOCK

Stabilizer; Left-Hand and Right-Hand; See Figure 08-43

2шт.

6

375782A2

HYD VALVE SECTION

Boom; See Figure 08-44

1шт.

6

375782A2R

REMAN-HYD VALVE

Reman Boom; See Figure 08-44

1шт.

6

375782A2C

CORE-VALVE HYD

Core Return Number

1шт.

7

241088A5

HYD VALVE SECTION

Swing; Foot Swing Control Valve; See Figure 08-45

1шт.

7a

243145A5

HYD VALVE SECTION

Swing; Hand Swing Control Valve; See Figure 08-45

1шт.

8

1542829C1

HYD VALVE SECTION

Inlet; See Figure 08-40

1шт.

9

238-6127

O-RING,0.103" Thk x 1.424" ID, -127, Cl 6, 90 Duro

10шт.

10

238-6119

O-RING,0.103" Thk x 0.924" ID, -119, Cl 6, 90 Duro

24шт.

11

G107251

SHIM,10.31mm ID x 20.62mm OD x 0.06mm Thk

8шт.

12

G33965

SHIM,22.86mm OD x 0.06mm Thk

8шт.

13

G108899

ROD

3/8 x 18-15/16 in

4шт.

14

425-106

NUT,3/8"-16, Cl 5

8шт.

15

86512512

PLUG,7/8" - 14 ORB

Incl. Ref 16

2шт.

16

237-6010

O-RING,0.097" Thk x 0.755" ID, -910, Cl 6, 90 Duro

Boss Seal

1шт.

17

387627A1

VALVE, CUSHION

Swing; See Figure 08-46; No Longer Available; Order 387627A2, Ref. 17A

1шт.

17a

387627A2

VALVE, CUSHION

Swing; See Figure 08-46

1шт.

18

863-10030

HEX SOC SCREW,M10 x 30mm, Cl 12.9

M10 x 30; 12.9

4шт.

1346107C2

SEAL KIT

Seal; Incl. Ref 9, 10; Plus Additional O-Rings Not Required For This Application; No Longer Used; Order 437754A1, Seal Kit

1шт.

437754A1

SEAL KIT

Incl. Ref 9, 10; Plus Additional O-Rings Not Required For This Application; Replaces 1346107C2

1шт.

Выбрано товаров: 0