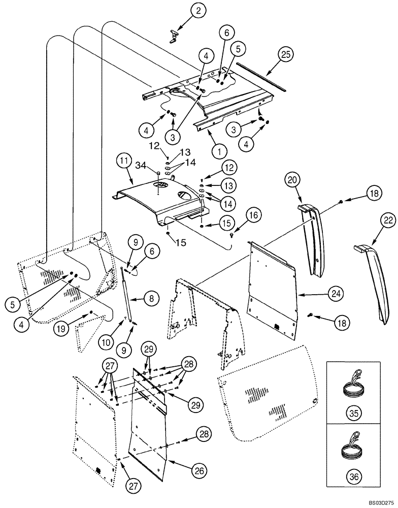
Запчасти Case 580SM (09-42) - HOOD - GRILLE AND CHAFF SCREEN (09) - CHASSIS/ATTACHMENTS

Схема запчастей Case 580SM - (09-42) - HOOD - GRILLE AND CHAFF SCREEN (09) - CHASSIS/ATTACHMENTS
13
8
35
27
3
4
28
28
13
29
4
14
6
20
1
4
10
25
4
12
15
3
18
16
15
9
2
27
29
5
36
12
6
18
24
14
26
22
19
34
11
5
9
FIT
1:1
100%

Артикул

Название

Примечание

Количество

1

362340A6

HOOD

Engine; Replaces 362340A4

1шт.

2

175599A1

LATCH

1шт.

3

614-10025

BOLT,Hex, M10 x 1.5 x 25mm, Cl 8.8

6шт.

5

825-2410

FLANGE NUT,M10 x 1.5, Flg, Cl 8

6шт.

8

114980A1

GAS STRUT

Spring

2шт.

9

139363A1

BALL JOINT,M10 x 1.5mm x 42mm L

4шт.

10

F44883

CLIP,DIN 71805 - S10

4шт.

11

356800A8

HOOD

Replaces 356800A5 and 356800A7

1шт.

12

440-11012

SCREW,Cross Pan Hd, #10-24 x 3/4"

3шт.

13

109879A1

SPACER,5.5mm ID x 30mm OD

3шт.

14

185325A1

SPACER,5.5mm ID x 30mm OD x 2mm L

8шт.

15

86625057

NUT,#10-24, GB

3шт.

16

392828A2

BOLT,M10-1.5 x 40mm L W/CAPTURED WASHER

4шт.

18

392828A2

BOLT,M10-1.5 x 40mm L W/CAPTURED WASHER

8шт.

19

825-2410

FLANGE NUT,M10 x 1.5, Flg, Cl 8

4шт.

20

381927A1

BUMPER

Left-Hand

1шт.

22

381926A1

BUMPER

Right-Hand

1шт.

24

355542A2

GRILLE

1шт.

25

233262A1

SEALING STRIP,20mm W x 596mm L x 6mm Thk

1шт.

26

253889A1

SCREEN

1шт.

27

255447A1

THREADED INSERT

10шт.

28

257381A1

BOLT

8шт.

29

257382A1

WASHER,6.6mm ID x 25mm OD x 1.6mm Thk

8шт.

34

353-402

PLUG,Dome, .375" hole, Nylon

Models without Windshield Washer

1шт.

35

234923A1

PROTECTOR

150 mm (5-29/32 in); If Used

2шт.

36

363078A2

MOLDING

830 mm (32-11/16 in); If Used

2шт.

4

895-11010

WASHER,11mm ID x 20mm OD x 2mm Thk

11 x 21 x 2 mm

7шт.

6

895-11010

WASHER,11mm ID x 20mm OD x 2mm Thk

11 x 21 x 2 mm

4шт.

Выбрано товаров: 0