Запчасти Case 580SM (09-51) - SEAT PEDESTAL AND SUSPENSION, MECHANICAL SUSPENSION (09) - CHASSIS/ATTACHMENTS

Схема запчастей Case 580SM - (09-51) - SEAT PEDESTAL AND SUSPENSION, MECHANICAL SUSPENSION (09) - CHASSIS/ATTACHMENTS
1
16
14
2
2
6
12
4
3
2
5
5
4
3
2
8
7
1
3
8
1
16
1
1
11
11
1
1
1
1
16
14
1
13
10
8
2
1
5
7
5
16
11
5
1
13
1
2
7
1
4
1
1
12
4
1
11
1
2
1
7
14
2
1
1
12
11
9
8
15
14
12
1
16
1
14
14
3
3
11
1
1
12
1
7
FIT
1:1
100%

Артикул

Название

Примечание

Количество

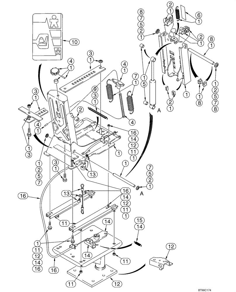
397136A2

SEAT ASSY.

Cloth, Includes Seat, Suspension, Pedestal and Weight Adjuster, Without Armrests; Incl. Ref 1 - 16; Also Includes Parts On Figure 09-50; Replaces 397136A1

1шт.

397134A2

SEAT ASSY.

Vinyl, Includes Seat, Suspension, Pedestal and Weight Adjuster, Without Armrests; Incl. Ref 1 - 16; Also Includes Parts On Figure 09-50; Replaces 397134A1

1шт.

1

307092A1

KIT

Suspension, Includes Suspension, Back Angle Adjust, (2) Groove Pins, (1) Handle, (8) Screws, (2) Springs, (3) Washers and (1) Rivet; Includes Parts From Seat Frame To Adjuster Slides; For Additional Kit Parts, See Figure 09-50, Ref 8

1шт.

1

307092A1

KIT

Suspension; Also Includes (1) Spacer, (2) Ties, (8) Clips, (12) Nuts, (1) Height Adjust Grip, (1) Back Angle Grip, (1) Rake Grip, (1) Fore/Aft/Swivel Grip, (1) Decal

1шт.

2

176921A1

KIT

Plastic Components, Includes (2) Rollers, (4) Downstops, (2) Roller Guides, (2) Bearings, (1) Bumper, (4) Nuts, (10) Clips, (2) Washers, (1) Grip; For Additional Kit Parts, See Figure 09-50, Ref 9

1шт.

3

116521A1

KIT

Fore/Aft Adjuster Latch, Includes (1) Latch Bar, (1) Bolt, (1) Spacer, (2) Nuts, (1) Spring and (2) Ties, Includes 131-435 Nut

1шт.

131-435

PUSH-ON NUT,Push, 3/8"

1шт.

4

176916A1

KIT

Weight Adjuster, Includes Adjusting Knob, (1) Spacer, (2) Roll Pins, (1) Shaft, (1) Spring, (10) Clips, (2) Washers, (1) Grip and (2) Ties; Also Includes (10) Shroud Retainers, (2) Washers, (2) Ties, See Figure 09-50

1шт.

5

176914A1

KIT

Suspension Damper, Includes Damper, (2) Spacers, (4) Nuts, (10) Clips, (2) Washers, (1) Grip and (2) Ties; Also Includes (10) Shroud Retainers, (2) Washers, (2) Ties, See Figure 09-50

1шт.

6

116547A1

KIT

Height Adjusting Spring, Includes (10) Shroud Retainers, (2) Washers, (2) Springs, (1) Wear Strip; For Additional Kit Parts, See Figure 09-50, Ref 10

1шт.

7

176920A1

KIT

Main Extension Springs, Includes (2) Springs, (4) Nuts, (2) Washers, (10) Clips, (1) Grip, (2) Ties

1шт.

8

116551A1

WHEEL BEARING KIT

Upper Suspension Tower Shaft, Includes Shaft, (2) Bearings, (2) Nuts, (10) Clips, (2) Washers

1шт.

9

116545A1

KIT

Fore/Aft Latch Spring, Includes (1) Spring, (2) Ties

1шт.

10

116534A1

KIT

Decal, Seat Weight Adjustment

1шт.

11

399764A1

KIT

Fore/Aft Adjuster Slides

1шт.

12

116538A2

KIT

Pedestal, Includes Pedestal, (4) Screws, (4) Nuts and 119211A1 Bracket

1шт.

13

116552A1

KIT

Cable, Includes (2) Cables, (2) Screws, (2) Spacers, (2) Washers, (2) Nuts

1шт.

14

116550A1

KIT

Swivel Latch Bar, Includes Latch Bar, (1) Spring, (1) Ring, (4) Screws, (4) Nuts

1шт.

14

336375A1

KIT

Swivel Latch Plate, Includes Latch, Swivel Plate Latch, (5) Screws, (6) Nuts, (2) Pins

1шт.

15

116548A1

KIT

Swivel Latch Spring Only

1шт.

16

181170A1

KIT

Cable, Fore-Aft/Swivel Mechanism, Includes (2) Screws, (2) Ties, Cable, (4) Nuts

1шт.

Выбрано товаров: 21