Запчасти Case 580SM (09-68) - CAB - AIR CONDITIONING COMPRESSOR (09) - CHASSIS/ATTACHMENTS

Схема запчастей Case 580SM - (09-68) - CAB - AIR CONDITIONING COMPRESSOR (09) - CHASSIS/ATTACHMENTS
9
28
8
1
19
16
12
23
3
22
26
9
24
6
18
13
14
18
22
26
15
24
23
24
27
16
4
23
22
7
23
2
22
5
22
22
29
FIT
1:1
100%

Артикул

Название

Примечание

Количество

1999755C3

COMPRESSOR

Incl. Ref 1 - 4

1шт.

86993462R

REMAN-COMPRESSOR

580SM; Reman For New P/N 1999755C3

1шт.

86993462C

CORE-COMPRESSOR

Return Part Number

1шт.

48017123R

REMAN-A/C COMP KIT

Reman A/C Compressor Kit

1шт.

48017123C

REMAN-A/C COMP KIT

Return Part Number

1шт.

1999755C3R

REMAN-A/C COMPRESSOR

Inc.- 8 Mounting Holes, 2 Groove Pulley, For Use w/HFC134A Refrigerant

1шт.

1999755C3C

CORE-COMPRESSOR

Return Part Number

1шт.

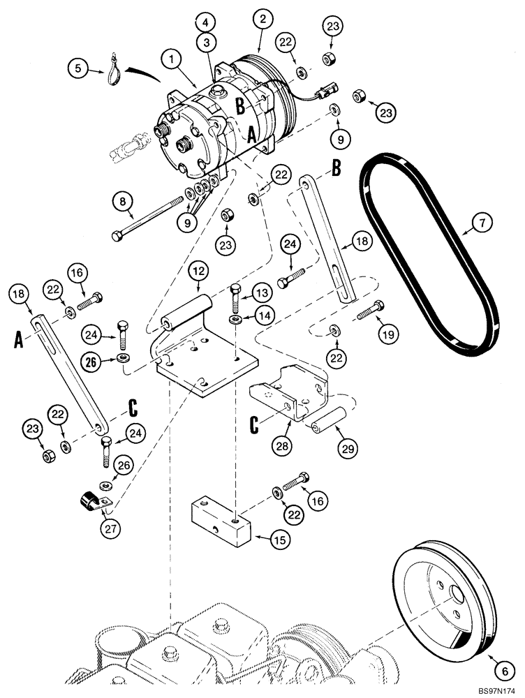
1

NSS

NOT SOLD SEPARAT

Compressor

1шт.

2

135324A1

CLUTCH

1шт.

3

A49667

PLUG

Oil Filler

1шт.

4

128483A1

O-RING,1.78mm Thk x 7.65mm ID, 70 Duro

5/16 ID x 1/16

1шт.

5

L18337

CABLE TIE,9.95"-12.1" lg

CABLE STRAP 15 in

2шт.

6

A189284

PULLEY,151mm OD

Models Without Powershift Transmission

1шт.

6a

196050A1

PULLEY

Models With Powershift Transmission; Not Illustrated

1шт.

7

277546A1

BELT

Models without Powershift Transmission

1шт.

7a

S80928

V-BELT,12.70 mm W x 1090.00 mm L

Models with Powershift transmission; Not Illustrated

1шт.

8

827-10130

BOLT,Hex, M10 x 1.5 x 130mm, Cl 10.9

1шт.

9

896-11010

WASHER,11mm ID x 21mm OD x 2.5mm Thk

4шт.

12

304530A1

SUPPORT

1шт.

13

627-10025

BOLT,Hex, M10 x 1.5 x 25mm, Cl 10.9, Full Thd

2шт.

14

896-11010

WASHER,11mm ID x 21mm OD x 2.5mm Thk

2шт.

15

A184614

SUPPORT

1шт.

16

827-10040

BOLT,Hex, M10 x 1.5 x 40mm, Cl 10.9, Full Thd

2шт.

18

304527A1

TENSIONER

2шт.

19

827-10110

BOLT,Hex, M10 x 1.5 x 110mm, Cl 10.9

1шт.

22

896-11010

WASHER,11mm ID x 21mm OD x 2.5mm Thk

6шт.

23

832-10410

NUT,M10 x 1.5, Cl 8

4шт.

24

627-10035

BOLT,Hex, M10 x 1.5 x 35mm, Cl 10.9, Full Thd

4шт.

26

896-11010

WASHER,11mm ID x 21mm OD x 2.5mm Thk

3шт.

27

D147383

CLIP,5/8" J

1шт.

28

304525A1

MOUNTING PLATE

1шт.

29

304528A1

SPACER

1шт.

Выбрано товаров: 0