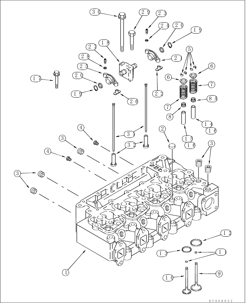
Запчасти Case 580SM (02-17) - CYLINDER HEAD AND VALVE MECHANISM - 4T-390 EMISSIONS CERTIFIED ENGINE (02) - ENGINE

Схема запчастей Case 580SM - (02-17) - CYLINDER HEAD AND VALVE MECHANISM - 4T-390 EMISSIONS CERTIFIED ENGINE (02) - ENGINE
23
7
30
6
20
19
21
28
3
7
18
bt96ho22
20
15
24
3
1
8
31
25
5
3
6
8a
26
11
12
14
27
4
22
16
10
32
19
17
29
13
16
9
2
4
FIT
1:1
100%

Артикул

Название

Примечание

Количество

J938660

CYLINDER HEAD

With Valves, Incl. 1, 2, 5 - 11, Replaces J927330

1шт.

JR938660

REMAN-CYLINDER HEAD

1шт.

JC938660

CORE-CYLINDER HEAD

Return Number

1шт.

1

NSS

NOT SOLD SEPARAT

Without Valves

1шт.

2

A77783

PLUG

21 mm OD

3шт.

3

217-466

DRAIN PLUG,Sq Soc, 1/2" - 14, NTPF

5шт.

4

J906619

PLUG,1/8" - 27

1/8 PT

2шт.

5

CASJ900250

RETAINER

16шт.

6

J935038

RETAINER

8шт.

7

J932453

SPRING

Replaces J926700

8шт.

8

J921640

SEAL

4шт.

8a

J921640

SEAL

4шт.

9

J920867

VALVE

4шт.

10

J920868

VALVE

4шт.

11

J910412

WEAR PAD

Service Repair Only

1шт.

12

J906854

SEAT, VALVE

Intake; Service Repair Only

4шт.

13

J904105

SEAT, VALVE

Exhaust; Service Repair Only

4шт.

14

J904408

GUIDE

14 mm OD; Intake; Service Repair Only

4шт.

15

J904409

GUIDE

14 mm OD; Exhaust; Service Repair Only

4шт.

16

J906206

GUIDE

11 mm OD; Intake And Exhaust; Service Repair Only

8шт.

17

J920779

BOLT,Flng, M12 x 1.75 x 70mm, Cl 12.9

70 mm

4шт.

17

J920780

BOLT,Flng, M12 x 1.75 x 120mm, Cl 12.9

120 mm

10шт.

18

J922488

SUPPORT

4шт.

19

J900242

SNAP RING

8шт.

20

J900245

WASHER

8шт.

21

J910811

ROCKER

Intake; Incl. 22 -24

4шт.

22

NSS

NOT SOLD SEPARAT

Insert

1шт.

23

J934086

ADJUSTMENT SCREW,3/8" - 24 x 29.85mm

1шт.

24

A77902

NUT

3/8 NF

1шт.

25

J910810

ROCKER

Exhaust; Incl. 26 - 28

4шт.

26

NSS

NOT SOLD SEPARAT

Insert

1шт.

27

J934086

ADJUSTMENT SCREW,3/8" - 24 x 29.85mm

1шт.

28

A77902

NUT

3/8 NF

1шт.

29

J901221

BOLT

M8 x 75

4шт.

30

J920781

BOLT,Flng, M12 x 1.75 x 180mm, Cl 12.9

180 mm

4шт.

31

J284377

PUSH ROD

8шт.

32

J931623

TAPPET

8шт.

33

87404692

GAUGE

Cylinder Head Bolt Length; Not Illustrated

1шт.

Выбрано товаров: 38