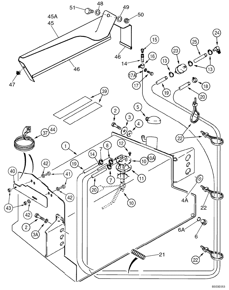
Запчасти Case 580SM (03-01) - FUEL LINES, RESERVOIR - FILTER, IN-LINE FUEL (03) - FUEL SYSTEM

Схема запчастей Case 580SM - (03-01) - FUEL LINES, RESERVOIR - FILTER, IN-LINE FUEL (03) - FUEL SYSTEM
41
5
6a
37
18
24
20
2
40
46
10
13
46
10a
50
23
21
42
48
7
10
13
22
17a
7
3
19
6
22
47
11
20
22
19
3a
15
16
42
4
49
14
42
17
8
12
51
45a
2
43
45
44
4a
14
39
1
25
FIT
1:1
100%

Артикул

Название

Примечание

Количество

1

360629A6

FUEL TANK

31 gal, Incl. Ref 6; Without Welded Fuel Sender Tubes; Includes Left Hand Steps, Mounts to Left Hand Side of Chassis; Replaces 360629A4, 360629A5; If Used

1шт.

1

87419482

FUEL TANK

31 gal, Incl. Ref 6; With Welded Fuel Sender Tubes; Includes Left Hand Steps, Mounts to Left Hand Side of Chassis; If Used

1шт.

1a

360630A4

FUEL TANK

40 gal, Incl. Ref 6; Optional; Without Welded Fuel Sender Tubes; Includes Left Hand Steps, Mounts to Left Hand Side of Chassis, Not Illustrated; If Used

1шт.

1a

87419585

FUEL TANK

40 gal, Incl. Ref 6; Optional; With Welded Fuel Sender Tubes; Includes Left Hand Steps, Mounts to Left Hand Side of Chassis, Not Illustrated; If Used

1шт.

2

443375A1

BOLT,Hex, M20 x 2.5 x 60mm, Cl 10.9

M20 x 60; With Loctite; Replaces 627-20060 Bolt Without Loctite Used On Some Models

4шт.

3

302358A1

WASHER,21mm ID x 54mm OD x 4mm Th

2шт.

3a

896-11020

WASHER,22mm ID x 37mm OD x 4mm Thk

22 x 37 x 4 mm

2шт.

4

185926A1

SPACER,21mm x 40mm x 6.6mm Th

Upper Left Hand Side of Tank

1шт.

4a

409472A1

SPACER

Lower Left Hand Side of Tank

1шт.

5

130049A1

FILLER CAP

Cap

1шт.

6

86625138

PLUG,7/18" - 14

Drain, Includes Ref 6A; Included with Ref 1, 1A

1шт.

6a

237-6010

O-RING,0.097" Thk x 0.755" ID, -910, Cl 6, 90 Duro

1шт.

7

214-1708

HOSE CLAMP,#08, 0.5" - 0.91", Type M Worm

1/2 - 29/32

2шт.

8

214-1704

HOSE CLAMP,#04, 0.25" - 0.62", Type M Worm

1шт.

10

380440A1

SENDER UNIT

SENDER Fuel Level, 31 Gallon Tank, With Tubes, Includes Grounding Nut, Lock Washer and Flat Washer; If Used

1шт.

10

86989676

SENDER UNIT

Fuel Level, 31 Gallon Tank, Without Tubes, Used With 87419482 Tank; If Used

1шт.

10a

380442A1

SENDER UNIT

SENDER Fuel Level, 40 Gallon Tank, With Tubes, Includes Grounding Nut, Lock Washer and Flat Washer; If Used

1шт.

10a

87408480

SENDER UNIT

Fuel Level, 40 Gallon Tank, Without Tubes, Used With 87419585Tank; If Used

1шт.

11

188311A2

GASKET,2.38mm Thk

1шт.

12

D75465

SCREW,#10 - 32 x 5/8"

No. 10 NF x 5/8

5шт.

13

214-1708

HOSE CLAMP,#08, 0.5" - 0.91", Type M Worm

1/2 - 29/32

3шт.

14

234892A1

HOSE

HOSE,LARGE 1100 mm (43-5/16 in), Vent

1шт.

15

130047A1

BREATHER ASSY.

Vent

1шт.

16

515-23127

CLAMP,1/2", Insul, 3/8" Bolt

1шт.

17

276-24924

SELF-TAP SCREW,3/8" - 16 x 1 1/2"

3/8 x 1-1/2

1шт.

17a

495-11041

WASHER,0.406" ID x 0.812" OD x 0.065" W

Flat, (13/32 x 13/16 x 1/16")

1шт.

18

1348264C1

HOSE CLAMP

3/8 ID

1шт.

19

234888A1

FUEL HOSE,12.70 mm ID x 1280.00 mm , SAE 30R7

Fuel Supply, to Fuel Lift Pump

1шт.

20

367615A1

HOSE,9.53 mm ID x 1800.00 mm, SAE 30R7

1800 mm (70-7/8 in), Fuel Return, Attaches to Injector Return Line on Engine; No Longer Available, Order 284452A2 Hose

1шт.

20

284452A2

FUEL HOSE,9.53 mm ID x 1900.00 mm, SAE 30R7

Fuel Return, Attaches to Injector Return Line on Engine

1шт.

21

399004A1

HOSE PROTECTION,38.90 mm ID x 270.00 mm

1шт.

22

L18337

CABLE TIE,9.95"-12.1" lg

CABLE STRAP 15 in

1шт.

23

194199A1

FUEL FILTER

In-Line Fuel Filter

1шт.

24

410847A1

FITTING

90 deg Elbow, 12 stem x 1/4 PT, With Loctite; To Engine Fuel Lift Pump; Replaces 217-372 Elbow Without Loctite Used On Some Models

1шт.

25

393827A1

FUEL HOSE,12.70 mm ID x 152.00 mm, SAE 30R7

Fuel Filter to Lift Pump

1шт.

37

D40442

MOLDING

Trim, 305 mm (12 in), Cut From F42827; If Used

1шт.

39

D80270

ANTI-SKID STRIP,635mm / 25 Inch

Non-Slip, 635 mm (25 in) x 51 mm (2 in), 31 Gallon Tank

2шт.

39

307348A1

ANTI-SKID STRIP

700 mm (27-9/16"), 40 gallon tank

2шт.

40

397548A3

PLATE

Mud

1шт.

41

614-10020

BOLT,Hex, M10 x 1.5 x 20mm, Cl 8.8, Full Thd

2шт.

43

829-1410

NUT,M10 x 1.5, Cl 10.9

2шт.

44

399923A1

RUBBER STRIP

203 mm Trim, If Used

1шт.

45

189602A3

COVER

Mounted Above Fuel Reservoir, Models Without Clam Bucket or Auxiliary Hydraulics; Replaces 189602A2 With Hole Instead of Slot on Tab

1шт.

45a

188009A3

COVER

Mounted Above Fuel Reservoir, Models With Clam Bucket; Replaces 188009A2 With Hole Instead of Slot on Tab

1шт.

46

191046A1

ORNAMENTAL STRIP

Trim, 650 mm (25-5/8 in), Cut From A165860; Apply 65 mm (2-9/16 in) of Trim to Front Lower Edge and 575 mm (22-11/16 in) of Trim to Outside Lower Edge of Cover

1шт.

47

307577A1

BOLT

Special, M8 x 20

1шт.

48

892-11010

LOCK WASHER,M10

1шт.

50

829-1410

NUT,M10 x 1.5, Cl 10.9

1шт.

51

814-10045

BOLT,Hex, M10 x 1.5 x 45mm, Cl 8.8

Used with 188009A2 or 188009A3 Cover on Models with Three Spool Loader Valve

1шт.

51

614-10020

BOLT,Hex, M10 x 1.5 x 20mm, Cl 8.8, Full Thd

Used with 189602A2 or 189602A3 Cover On Models With Two Spool Loader Valve

1шт.

42

895-11010

WASHER,11mm ID x 20mm OD x 2mm Thk

11 x 21 x 2 mm

3шт.

49

895-11010

WASHER,11mm ID x 20mm OD x 2mm Thk

11 x 21 x 2 mm

1шт.

Выбрано товаров: 0